0
LP3944
  • LP3944
  • LP3944
  • LP3944
  • LP3944

LP3944

ACTIVE

RGB/White/Blue 8-LED Fun Light driver Key Specifications Key Specifications Linux Mainline Status Linux Source Files

Texas Instruments LP3944 Product Info

1 April 2026 0

Parameters

Number of channels

8

LED current per channel (mA)

25

LED configuration

Parallel

Program memory

No

Topology

Linear

Programmable ramp control

No

Vin (min) (V)

2.3

Vin (max) (V)

5.5

Iout (max) (A)

0.2

Features

I2C control

Iq (typ) (mA)

0.35

Shutdown current (ISD) (typ) (µA)

2

Operating temperature range (°C)

-40 to 85

Rating

Catalog

Package

WQFN (RTW)-24-16 mm² 4 x 4

Features

  • Internal Power-on Reset
  • Active Low Reset
  • Internal Precision Oscillator
  • Variable Dim Rates (from 6.25 ms to 1.6s; 160 Hz–0.625 Hz)

Key Specifications

  • 8 LED Driver (Multiple Programmable States—On, Off, Input, and Dimming at a Specified Rate)
  • 8 Open Drain Outputs Capable of Driving up to 25 mA per LED

All trademarks are the property of their respective owners.

  • Internal Power-on Reset
  • Active Low Reset
  • Internal Precision Oscillator
  • Variable Dim Rates (from 6.25 ms to 1.6s; 160 Hz–0.625 Hz)

Key Specifications

  • 8 LED Driver (Multiple Programmable States—On, Off, Input, and Dimming at a Specified Rate)
  • 8 Open Drain Outputs Capable of Driving up to 25 mA per LED

All trademarks are the property of their respective owners.

Description

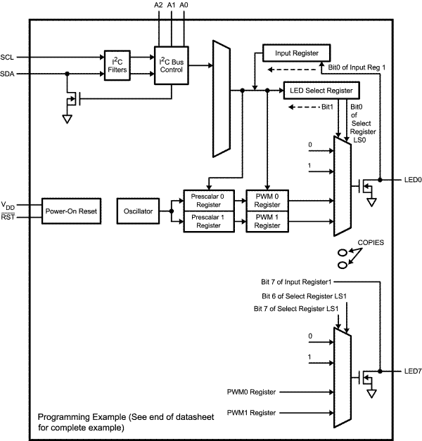
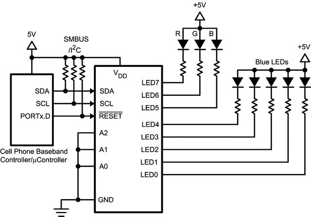
LP3944 is an integrated device capable of independently driving 8 LEDs. This device also contains an internal precision oscillator that provides all the necessary timing required for driving each LED. Two prescaler registers along with two PWM registers provide a versatile duty cycle control. The LP3944 contains the ability to dim LEDs in SMBUS/I2C applications where it is required to cut down on bus traffic.

Traditionally, to dim LEDs using a serial shift register such as 74LS594/5 would require a large amount of traffic to be on the serial bus. LP3944 instead requires only the setup of the frequency and duty cycle for each output pin. From then on, only a single command from the host is required to turn each individual open drain output ON, OFF, or to cycle a programmed frequency and duty cycle. Maximum output sink current is 25 mA per pin and 200 mA per package. Any ports not used for controlling the LEDs can be used for general purpose input/output expansion.

LP3944 is an integrated device capable of independently driving 8 LEDs. This device also contains an internal precision oscillator that provides all the necessary timing required for driving each LED. Two prescaler registers along with two PWM registers provide a versatile duty cycle control. The LP3944 contains the ability to dim LEDs in SMBUS/I2C applications where it is required to cut down on bus traffic.

Traditionally, to dim LEDs using a serial shift register such as 74LS594/5 would require a large amount of traffic to be on the serial bus. LP3944 instead requires only the setup of the frequency and duty cycle for each output pin. From then on, only a single command from the host is required to turn each individual open drain output ON, OFF, or to cycle a programmed frequency and duty cycle. Maximum output sink current is 25 mA per pin and 200 mA per package. Any ports not used for controlling the LEDs can be used for general purpose input/output expansion.

Subscribe to Welllinkchips !
Your Name
* Email
Submit a request