0
ADS42B49
  • ADS42B49
  • ADS42B49

ADS42B49

ACTIVE

Dual-Channel, 14-Bit, 250-MSPS Analog-to-Digital Converter (ADC)

Texas Instruments ADS42B49 Product Info

1 April 2026 1

Parameters

Sample rate (max) (Msps)

250

Resolution (Bits)

14

Number of input channels

2

Interface type

DDR LVDS, Parallel CMOS

Analog input BW (MHz)

600

Features

High Performance

Rating

Catalog

Peak-to-peak input voltage range (V)

1.9

Power consumption (typ) (mW)

840

Architecture

Pipeline

SNR (dB)

71.3

ENOB (Bits)

11.4

SFDR (dB)

89

Operating temperature range (°C)

-40 to 85

Input buffer

Yes

Package

VQFN (RGC)-64-81 mm² 9 x 9

Features

  • Maximum Sample Rate: 250 MSPS
  • Ultralow Power:
    • 850-mW Total Power at 250 MSPS
  • Integrated Analog Input Buffer:
    • Input Capacitance: 2.2 pF at 170 MHz
    • Input Resistance: 1.1 kΩ at 170 MHz
  • High Dynamic Performance:
    • 85-dBc SFDR at 170 MHz
    • 70.7-dBFS SNR at 170 MHz
  • Crosstalk: > 85 dB at 185 MHz
  • Programmable Gain Up to 6 dB for
    SNR and SFDR Trade-off
  • DC Offset Correction
  • Output Interface Options:
    • 1.8-V Parallel CMOS Interface
    • Double Data Rate (DDR) LVDS with
      Programmable Swing:
      • Standard Swing: 350 mV
      • Low Swing: 200 mV
  • Supports Low Input Clock Amplitude
    Down to 200 mVPP
  • Package: 9.00 mm × 9.00 mm, 64-Pin Quad Flat
    No-Lead (VQFN) Package
  • Maximum Sample Rate: 250 MSPS
  • Ultralow Power:
    • 850-mW Total Power at 250 MSPS
  • Integrated Analog Input Buffer:
    • Input Capacitance: 2.2 pF at 170 MHz
    • Input Resistance: 1.1 kΩ at 170 MHz
  • High Dynamic Performance:
    • 85-dBc SFDR at 170 MHz
    • 70.7-dBFS SNR at 170 MHz
  • Crosstalk: > 85 dB at 185 MHz
  • Programmable Gain Up to 6 dB for
    SNR and SFDR Trade-off
  • DC Offset Correction
  • Output Interface Options:
    • 1.8-V Parallel CMOS Interface
    • Double Data Rate (DDR) LVDS with
      Programmable Swing:
      • Standard Swing: 350 mV
      • Low Swing: 200 mV
  • Supports Low Input Clock Amplitude
    Down to 200 mVPP
  • Package: 9.00 mm × 9.00 mm, 64-Pin Quad Flat
    No-Lead (VQFN) Package

Description

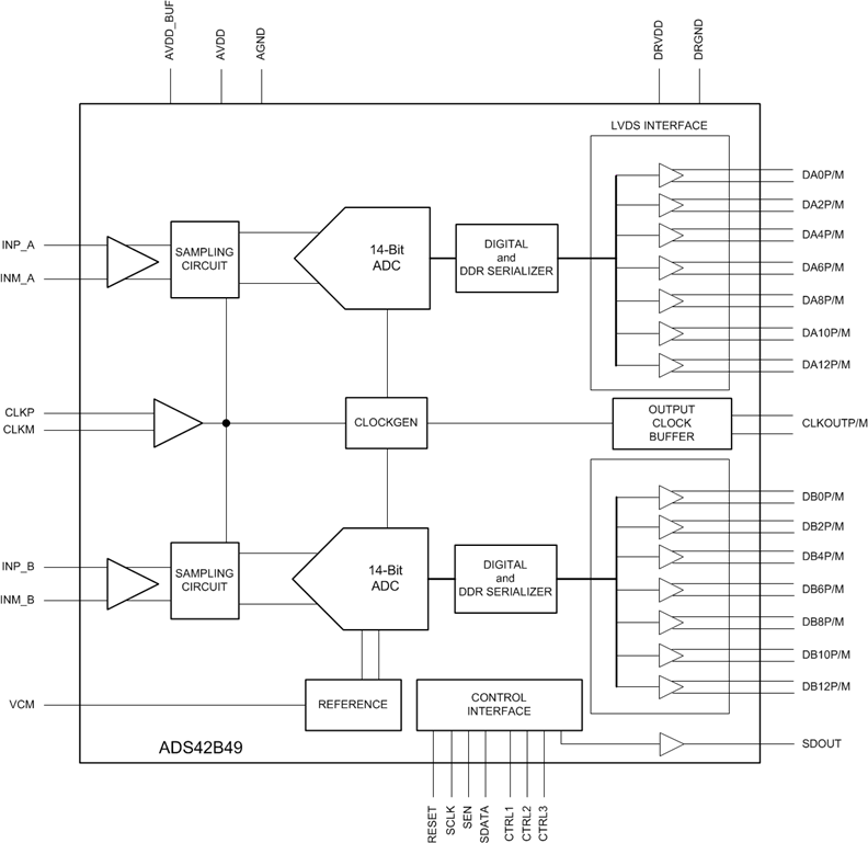
The ADS42B49 is an ultralow-power dual-channel, 14-bit analog-to-digital converter (ADC) featuring integrated analog input buffers. It uses innovative design techniques to achieve high dynamic performance, while consuming extremely low power. The presence of analog input buffers makes this device easy to drive and helps achieve high performance over a wide frequency range. The ADS42B49 is well-suited for multi-carrier, wide bandwidth communications applications.

The ADS42B49 has gain options that can be used to improve SFDR performance at lower full-scale input ranges. This device also includes a dc offset correction loop that can be used to cancel the ADC offset. Both DDR LVDS and parallel CMOS digital output interfaces are available in a compact VQFN-64 PowerPAD™ package.

The device includes internal references while the traditional reference pins and associated decoupling capacitors have been eliminated. The ADS42B49 is specified over the industrial temperature range (–40°C to 8°C).

The ADS42B49 is an ultralow-power dual-channel, 14-bit analog-to-digital converter (ADC) featuring integrated analog input buffers. It uses innovative design techniques to achieve high dynamic performance, while consuming extremely low power. The presence of analog input buffers makes this device easy to drive and helps achieve high performance over a wide frequency range. The ADS42B49 is well-suited for multi-carrier, wide bandwidth communications applications.

The ADS42B49 has gain options that can be used to improve SFDR performance at lower full-scale input ranges. This device also includes a dc offset correction loop that can be used to cancel the ADC offset. Both DDR LVDS and parallel CMOS digital output interfaces are available in a compact VQFN-64 PowerPAD™ package.

The device includes internal references while the traditional reference pins and associated decoupling capacitors have been eliminated. The ADS42B49 is specified over the industrial temperature range (–40°C to 8°C).

Subscribe to Welllinkchips !
Your Name
* Email
Submit a request