0
LMR10530
  • LMR10530
  • LMR10530

LMR10530

ACTIVE

5.5V, 3A 3MHz Step-Down Regulator in WSON Package

Texas Instruments LMR10530 Product Info

1 April 2026 0

Parameters

Rating

Catalog

Topology

Buck

Iout (max) (A)

3

Vin (max) (V)

5.5

Vin (min) (V)

3

Vout (max) (V)

4.5

Vout (min) (V)

0.6

Features

Enable

Control mode

current mode

Operating temperature range (°C)

-40 to 125

Iq (typ) (A)

0.0032

Duty cycle (max) (%)

90

Package

WSON (DSC)-10-9 mm² 3 x 3

Features

  • Input Voltage Range of 3 V to 5.5 V
  • Output Voltage Range of 0.6 V to 4.5 V
  • 1.5-MHz (LMR10530X) and 3-MHz (LMR10530Y) Switching Frequencies
  • 3-A Steady-State Output Current
  • Low Shutdown IQ, 300 nA Typical
  • 56-mΩ PMOS Switch
  • Internal Soft Start
  • Internally Compensated Peak Current-Mode Control
  • Cycle-by-cycle Current Limit and Thermal Shutdown
  • WSON (3 × 3 × 0.8 mm) Packaging
  • Create a custom design using the LMR10530 with the WEBENCH® Power Designer
  • Input Voltage Range of 3 V to 5.5 V
  • Output Voltage Range of 0.6 V to 4.5 V
  • 1.5-MHz (LMR10530X) and 3-MHz (LMR10530Y) Switching Frequencies
  • 3-A Steady-State Output Current
  • Low Shutdown IQ, 300 nA Typical
  • 56-mΩ PMOS Switch
  • Internal Soft Start
  • Internally Compensated Peak Current-Mode Control
  • Cycle-by-cycle Current Limit and Thermal Shutdown
  • WSON (3 × 3 × 0.8 mm) Packaging
  • Create a custom design using the LMR10530 with the WEBENCH® Power Designer

Description

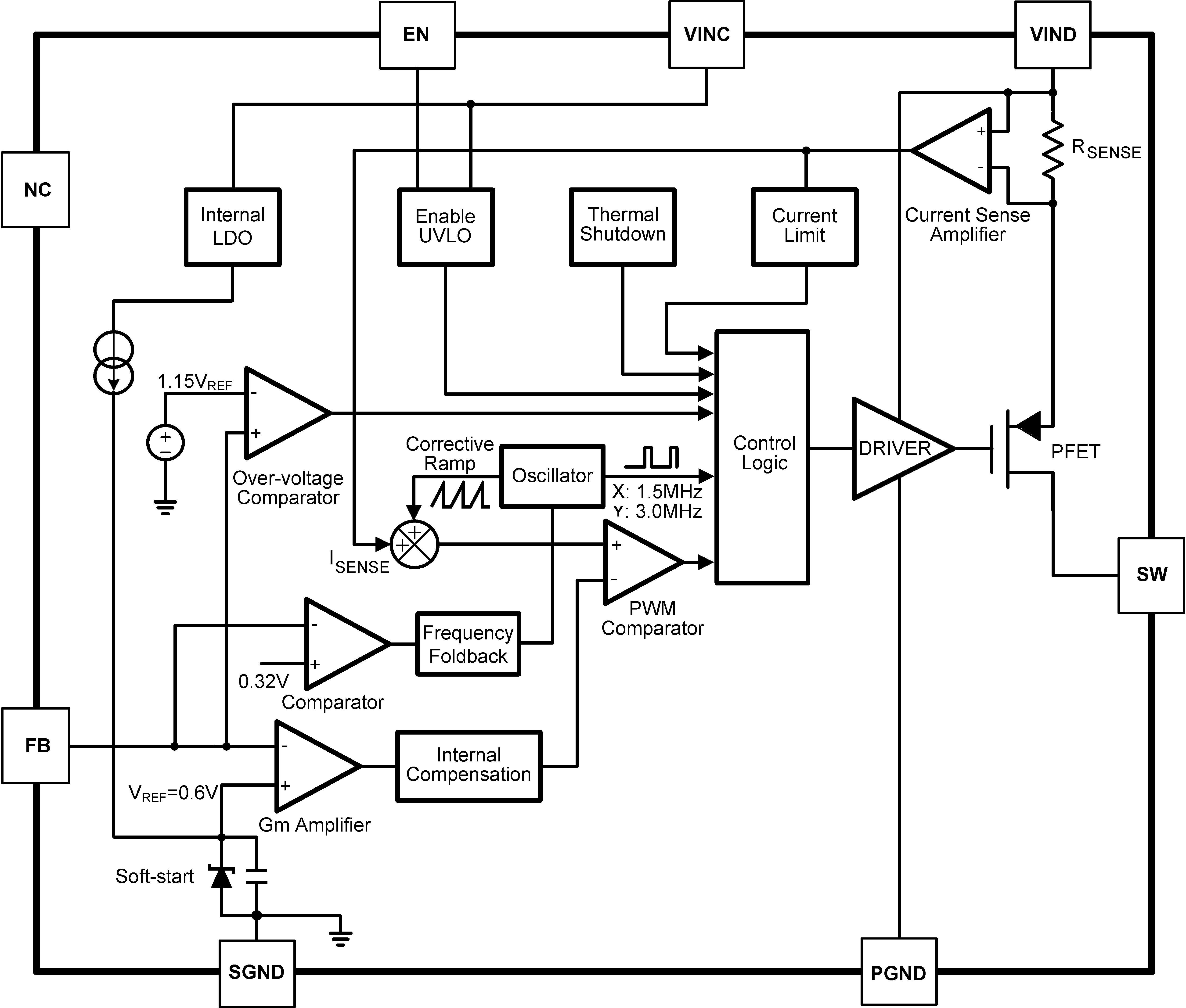
The LMR10530 regulator is a monolithic, high frequency, PWM step-down DC/DC converter available in a 10-pin WSON package. It contains all the active functions to provide local DC/DC conversion with fast transient response and accurate regulation in the smallest possible PCB area. With a minimum of external components, the LMR10530 is easy to use. The ability to drive 3-A loads with an internal 56-mΩ PMOS switch using state-of-the-art 0.5-µm BiCMOS technology results in the best power density available. The control circuitry allows on-times as low as 30 ns, thus supporting exceptionally high-frequency conversion over the entire 3-V to 5.5-V input operating range down to the minimum output voltage of 0.6 V. Switching frequency is internally set to 1.5 MHz or 3 MHz, allowing the use of extremely small surface mount inductors and capacitors. Even though the operating frequency is high, efficiencies up to 93% are easy to achieve. External shutdown is included, featuring an ultra-low stand-by current of 300 nA. The LMR10530 utilizes peak current-mode control and internal compensation to provide high-performance regulation over a wide range of operating conditions. Additional features include internal soft-start circuitry to reduce inrush current, cycle-by-cycle current limit, frequency foldback, thermal shutdown, and output overvoltage protection.

The LMR10530 regulator is a monolithic, high frequency, PWM step-down DC/DC converter available in a 10-pin WSON package. It contains all the active functions to provide local DC/DC conversion with fast transient response and accurate regulation in the smallest possible PCB area. With a minimum of external components, the LMR10530 is easy to use. The ability to drive 3-A loads with an internal 56-mΩ PMOS switch using state-of-the-art 0.5-µm BiCMOS technology results in the best power density available. The control circuitry allows on-times as low as 30 ns, thus supporting exceptionally high-frequency conversion over the entire 3-V to 5.5-V input operating range down to the minimum output voltage of 0.6 V. Switching frequency is internally set to 1.5 MHz or 3 MHz, allowing the use of extremely small surface mount inductors and capacitors. Even though the operating frequency is high, efficiencies up to 93% are easy to achieve. External shutdown is included, featuring an ultra-low stand-by current of 300 nA. The LMR10530 utilizes peak current-mode control and internal compensation to provide high-performance regulation over a wide range of operating conditions. Additional features include internal soft-start circuitry to reduce inrush current, cycle-by-cycle current limit, frequency foldback, thermal shutdown, and output overvoltage protection.

Subscribe to Welllinkchips !
Your Name
* Email
Submit a request