0
LV14540
  • LV14540
  • LV14540
  • LV14540

LV14540

ACTIVE

40V 5A 2.2MHz step-down converter

Texas Instruments LV14540 Product Info

1 April 2026 0

Parameters

Rating

Catalog

Topology

Buck

Iout (max) (A)

5

Vin (max) (V)

40

Vin (min) (V)

4

Vout (max) (V)

36

Vout (min) (V)

1

Features

Enable, Frequency synchronization, Light Load Efficiency, Over Current Protection, Pre-Bias Start-Up, Soft Start Adjustable, Tracking, UVLO adjustable

Control mode

current mode

Operating temperature range (°C)

-40 to 125

Iq (typ) (A)

0.0003

Duty cycle (max) (%)

97

Package

HSOIC (DDA)-8-29.4 mm² 4.9 x 6

Features

  • 4V to 40V input range
  • 5A continuous output current
  • 100mΩ high-side MOSFET
  • Minimum on time: 100ns
  • Current mode control
  • Adjustable switching frequency from 200kHz to 2MHz
  • Frequency synchronization to external clock
  • Internal compensation for ease of use
  • High duty cycle operation supported
  • Precision enable input
  • 1µA shutdown current
  • Thermal, overvoltage and short protection
  • 8-pin HSOIC with PowerPAD™ integrated circuit package
  • 4V to 40V input range
  • 5A continuous output current
  • 100mΩ high-side MOSFET
  • Minimum on time: 100ns
  • Current mode control
  • Adjustable switching frequency from 200kHz to 2MHz
  • Frequency synchronization to external clock
  • Internal compensation for ease of use
  • High duty cycle operation supported
  • Precision enable input
  • 1µA shutdown current
  • Thermal, overvoltage and short protection
  • 8-pin HSOIC with PowerPAD™ integrated circuit package

Description

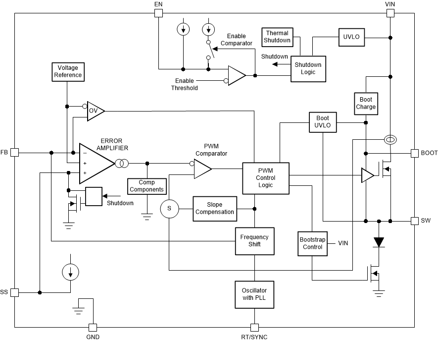
The LV14540 is a 40V, 5A, step-down regulator with an integrated high-side MOSFET. With a wide input range from 4V to 40V, the device is designed for various applications from industrial to automotive for power conditioning from unregulated sources. A wide adjustable switching frequency range allows either efficiency or external component size to be optimized. Internal loop compensation means that the user is free from the tedious task of loop compensation design. Internal loop compensation also minimizes the external components of the device. A precision enable input allows simplification of regulator control and system power sequencing. The device also has built-in protection features such as cycle-by-cycle current limit, thermal sensing and shutdown due to excessive power dissipation, and output overvoltage protection.

The LV14540 is a 40V, 5A, step-down regulator with an integrated high-side MOSFET. With a wide input range from 4V to 40V, the device is designed for various applications from industrial to automotive for power conditioning from unregulated sources. A wide adjustable switching frequency range allows either efficiency or external component size to be optimized. Internal loop compensation means that the user is free from the tedious task of loop compensation design. Internal loop compensation also minimizes the external components of the device. A precision enable input allows simplification of regulator control and system power sequencing. The device also has built-in protection features such as cycle-by-cycle current limit, thermal sensing and shutdown due to excessive power dissipation, and output overvoltage protection.

Subscribe to Welllinkchips !
Your Name
* Email
Submit a request