0
LP8555
  • LP8555
  • LP8555
  • LP8555

LP8555

ACTIVE

High-efficiency LED backlight driver for Tablet PCs Linux Mainline Status

Texas Instruments LP8555 Product Info

1 April 2026 0

Parameters

Number of channels

12

Vin (min) (V)

2.7

Vin (max) (V)

20

Vout (min) (V)

7

Vout (max) (V)

28

Type

Inductive

Switching frequency (max) (kHz)

1000

Duty cycle (max) (%)

100

LED current per channel (mA)

50

Peak efficiency (%)

93

Topology

Boost

Features

Adjustable Switch Frequency, Analog/PWM mixed dimming, CABC, Edge Rate Control, I2C control, Integrated Switch, OVP, PWM control, Thermal shutdown

Operating temperature range (°C)

-40 to 85

Rating

Catalog

Package

DSBGA (YFQ)-36-6.75999999999999792000000000000016 mm² 2.5999999999999996 x 2.5999999999999996

Features

  • Dual High-Efficiency DC/DC Boost Converters
  • 2.7-V to 20-V VDD Range
  • 12 50-mA High-Precision LED Current
    Sinks With 12-Bit Brightness Control
  • Adaptive LED Current Sink Headroom
    Controls for Maximum System Efficiency
  • LED String Count Auto-Detection
  • Phase-Shifted PWM Mode for Reduced Audible
    Noise
  • PWM Input Duty-Cycle and/or I2C-Register
    Brightness Control
  • Hybrid PWM and Current Dimming for Higher LED
    Drive Optical Efficiency
  • Flexible CABC Support
  • EPROM, I2C-Register, or External Resistors
    for Configuration
  • Improved Boost EMI Performance with Slew-Rate Control,
    Spread Spectrum, and Phase-Shifted Switching
  • Extensive Fault Detection Schemes
  • Dual High-Efficiency DC/DC Boost Converters
  • 2.7-V to 20-V VDD Range
  • 12 50-mA High-Precision LED Current
    Sinks With 12-Bit Brightness Control
  • Adaptive LED Current Sink Headroom
    Controls for Maximum System Efficiency
  • LED String Count Auto-Detection
  • Phase-Shifted PWM Mode for Reduced Audible
    Noise
  • PWM Input Duty-Cycle and/or I2C-Register
    Brightness Control
  • Hybrid PWM and Current Dimming for Higher LED
    Drive Optical Efficiency
  • Flexible CABC Support
  • EPROM, I2C-Register, or External Resistors
    for Configuration
  • Improved Boost EMI Performance with Slew-Rate Control,
    Spread Spectrum, and Phase-Shifted Switching
  • Extensive Fault Detection Schemes

Description

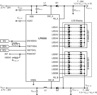
The LP8555 is a high efficiency LED driver with integrated dual DC-DC boost converters. It has 12 high-precision current sinks that can be controlled by a PWM input signal, an I2C master, or both.

Dual-boost configuration of LP8555 shares the load to two inductors and allows thinner overall solution size and better efficiency compared to single-boost solutions. 12 LED strings allows driving high number of LEDs with optimal efficiency since boost conversion ratio can be kept low.

The boost converter has adaptive output voltage control based on the LED current sink headroom voltages. This feature minimizes the power consumption by adjusting the voltage to lowest sufficient level in all conditions.

The LED string auto-detect function enables use of the same device in systems with 2 to 12 LED strings for the maximum design flexibility. Proprietary Hybrid PWM and Current dimming mode enables additional system power savings. Phase-shift PWM allows reduced audible noise and smaller boost output capacitors. Flexible CABC support combines brightness level selections based on the PWM input and I2C commands.

The LP8555 is a high efficiency LED driver with integrated dual DC-DC boost converters. It has 12 high-precision current sinks that can be controlled by a PWM input signal, an I2C master, or both.

Dual-boost configuration of LP8555 shares the load to two inductors and allows thinner overall solution size and better efficiency compared to single-boost solutions. 12 LED strings allows driving high number of LEDs with optimal efficiency since boost conversion ratio can be kept low.

The boost converter has adaptive output voltage control based on the LED current sink headroom voltages. This feature minimizes the power consumption by adjusting the voltage to lowest sufficient level in all conditions.

The LED string auto-detect function enables use of the same device in systems with 2 to 12 LED strings for the maximum design flexibility. Proprietary Hybrid PWM and Current dimming mode enables additional system power savings. Phase-shift PWM allows reduced audible noise and smaller boost output capacitors. Flexible CABC support combines brightness level selections based on the PWM input and I2C commands.

Subscribe to Welllinkchips !
Your Name
* Email
Submit a request