0
LMK04001
  • LMK04001
  • LMK04001
  • LMK04001
  • LMK04001

LMK04001

ACTIVE

Low-noise jitter cleaner with 1430 to 1570-MHz VCO:3 outputs for 2VPEC/LVPEC+4 outputs for LVCOMS Target Applications Target Applications

Texas Instruments LMK04001 Product Info

1 April 2026 1

Parameters

Number of input channels

2

Number of outputs

7

RMS jitter (fs)

150

Features

Integrated VCO

Output frequency (min) (MHz)

0.35

Output frequency (max) (MHz)

1570

Output type

LVCMOS, LVPECL

Input type

LVCMOS, LVDS, LVPECL

Supply voltage (min) (V)

3.15

Supply voltage (max) (V)

3.45

Operating temperature range (°C)

-40 to 85

Package

WQFN (RHS)-48-49 mm² 7 x 7

Features

  • Cascaded PLLatinum PLL Architecture
  • PLL1
  • Phase detector rate of up to 40 MHz
  • Integrated Low-Noise Crystal Oscillator Circuit
  • Dual redundant input reference clock with LOS
  • PLL2
  • Normalized [1 Hz] PLL noise floor of -224 dBc/Hz
  • Phase detector rate up to 100 MHz
  • Input frequency-doubler
  • Integrated Low-Noise VCO
  • Ultra-Low RMS Jitter Performance
  • 150 fs RMS jitter (12 kHz – 20 MHz)
  • 200 fs RMS jitter (100 Hz – 20 MHz)
  • LVPECL/2VPECL, LVDS, and LVCMOS outputs
  • Support clock rates up to 1080 MHz
  • Default Clock Output (CLKout2) at power up
  • Five dedicated channel divider and delay blocks
  • Pin compatible family of clocking devices
  • Industrial Temperature Range: -40 to 85 °C
  • 3.15 V to 3.45 V operation
  • Package: 48 pin LLP (7.0 x 7.0 x 0.8 mm)

  • Target Applications

  • Data Converter Clocking
  • Wireless Infrastructure
  • Networking, SONET/SDH, DSLAM
  • Medical
  • Military / Aerospace
  • Test and Measurement
  • Video

  • Cascaded PLLatinum PLL Architecture
  • PLL1
  • Phase detector rate of up to 40 MHz
  • Integrated Low-Noise Crystal Oscillator Circuit
  • Dual redundant input reference clock with LOS
  • PLL2
  • Normalized [1 Hz] PLL noise floor of -224 dBc/Hz
  • Phase detector rate up to 100 MHz
  • Input frequency-doubler
  • Integrated Low-Noise VCO
  • Ultra-Low RMS Jitter Performance
  • 150 fs RMS jitter (12 kHz – 20 MHz)
  • 200 fs RMS jitter (100 Hz – 20 MHz)
  • LVPECL/2VPECL, LVDS, and LVCMOS outputs
  • Support clock rates up to 1080 MHz
  • Default Clock Output (CLKout2) at power up
  • Five dedicated channel divider and delay blocks
  • Pin compatible family of clocking devices
  • Industrial Temperature Range: -40 to 85 °C
  • 3.15 V to 3.45 V operation
  • Package: 48 pin LLP (7.0 x 7.0 x 0.8 mm)

  • Target Applications

  • Data Converter Clocking
  • Wireless Infrastructure
  • Networking, SONET/SDH, DSLAM
  • Medical
  • Military / Aerospace
  • Test and Measurement
  • Video

  • Description

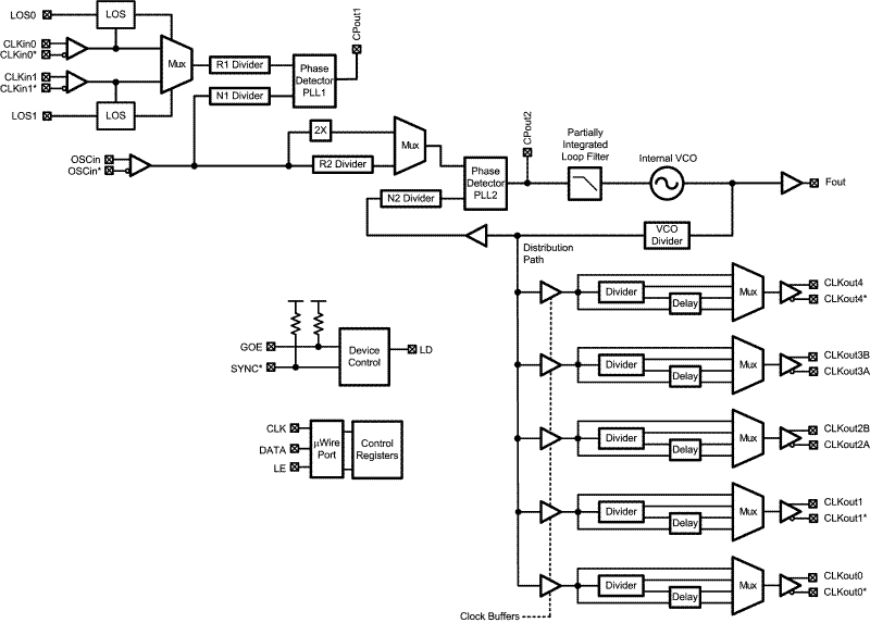
    The LMK04000 family of precision clock conditioners provides low-noise jitter cleaning, clock multiplication and distribution without the need for high-performance voltage controlled crystal oscillators (VCXO) module. Using a cascaded PLLatinum architecture combined with an external crystal and varactor diode, the LMK04000 family provides sub-200 femtosecond (fs) root mean square (RMS) jitter performance.

    The cascaded architecture consists of two high-performance phase-locked loops (PLL), a low-noise crystal oscillator circuit, and a high-performance voltage controlled oscillator (VCO). The first PLL (PLL1) provides a low-noise jitter cleaner function while the second PLL (PLL2) performs the clock generation. PLL1 can be configured to either work with an external VCXO module or use the integrated crystal oscillator with an external crystal and a varactor diode. When used with a very narrow loop bandwidth, PLL1 uses the superior close-in phase noise (offsets below 50 kHz) of the VCXO module or the crystal to clean the input clock. The output of PLL1 is used as the clean input reference to PLL2 where it locks the integrated VCO. The loop bandwidth of PLL2 can be optimized to clean the far-out phase noise (offsets above 50 kHz) where the integrated VCO outperforms the VCXO module or crystal used in PLL1.

    The LMK04000 family features dual redundant inputs, five differential outputs, and an optional default-clock upon power up. The input block is equipped with loss of signal detection and automatic or manual selection of the reference clock. Each clock output consists of a programmable divider, a phase synchronization circuit, a programmable delay, and an LVDS, LVPECL, or LVCMOS output buffer. The default startup clock is available on CLKout2 and it can be used to provide an initial clock for the field-programmable gate array (FPGA) or microcontroller that programs the jitter cleaner during the system power up sequence.


    The LMK04000 family of precision clock conditioners provides low-noise jitter cleaning, clock multiplication and distribution without the need for high-performance voltage controlled crystal oscillators (VCXO) module. Using a cascaded PLLatinum architecture combined with an external crystal and varactor diode, the LMK04000 family provides sub-200 femtosecond (fs) root mean square (RMS) jitter performance.

    The cascaded architecture consists of two high-performance phase-locked loops (PLL), a low-noise crystal oscillator circuit, and a high-performance voltage controlled oscillator (VCO). The first PLL (PLL1) provides a low-noise jitter cleaner function while the second PLL (PLL2) performs the clock generation. PLL1 can be configured to either work with an external VCXO module or use the integrated crystal oscillator with an external crystal and a varactor diode. When used with a very narrow loop bandwidth, PLL1 uses the superior close-in phase noise (offsets below 50 kHz) of the VCXO module or the crystal to clean the input clock. The output of PLL1 is used as the clean input reference to PLL2 where it locks the integrated VCO. The loop bandwidth of PLL2 can be optimized to clean the far-out phase noise (offsets above 50 kHz) where the integrated VCO outperforms the VCXO module or crystal used in PLL1.

    The LMK04000 family features dual redundant inputs, five differential outputs, and an optional default-clock upon power up. The input block is equipped with loss of signal detection and automatic or manual selection of the reference clock. Each clock output consists of a programmable divider, a phase synchronization circuit, a programmable delay, and an LVDS, LVPECL, or LVCMOS output buffer. The default startup clock is available on CLKout2 and it can be used to provide an initial clock for the field-programmable gate array (FPGA) or microcontroller that programs the jitter cleaner during the system power up sequence.