0
CSD17551Q5A
  • CSD17551Q5A
  • CSD17551Q5A

CSD17551Q5A

ACTIVE

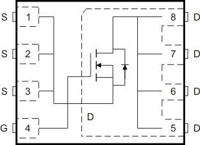
30-V, N channel NexFET™ power MOSFET, single SON 5 mm x 6 mm, 8.8 mOhm

Texas Instruments CSD17551Q5A Product Info

1 April 2026 0

Parameters

VDS (V)

30

VGS (V)

20

Type

N-channel

Configuration

Single

Rds(on) at VGS=10 V (max) (mΩ)

8.8

Rds(on) at VGS=4.5 V (max) (mΩ)

11

VGSTH typ (typ) (V)

1.7

QG (typ) (nC)

6

QGD (typ) (nC)

1.4

QGS (typ) (nC)

2.8

ID - silicon limited at TC=25°C (A)

48

ID - package limited (A)

48

Logic level

Yes

Rating

Catalog

Operating temperature range (°C)

-55 to 150

Package

VSONP (DQJ)-8-29.4 mm² 4.9 x 6

Features

  • Ultra Low Qg and Qgd
  • Low Thermal Resistance
  • Avalanche Rated
  • Pb Free Terminal Plating
  • RoHS Compliant
  • Halogen Free
  • SON 5-mm × 6-mm Plastic Package
  • Ultra Low Qg and Qgd
  • Low Thermal Resistance
  • Avalanche Rated
  • Pb Free Terminal Plating
  • RoHS Compliant
  • Halogen Free
  • SON 5-mm × 6-mm Plastic Package

Description

The NexFET power MOSFET has been designed to minimize losses in power conversion applications.

The NexFET power MOSFET has been designed to minimize losses in power conversion applications.

Subscribe to Welllinkchips !
Your Name
* Email
Submit a request