0
LM5175-Q1
  • LM5175-Q1
  • LM5175-Q1

LM5175-Q1

ACTIVE

42-V wide VIN 4-switch synchronous buck-boost controller, AEC-Q100 qualified

Texas Instruments LM5175-Q1 Product Info

1 April 2026 0

Parameters

Rating

Automotive

Topology

Buck-Boost

Vin (max) (V)

42

Vin (min) (V)

3.5

Vout (max) (V)

55

Vout (min) (V)

0.8

Features

Adjustable current limit, Enable, Frequency synchronization, Power good, Prebias startup, Spread Spectrum, Synchronous rectification, UVLO adjustable

EMI features

Frequency Dithering, Spread Spectrum

Duty cycle (max) (%)

100

Iq (typ) (A)

0.00165

Operating temperature range (°C)

-40 to 125

Package

HTSSOP (PWP)-28-62.08 mm² 9.7 x 6.4

Features

  • Qualified for Automotive Applications
  • AEC-Q100 Qualified with the following results:
    • Device Temperature Grade 1: –40°C to
      +125°C Ambient Operating Temperature
      Range
    • Device HBM ESD Classification Level 2
    • Device CDM ESD Classification Level C4B
  • Single Inductor Buck-Boost Controller for Step-
    Up/Step-Down DC/DC Conversion
  • Wide VIN Range: 3.5 V to 42 V, 60 V Maximum
  • Flexible VOUT Range: 0.8 V to 55 V
  • VOUT Short Protection
  • High Efficiency Buck-Boost Transition
  • Adjustable Switching Frequency
  • Optional Frequency Sync and Dithering
  • Integrated 2-A MOSFET Gate Drivers
  • Cycle-by-Cycle Current Limit and Optional Hiccup
  • Optional Input or Output Average Current Limiting
  • Programmable Input UVLO and Soft-Start
  • Power Good and Output Overvoltage Protection
  • Selectable CCM or DCM with Pulse Skipping
  • HTSSOP-28 Package
  • Qualified for Automotive Applications
  • AEC-Q100 Qualified with the following results:
    • Device Temperature Grade 1: –40°C to
      +125°C Ambient Operating Temperature
      Range
    • Device HBM ESD Classification Level 2
    • Device CDM ESD Classification Level C4B
  • Single Inductor Buck-Boost Controller for Step-
    Up/Step-Down DC/DC Conversion
  • Wide VIN Range: 3.5 V to 42 V, 60 V Maximum
  • Flexible VOUT Range: 0.8 V to 55 V
  • VOUT Short Protection
  • High Efficiency Buck-Boost Transition
  • Adjustable Switching Frequency
  • Optional Frequency Sync and Dithering
  • Integrated 2-A MOSFET Gate Drivers
  • Cycle-by-Cycle Current Limit and Optional Hiccup
  • Optional Input or Output Average Current Limiting
  • Programmable Input UVLO and Soft-Start
  • Power Good and Output Overvoltage Protection
  • Selectable CCM or DCM with Pulse Skipping
  • HTSSOP-28 Package

Description

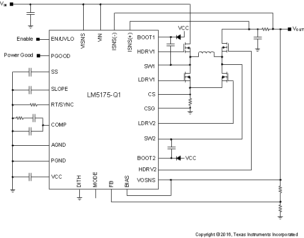
The LM5175-Q1 is a synchronous four-switch buck-boost DC/DC controller capable of regulating the output voltage at, above, or below the input voltage. The LM5175-Q1 operates over a wide input voltage range of 3.5 V to 42 V (60 V maximum) to support a variety of applications.

The LM5175-Q1 employs current-mode control both in buck and boost modes of operation for superior load and line regulation. The switching frequency is programmed by an external resistor and can be synchronized to an external clock signal.

The device also features a programmable soft-start function and offers protection features including cycle-by-cycle current limiting, input undervoltage lockout (UVLO), output overvoltage protection (OVP), and thermal shutdown. In addition, the LM5175-Q1 features selectable Continuous Conduction Mode (CCM) or Discontinuous Conduction Mode (DCM) operation, optional average input or output current limiting, optional spread spectrum to reduce peak EMI, and optional hiccup mode protection in sustained overload conditions.

The LM5175-Q1 is a synchronous four-switch buck-boost DC/DC controller capable of regulating the output voltage at, above, or below the input voltage. The LM5175-Q1 operates over a wide input voltage range of 3.5 V to 42 V (60 V maximum) to support a variety of applications.

The LM5175-Q1 employs current-mode control both in buck and boost modes of operation for superior load and line regulation. The switching frequency is programmed by an external resistor and can be synchronized to an external clock signal.

The device also features a programmable soft-start function and offers protection features including cycle-by-cycle current limiting, input undervoltage lockout (UVLO), output overvoltage protection (OVP), and thermal shutdown. In addition, the LM5175-Q1 features selectable Continuous Conduction Mode (CCM) or Discontinuous Conduction Mode (DCM) operation, optional average input or output current limiting, optional spread spectrum to reduce peak EMI, and optional hiccup mode protection in sustained overload conditions.

Subscribe to Welllinkchips !
Your Name
* Email
Submit a request