0
LM5141-Q1
  • LM5141-Q1
  • LM5141-Q1
  • LM5141-Q1
  • LM5141-Q1

LM5141-Q1

ACTIVE

Automotive wide-input 2.2-MHz low-IQ synchronous buck controller

Texas Instruments LM5141-Q1 Product Info

1 April 2026 0

Parameters

Rating

Automotive

Topology

Buck

Iout (max) (A)

20

Vin (max) (V)

65

Vin (min) (V)

3.8

Vout (max) (V)

15

Vout (min) (V)

1.5

Control mode

current mode

Features

Adjustable current limit, Enable, Frequency synchronization, Light Load Efficiency, Power good, Pre-Bias Start-Up, Spread Spectrum, Synchronous Rectification, Tracking, UVLO Fixed

EMI features

Spread Spectrum

Duty cycle (max) (%)

78

Iq (typ) (A)

0.000035

Number of phases

1

TI functional safety category

Functional Safety-Capable

Operating temperature range (°C)

-40 to 150

Package

VQFN (RGE)-24-16 mm² 4 x 4

Features

  • Qualified for Automotive Applications
  • AEC-Q100 Qualified With the Following Results:
    • Device Temperature Grade 1: –40°C to +125°C Ambient Operating Temperature
    • Device HBM ESD Classification Level 2
    • Device CDM ESD Classification Level C4B
  • VIN: 3.8 V to 65 V (70 V Absolute Maximum)
  • Output: Fixed 3.3 V, 5 V, or Adjustable From
    1.5 V to 15 V with ±0.8% Accuracy
  • Fixed 2.2-MHz or 440-kHz Switching Frequency with ±5% Accuracy
  • High-Side and Low-Side Gate Drive With Slew-Rate Control
  • Optional Frequency Shift by Varying an Analog Voltage or RT Resistor
  • Optional Synchronization to an External Clock
  • Optional Spread Spectrum
  • Shutdown Mode IQ: 10 µA Typical
  • Low Standby Mode IQ: 35 µA Typical
  • 75-mV Current Limit Threshold with ±0.9% Accuracy
  • External Resistor or DCR Current Sensing
  • Output Enable Logic Input
  • Hiccup Mode for Sustained Overload
  • Power-Good Indication Output
  • Selectable Diode Emulation or Forced Pulse-Width Modulation
  • 24-pin VQFN Package With Wettable Flanks
  • Create a Custom Design Using the LM5141-Q1 With the WEBENCH® Power Designer
  • Qualified for Automotive Applications
  • AEC-Q100 Qualified With the Following Results:
    • Device Temperature Grade 1: –40°C to +125°C Ambient Operating Temperature
    • Device HBM ESD Classification Level 2
    • Device CDM ESD Classification Level C4B
  • VIN: 3.8 V to 65 V (70 V Absolute Maximum)
  • Output: Fixed 3.3 V, 5 V, or Adjustable From
    1.5 V to 15 V with ±0.8% Accuracy
  • Fixed 2.2-MHz or 440-kHz Switching Frequency with ±5% Accuracy
  • High-Side and Low-Side Gate Drive With Slew-Rate Control
  • Optional Frequency Shift by Varying an Analog Voltage or RT Resistor
  • Optional Synchronization to an External Clock
  • Optional Spread Spectrum
  • Shutdown Mode IQ: 10 µA Typical
  • Low Standby Mode IQ: 35 µA Typical
  • 75-mV Current Limit Threshold with ±0.9% Accuracy
  • External Resistor or DCR Current Sensing
  • Output Enable Logic Input
  • Hiccup Mode for Sustained Overload
  • Power-Good Indication Output
  • Selectable Diode Emulation or Forced Pulse-Width Modulation
  • 24-pin VQFN Package With Wettable Flanks
  • Create a Custom Design Using the LM5141-Q1 With the WEBENCH® Power Designer

Description

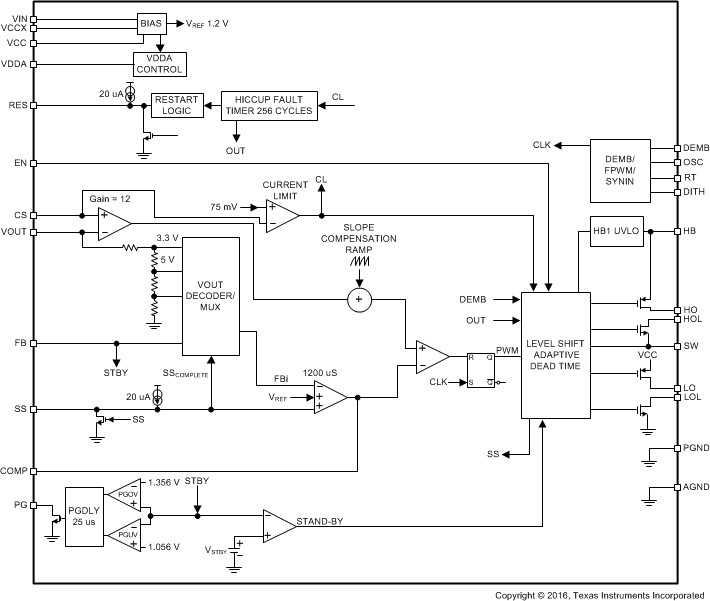
The LM5141-Q1 is a synchronous buck controller, intended for high voltage wide VIN step-down converter applications. The control method is peak current mode control. Current mode control provides inherent line feed-forward, cycle-by-cycle current limiting, and ease-of-loop compensation. The LM5141-Q1 features slew rate control to simplify the compliance with CISPR and automotive EMI requirements.

The LM5141-Q1 has two selectable switching frequencies: 2.2 MHz and 440 kHz. Gate drivers with slew rate Control that can be adjusted to reduce EMI.

In light or no-load conditions, the LM5141-Q1 operates in skip cycle mode for improved low power efficiency. The LM5141-Q1 has a high voltage bias regulator with automatic switch-over to an external bias to reduce the IQ current from VIN. Additional features include frequency synchronization, cycle-by-cycle current limit, hiccup mode fault protection for sustained overload, and power good output.

The LM5141-Q1 is a synchronous buck controller, intended for high voltage wide VIN step-down converter applications. The control method is peak current mode control. Current mode control provides inherent line feed-forward, cycle-by-cycle current limiting, and ease-of-loop compensation. The LM5141-Q1 features slew rate control to simplify the compliance with CISPR and automotive EMI requirements.

The LM5141-Q1 has two selectable switching frequencies: 2.2 MHz and 440 kHz. Gate drivers with slew rate Control that can be adjusted to reduce EMI.

In light or no-load conditions, the LM5141-Q1 operates in skip cycle mode for improved low power efficiency. The LM5141-Q1 has a high voltage bias regulator with automatic switch-over to an external bias to reduce the IQ current from VIN. Additional features include frequency synchronization, cycle-by-cycle current limit, hiccup mode fault protection for sustained overload, and power good output.

Subscribe to Welllinkchips !
Your Name
* Email
Submit a request