0
LM36922
  • LM36922
  • LM36922

LM36922

ACTIVE

High efficiency, dual-String, 30-V Synchronous white LED driver

Texas Instruments LM36922 Product Info

1 April 2026 1

Parameters

Number of channels

2

Vin (min) (V)

2.5

Vin (max) (V)

5.5

Vout (min) (V)

0

Vout (max) (V)

29.5

Type

Inductive

Switching frequency (max) (kHz)

1050

Duty cycle (max) (%)

94

LED current per channel (mA)

25

Peak efficiency (%)

92

Topology

Boost

Features

Adjustable Switch Frequency, CABC, Direct PWM Dimming, Enable/Shutdown, I2C control, OVP, PWM control, Thermal shutdown

Operating temperature range (°C)

-40 to 85

Rating

Catalog

Package

DSBGA (YFF)-12-2.52000000000000018 mm² 1.4000000000000001 x 1.8

Features

  • 1% Matched Current Sinks Across (Process,
    Voltage, Temp)
  • 3% Current Sink Accuracy Across (Process,
    Voltage, Temp)
  • 11-Bit Dimming Resolution
  • Up to 91.6% Solution Efficiency
  • Drives from One to Two Parallel LED Strings at up
    to 28 V
  • PWM Dimming Input
  • I2C Programmable
  • Selectable 500-kHz and 1-MHz Switching
    Frequency with Optional –12% shift
  • Auto Switch Frequency Mode (250 kHz, 500 kHz,
    1 MHz)
  • Four Configurable Overvoltage Protection
    Thresholds (17 V, 21 V, 25 V, 29 V)
  • Four Configurable Overcurrent Protection
    Thresholds (750 mA, 1000 mA, 1250 mA, 1500
    mA)
  • Thermal Shutdown Protection
  • 1% Matched Current Sinks Across (Process,
    Voltage, Temp)
  • 3% Current Sink Accuracy Across (Process,
    Voltage, Temp)
  • 11-Bit Dimming Resolution
  • Up to 91.6% Solution Efficiency
  • Drives from One to Two Parallel LED Strings at up
    to 28 V
  • PWM Dimming Input
  • I2C Programmable
  • Selectable 500-kHz and 1-MHz Switching
    Frequency with Optional –12% shift
  • Auto Switch Frequency Mode (250 kHz, 500 kHz,
    1 MHz)
  • Four Configurable Overvoltage Protection
    Thresholds (17 V, 21 V, 25 V, 29 V)
  • Four Configurable Overcurrent Protection
    Thresholds (750 mA, 1000 mA, 1250 mA, 1500
    mA)
  • Thermal Shutdown Protection

Description

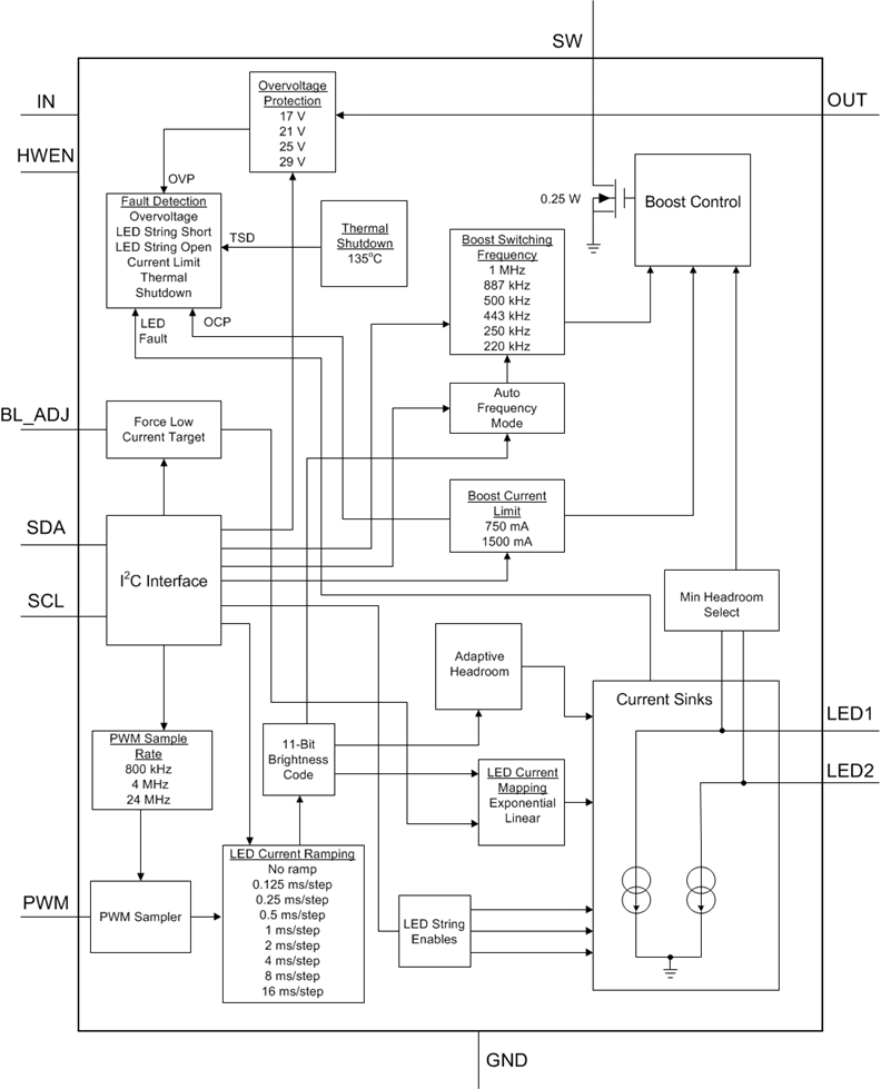
The LM36922 is an ultra-compact, highly efficient, two string white-LED driver designed for LCD display backlighting. The device can power up to 8 series LEDs at up to 25 mA per string. An adaptive current regulation method allows for different LED voltages in each string while maintaining current regulation.

The LED current is adjusted via an I2C interface or through a logic level PWM input. The PWM duty cycle is internally sensed and mapped to an 11-bit current thus allowing for a wide range of PWM frequencies and noise-free operation.

The device operates over the 2.5-V to 5.5-V input voltage range and –40°C to 85°C temperature range.

The LM36922 is an ultra-compact, highly efficient, two string white-LED driver designed for LCD display backlighting. The device can power up to 8 series LEDs at up to 25 mA per string. An adaptive current regulation method allows for different LED voltages in each string while maintaining current regulation.

The LED current is adjusted via an I2C interface or through a logic level PWM input. The PWM duty cycle is internally sensed and mapped to an 11-bit current thus allowing for a wide range of PWM frequencies and noise-free operation.

The device operates over the 2.5-V to 5.5-V input voltage range and –40°C to 85°C temperature range.

Subscribe to Welllinkchips !
Your Name
* Email
Submit a request