0
LM3678
  • LM3678
  • LM3678
  • LM3678
  • LM3678

LM3678

ACTIVE

High-Performance, Miniature 1.5A Step-Down DC-DC Converter for Handheld Applications

Texas Instruments LM3678 Product Info

1 April 2026 1

Parameters

Rating

Catalog

Topology

Buck

Iout (max) (A)

1.5

Vin (max) (V)

5.5

Vin (min) (V)

2.5

Vout (max) (V)

1.2

Vout (min) (V)

0.8

Features

Adaptive/Dynamic Voltage Scaling, Enable, Power good, Synchronous Rectification

Control mode

Voltage mode

Operating temperature range (°C)

-30 to 85

Iq (typ) (A)

0.0004

Duty cycle (max) (%)

100

Package

WSON (DSC)-10-9 mm² 3 x 3

Features

  • VOUT = 0.8 V or 1.2 V
  • VIN = 2.5 V to 5.5 V
  • 1.5-A Maximum Load Capability
  • 3.3-MHz (Typical) PWM Fixed Switching Frequency Allows Use of 1-µH Inductor
  • ±3% DC Output Voltage Precision
  • 0.01-µA (Typical) Shutdown Current
  • Internal Synchronous Rectification for High Efficiency
  • Internal Soft Start
  • Current Overload and Thermal Shutdown Protection

All trademarks are the property of their respective owners.

  • VOUT = 0.8 V or 1.2 V
  • VIN = 2.5 V to 5.5 V
  • 1.5-A Maximum Load Capability
  • 3.3-MHz (Typical) PWM Fixed Switching Frequency Allows Use of 1-µH Inductor
  • ±3% DC Output Voltage Precision
  • 0.01-µA (Typical) Shutdown Current
  • Internal Synchronous Rectification for High Efficiency
  • Internal Soft Start
  • Current Overload and Thermal Shutdown Protection

All trademarks are the property of their respective owners.

Description

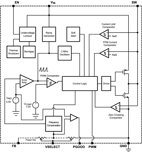
The LM3678 step-down DC-DC converter is optimized for powering low-voltage circuits from a single Li-Ion cell battery and input voltage rails from 2.5 V to 5.5 V. It provides up to 1.5-A load current, over the entire input voltage range. LM3678 offers a 0.8V or 1.2V option. One of the pair of voltages is set through the VSELECT pin.

LM3678 operates in PWM mode with a fixed frequency of 3.3 MHz. Internal synchronous rectification provides high efficiency during PWM mode operation. In shutdown mode, the device turns off and reduces battery consumption to 0.01 µA (typical).

The LM3678 is available in a 3mm x 3mm DSC-10 package. A high switching frequency of 3.3 MHz (typical) allows use of tiny surface-mount components. Only three external surface-mount components, an inductor and two ceramic capacitors, are required (solution size less than 33 mm2). For voltages other than the voltage shown, contact TI or your distributor.

The LM3678 step-down DC-DC converter is optimized for powering low-voltage circuits from a single Li-Ion cell battery and input voltage rails from 2.5 V to 5.5 V. It provides up to 1.5-A load current, over the entire input voltage range. LM3678 offers a 0.8V or 1.2V option. One of the pair of voltages is set through the VSELECT pin.

LM3678 operates in PWM mode with a fixed frequency of 3.3 MHz. Internal synchronous rectification provides high efficiency during PWM mode operation. In shutdown mode, the device turns off and reduces battery consumption to 0.01 µA (typical).

The LM3678 is available in a 3mm x 3mm DSC-10 package. A high switching frequency of 3.3 MHz (typical) allows use of tiny surface-mount components. Only three external surface-mount components, an inductor and two ceramic capacitors, are required (solution size less than 33 mm2). For voltages other than the voltage shown, contact TI or your distributor.

Subscribe to Welllinkchips !
Your Name
* Email
Submit a request