0
SN74HC682
  • SN74HC682
  • SN74HC682
  • SN74HC682

SN74HC682

ACTIVE

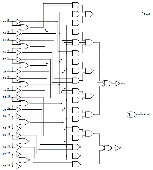
8-Bit Identity/Magnitude Comparators

Texas Instruments SN74HC682 Product Info

1 April 2026 4

Parameters

Technology family

HC

Bits (#)

8

Rating

Catalog

Operating temperature range (°C)

-40 to 85

Package

PDIP (N)-20-228.702 mm² 24.33 x 9.4

Features

  • Wide operating voltage range of 2 V to 6 V
  • High-current outputs drive up to 10 LSTTL loads
  • Typical tpd = 22 ns
  • ±4-mA output drive at 5 V
  • Compare two 8-bit words
  • 100-kΩ pullup resistors are on the Q inputs
  • Wide operating voltage range of 2 V to 6 V
  • High-current outputs drive up to 10 LSTTL loads
  • Typical tpd = 22 ns
  • ±4-mA output drive at 5 V
  • Compare two 8-bit words
  • 100-kΩ pullup resistors are on the Q inputs

Description

SN74HC682:8-Bit Identity/Magnitude Comparators.Package:PDIP (N)-20-228.702 mm² 24.33 x 9.4

Subscribe to Welllinkchips !
Your Name
* Email
Submit a request