0
LM3406
  • LM3406
  • LM3406
  • LM3406
  • LM3406

LM3406

ACTIVE

42-V 1.5-A constant current buck LED driver

Texas Instruments LM3406 Product Info

1 April 2026 0

Parameters

Input voltage type

DC/DC

Topology

Buck

Vin (min) (V)

6

Vin (max) (V)

42

Vout (max) (V)

40

Vout (min) (V)

0.2

Iout (max) (A)

1.5

Iq (typ) (mA)

1.2

Features

Adjustable Switch Frequency, Enable/Shutdown, Integrated Switch, Precision Dimming Control, Thermal shutdown

Operating temperature range (°C)

-40 to 125

Dimming method

2-Wire, PWM

Number of channels

1

Rating

Catalog

Package

HTSSOP (PWP)-14-32 mm² 5 x 6.4

Features

  • LM3406HV-Q1
    • Automotive Grade Device
    • AEC-Q100 Grade 1 Qualified
    • Operating Ambient Temperature: –40°C to 125°C
  • Integrated 2.0A MOSFET
  • VIN Range 6V to 42V (LM3406)
  • VIN Range 6V to 75V (LM3406HV)
  • VIN Range 6V to 75V (LM3406HV-Q1)
  • True Average Output Current Control
  • 1.7A Minimum Output Current Limit Over Temperature
  • Cycle-by-Cycle Current Limit
  • PWM Dimming with Dedicated Logic Input
  • PWM Dimming with Power Input Voltage
  • Simple Control Loop Compensation
  • Low Power Shutdown
  • Supports All-Ceramic Output Capacitors and Capacitor-less Outputs
  • Thermal Shutdown Protection
  • TSSOP-14 Package
  • LM3406HV-Q1
    • Automotive Grade Device
    • AEC-Q100 Grade 1 Qualified
    • Operating Ambient Temperature: –40°C to 125°C
  • Integrated 2.0A MOSFET
  • VIN Range 6V to 42V (LM3406)
  • VIN Range 6V to 75V (LM3406HV)
  • VIN Range 6V to 75V (LM3406HV-Q1)
  • True Average Output Current Control
  • 1.7A Minimum Output Current Limit Over Temperature
  • Cycle-by-Cycle Current Limit
  • PWM Dimming with Dedicated Logic Input
  • PWM Dimming with Power Input Voltage
  • Simple Control Loop Compensation
  • Low Power Shutdown
  • Supports All-Ceramic Output Capacitors and Capacitor-less Outputs
  • Thermal Shutdown Protection
  • TSSOP-14 Package

Description

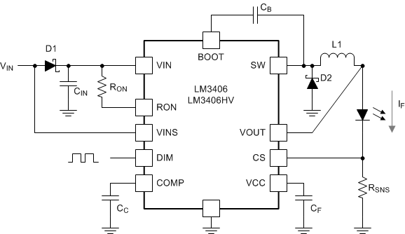
The LM3406 family are monolithic switching regulators designed to deliver constant currents to high power LEDs. Ideal for automotive, industrial, and general lighting applications, they contain a high-side N-channel MOSFET switch with a current limit of 2.0A (typical) for step-down (Buck) regulators. Controlled on-time with true average current and an external current sense resistor allow the converter output voltage to adjust as needed to deliver a constant current to series and series-parallel connected LED arrays of varying number and type. LED dimming via pulse width modulation (PWM) is achieved using a dedicated logic pin or by PWM of the power input voltage. The product feature set is rounded out with low-power shutdown and thermal shutdown protection.

The LM3406 family are monolithic switching regulators designed to deliver constant currents to high power LEDs. Ideal for automotive, industrial, and general lighting applications, they contain a high-side N-channel MOSFET switch with a current limit of 2.0A (typical) for step-down (Buck) regulators. Controlled on-time with true average current and an external current sense resistor allow the converter output voltage to adjust as needed to deliver a constant current to series and series-parallel connected LED arrays of varying number and type. LED dimming via pulse width modulation (PWM) is achieved using a dedicated logic pin or by PWM of the power input voltage. The product feature set is rounded out with low-power shutdown and thermal shutdown protection.

Subscribe to Welllinkchips !
Your Name
* Email
Submit a request