0
SN65HVD08
  • SN65HVD08
  • SN65HVD08
  • SN65HVD08
  • SN65HVD08

SN65HVD08

ACTIVE

3.3/5-V RS-485 Transceiver

Texas Instruments SN65HVD08 Product Info

1 April 2026 0

Parameters

Number of receivers

1

Number of transmitters

1

Duplex

Half

Supply voltage (nom) (V)

3.3, 5

Signaling rate (max) (Mbps)

10

Fault protection (V)

-9 to 14

Common-mode range (V)

-7 to 12

Number of nodes

256

Isolated

No

Supply current (max) (µA)

16000

Rating

Catalog

Operating temperature range (°C)

-40 to 85

Package

PDIP (P)-8-92.5083 mm² 9.81 x 9.43

Features

  • Operates with a 3-V to 5.5-V supply
  • Consumes less than 90-mW Quiescent power
  • Open-circuit, short-circuit, and idle-bus failsafe receiver
  • 1/8th Unit-load (up to 256 nodes on the bus)
  • Bus-pin ESD protection exceeds 16-kV HBM
  • Driver output voltage slew-rate limited for optimum signal quality at 10 Mbps
  • Electrically compatible with ANSI TIA/EIA-485 standard
  • Operates with a 3-V to 5.5-V supply
  • Consumes less than 90-mW Quiescent power
  • Open-circuit, short-circuit, and idle-bus failsafe receiver
  • 1/8th Unit-load (up to 256 nodes on the bus)
  • Bus-pin ESD protection exceeds 16-kV HBM
  • Driver output voltage slew-rate limited for optimum signal quality at 10 Mbps
  • Electrically compatible with ANSI TIA/EIA-485 standard

Description

The SN65HVD08 combines a 3-state differential line driver and differential line receiver designed for balanced data transmission and interoperation with ANSI TIA/EIA-485-A and ISO-8482E standard-compliant devices.

The wide supply voltage range and low quiescent current requirements allow the SN65HVD08s to operate from a 5-V power bus in the cable with as much as a 2-V line voltage drop. Busing power in the cable can alleviate the need for isolated power to be generated at each connection of a ground-isolated bus.

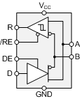
The driver differential outputs and receiver differential inputs connect internally to form a differential input/output (I/O) bus port that is designed to offer minimum loading to the bus whenever the driver is disabled or not powered. The drivers and receivers have active-high and active-low enables respectively, which can be externally connected together to function as a direction control.

The SN65HVD08 combines a 3-state differential line driver and differential line receiver designed for balanced data transmission and interoperation with ANSI TIA/EIA-485-A and ISO-8482E standard-compliant devices.

The wide supply voltage range and low quiescent current requirements allow the SN65HVD08s to operate from a 5-V power bus in the cable with as much as a 2-V line voltage drop. Busing power in the cable can alleviate the need for isolated power to be generated at each connection of a ground-isolated bus.

The driver differential outputs and receiver differential inputs connect internally to form a differential input/output (I/O) bus port that is designed to offer minimum loading to the bus whenever the driver is disabled or not powered. The drivers and receivers have active-high and active-low enables respectively, which can be externally connected together to function as a direction control.

Subscribe to Welllinkchips !
Your Name
* Email
Submit a request