0
LM2698
  • LM2698
  • LM2698
  • LM2698
  • LM2698

LM2698

ACTIVE

SIMPLE SWITCHER® 1.35A Boost Regulator

Texas Instruments LM2698 Product Info

1 April 2026 0

Parameters

Rating

Catalog

Topology

Boost, Flyback, Forward, SEPIC

Vin (max) (V)

12

Vin (min) (V)

2.2

Vout (max) (V)

17

Vout (min) (V)

2.2

Switch current limit (typ) (A)

1.35

Features

Enable, Nonsynchronous rectification

Operating temperature range (°C)

-40 to 125

Iq (typ) (A)

0.0013

Duty cycle (max) (%)

85

Package

VSSOP (DGK)-8-14.7 mm² 3 x 4.9

Features

  • 1.9-A, 0.2-Ω Internal Switch (Typical)
  • Operating Voltage as Low as 2.2 V
  • 600 kHz to 1.25 MHz Adjustable Frequency Operation
  • Switchers Made Simple® Software
  • 8-Pin VSSOP Package
  • 1.9-A, 0.2-Ω Internal Switch (Typical)
  • Operating Voltage as Low as 2.2 V
  • 600 kHz to 1.25 MHz Adjustable Frequency Operation
  • Switchers Made Simple® Software
  • 8-Pin VSSOP Package

Description

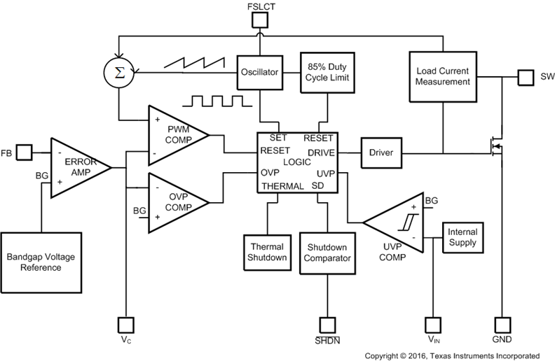
The LM2698 device is a general purpose PWM boost converter. The 1.9-A, 18-V, 0.2-Ω internal switch enables the LM2698 to provide efficient power conversion to outputs ranging from 2.2 V to 17 V. It can operate with input voltages as low as 2.2 V and as high as 12 V. Current-mode architecture provides superior line and load regulation and simple frequency compensation over the device’s 2.2 V to 12 V input voltage range. The LM2698 sets the standard in power density and is capable of supplying 12 V at 400 mA from a 5-V input. The LM2698 can also be used in flyback or SEPIC topologies.

The LM2698 SIMPLE SWITCHER® features a pin selectable switching frequency of either 600 kHz or 1.25 MHz. This promotes flexibility in component selection and filtering techniques. A shutdown pin is available to suspend the device and decrease the quiescent current to 5 µA. An external compensation pin gives the user flexibility in setting frequency compensation, which makes possible the use of small, low-ESR ceramic capacitors at the output. Switchers Made Simple® software is available to ensure a quick, easy, and assured design. The LM2698 is available in a low-profile, 8-pin VSSOP (DGK) package.

The LM2698 device is a general purpose PWM boost converter. The 1.9-A, 18-V, 0.2-Ω internal switch enables the LM2698 to provide efficient power conversion to outputs ranging from 2.2 V to 17 V. It can operate with input voltages as low as 2.2 V and as high as 12 V. Current-mode architecture provides superior line and load regulation and simple frequency compensation over the device’s 2.2 V to 12 V input voltage range. The LM2698 sets the standard in power density and is capable of supplying 12 V at 400 mA from a 5-V input. The LM2698 can also be used in flyback or SEPIC topologies.

The LM2698 SIMPLE SWITCHER® features a pin selectable switching frequency of either 600 kHz or 1.25 MHz. This promotes flexibility in component selection and filtering techniques. A shutdown pin is available to suspend the device and decrease the quiescent current to 5 µA. An external compensation pin gives the user flexibility in setting frequency compensation, which makes possible the use of small, low-ESR ceramic capacitors at the output. Switchers Made Simple® software is available to ensure a quick, easy, and assured design. The LM2698 is available in a low-profile, 8-pin VSSOP (DGK) package.

Subscribe to Welllinkchips !
Your Name
* Email
Submit a request