0
LM10502
  • LM10502
  • LM10502
  • LM10502

LM10502

ACTIVE

2MHz, 1A/1A Dual Step-Down Converters + Low-Dropout Linear Regulator Key Specifications Key Specifications

Texas Instruments LM10502 Product Info

1 April 2026 0

Parameters

Product type

Processor and FPGA

Regulated outputs (#)

3

Step-down DC/DC converter

2

Step-up DC/DC converter

0

LDO

1

Vin (min) (V)

0

Vin (max) (V)

5.5

Vout (min) (V)

0.7

Vout (max) (V)

3.6

Iout (max) (A)

1

Configurability

Factory programmable

Features

Comm control, Power sequencing

Rating

Catalog

Operating temperature range (°C)

-30 to 125

Step-down DC/DC controller

0

Step-up DC/DC controller

0

Iq (typ) (mA)

0.07

Switching frequency (max) (kHz)

2300

Shutdown current (ISD) (typ) (µA)

130

Switching frequency (typ) (kHz)

2000

Package

DSBGA (YZR)-25-7.5625 mm² 2.75 x 2.75

Features

  • Two Highly Efficient Programmable Buck Regulators
    • Integrated FETs with Low RDSON
    • Bucks Operate with Their Phases Shifted to Reduce
      the Input Current Ripple and Capacitor Size
    • Programmable Output Voltage via the SPI interface
    • Overvoltage and Undervoltage Lockout
    • Automatic Internal Soft Start with Power-on Reset
    • PFM Mode for Low-Load, High-Efficiency Operation
  • Low-Dropout LDO 3.0V, 250 mA
  • SPI-Programmable Interrupt Comparator (2.0V to 4.0V) to
    Monitor VIN

Key Specifications

  • LM10502 - Programmable Buck Regulators:
    • Buck 1: 1.1V to 3.6V; 1A
    • Buck 2: 0.7V to 1.335V; 1A
  • ±3% Feedback Voltage Accuracy
  • Up to 95% Efficient Buck Regulators
  • 2MHz Switching Frequency for Smaller Inductor Size
  • 2.5 7times; 2.5 mm, 0.5 mm Pitch DSBGA Package

All trademarks are the property of their respective owners.

  • Two Highly Efficient Programmable Buck Regulators
    • Integrated FETs with Low RDSON
    • Bucks Operate with Their Phases Shifted to Reduce
      the Input Current Ripple and Capacitor Size
    • Programmable Output Voltage via the SPI interface
    • Overvoltage and Undervoltage Lockout
    • Automatic Internal Soft Start with Power-on Reset
    • PFM Mode for Low-Load, High-Efficiency Operation
  • Low-Dropout LDO 3.0V, 250 mA
  • SPI-Programmable Interrupt Comparator (2.0V to 4.0V) to
    Monitor VIN

Key Specifications

  • LM10502 - Programmable Buck Regulators:
    • Buck 1: 1.1V to 3.6V; 1A
    • Buck 2: 0.7V to 1.335V; 1A
  • ±3% Feedback Voltage Accuracy
  • Up to 95% Efficient Buck Regulators
  • 2MHz Switching Frequency for Smaller Inductor Size
  • 2.5 7times; 2.5 mm, 0.5 mm Pitch DSBGA Package

All trademarks are the property of their respective owners.

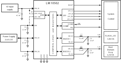
Description

The LM10502 are advanced PMUs each containing two configurable, high-efficiency buck regulators for supplying variable voltages. The device is ideal for supporting ASIC and SOC designs for Solid-State and Flash drives.

The LM10502 operate cooperatively with the application ASIC to optimize the supply voltage for low-power conditions and Power Saving modes via the SPI interface. It also supports a 250 mA LDO and a programmable Interrupt Comparator to monitor VIN.

The LM10502 are advanced PMUs each containing two configurable, high-efficiency buck regulators for supplying variable voltages. The device is ideal for supporting ASIC and SOC designs for Solid-State and Flash drives.

The LM10502 operate cooperatively with the application ASIC to optimize the supply voltage for low-power conditions and Power Saving modes via the SPI interface. It also supports a 250 mA LDO and a programmable Interrupt Comparator to monitor VIN.

Subscribe to Welllinkchips !
Your Name
* Email
Submit a request