0
DS99R421-Q1
  • DS99R421-Q1
  • DS99R421-Q1

DS99R421-Q1

ACTIVE

5-43 MHz FPD-Link LVDS (3 Data + 1 Clk) to FPD-Link II LVDS (Embedded Clk DC-Balanced) Conv

Texas Instruments DS99R421-Q1 Product Info

1 April 2026 0

Parameters

Applications

In-vehicle Infotainment (IVI)

Input compatibility

FPD-Link LVDS

Function

Serializer

Output compatibility

FPD-Link LVDS

Color depth (bpp)

18

Features

Low-EMI Point-to-Point Communication

EMI reduction

LVDS

Diagnostics

BIST

Rating

Automotive

Operating temperature range (°C)

-40 to 105

Package

WQFN (NJK)-36-36 mm² 6 x 6

Features

  • 5 MHz–43 MHz Embedded Clock & DC-Balanced Data Transmission (21 Total LVDS Data Bits Plus 3 Low Speed LVCMOS Data Bits)
  • User Adjustable Pre-Emphasis Driving Ability Through External Resistor on LVDS Outputs and Capable to Drive up to 10 Meters Shielded Twisted-Pair Cable
  • Supports AC-Coupling Data Transmission
  • 100Ω Integrated Termination Resistor at LVDS Input
  • Power-Down Control
  • Available @SPEED BIST to DS90UR124 to Validate Link Integrity
  • All LVCMOS Inputs & Control Pins Have Internal Pulldown
  • Schmitt Trigger Inputs on OS[2:0] to Minimize Metastable Conditions
  • Outputs Tri-Stated Through DEN
  • On-Chip Filters for PLLs
  • Power Supply Range 3.3V ± 10%
  • Automotive Temperature Range −40°C to +105°C
  • Greater Than 8kV ESD Tolerance
  • Meets ISO 10605 ESD and AEC-Q100 Compliance

All trademarks are the property of their respective owners.

  • 5 MHz–43 MHz Embedded Clock & DC-Balanced Data Transmission (21 Total LVDS Data Bits Plus 3 Low Speed LVCMOS Data Bits)
  • User Adjustable Pre-Emphasis Driving Ability Through External Resistor on LVDS Outputs and Capable to Drive up to 10 Meters Shielded Twisted-Pair Cable
  • Supports AC-Coupling Data Transmission
  • 100Ω Integrated Termination Resistor at LVDS Input
  • Power-Down Control
  • Available @SPEED BIST to DS90UR124 to Validate Link Integrity
  • All LVCMOS Inputs & Control Pins Have Internal Pulldown
  • Schmitt Trigger Inputs on OS[2:0] to Minimize Metastable Conditions
  • Outputs Tri-Stated Through DEN
  • On-Chip Filters for PLLs
  • Power Supply Range 3.3V ± 10%
  • Automotive Temperature Range −40°C to +105°C
  • Greater Than 8kV ESD Tolerance
  • Meets ISO 10605 ESD and AEC-Q100 Compliance

All trademarks are the property of their respective owners.

Description

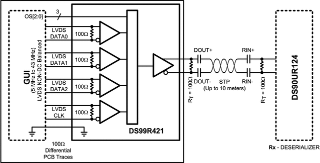
The DS99R421 converts a FPD-Link input with 4 non-DC Balanced LVDS (3 LVDS Data + LVDS Clock) plus 3 over-sampled low speed control bits into a single LVDS DC-balanced serial stream with embedded clock information. This single serial stream simplifies transferring the 24-bit bus over a single differential pair of PCB traces and cable by eliminating the skew problems between the 3 parallel LVDS data inputs and LVDS clock paths. It saves system cost by narrowing 4 LVDS pairs to 1 LVDS pair that in turn reduce PCB layers, cable width, connector size, and pins.

The DS99R421 incorporates a single serialized LVDS signal on the high-speed I/O. Embedded clock LVDS provides a low power and low noise environment for reliably transferring data over a serial transmission path. By optimizing the converter output edge rate for the operating frequency range EMI is further reduced.

In addition the device features pre-emphasis to boost signals over longer distances using lossy cables. Internal DC balanced encoding is used to support AC-Coupled interconnects.

The DS99R421 converts a FPD-Link input with 4 non-DC Balanced LVDS (3 LVDS Data + LVDS Clock) plus 3 over-sampled low speed control bits into a single LVDS DC-balanced serial stream with embedded clock information. This single serial stream simplifies transferring the 24-bit bus over a single differential pair of PCB traces and cable by eliminating the skew problems between the 3 parallel LVDS data inputs and LVDS clock paths. It saves system cost by narrowing 4 LVDS pairs to 1 LVDS pair that in turn reduce PCB layers, cable width, connector size, and pins.

The DS99R421 incorporates a single serialized LVDS signal on the high-speed I/O. Embedded clock LVDS provides a low power and low noise environment for reliably transferring data over a serial transmission path. By optimizing the converter output edge rate for the operating frequency range EMI is further reduced.

In addition the device features pre-emphasis to boost signals over longer distances using lossy cables. Internal DC balanced encoding is used to support AC-Coupled interconnects.

Subscribe to Welllinkchips !
Your Name
* Email
Submit a request