0
LM3444
  • LM3444
  • LM3444
  • LM3444
  • LM3444
  • LM3444

LM3444

ACTIVE

AC-DC offline LED driver

Texas Instruments LM3444 Product Info

1 April 2026 0

Parameters

Input voltage type

AC/DC

Topology

Buck, Flyback

Vin (min) (V)

8

Vin (max) (V)

13

Vout (max) (V)

60

Vout (min) (V)

9

Iout (max) (A)

2

Iq (typ) (mA)

1.58

Features

Adjustable Switch Frequency, Thermal shutdown

Operating temperature range (°C)

-40 to 125

Dimming method

Analog

Number of channels

1

Rating

Catalog

Package

SOIC (D)-8-29.4 mm² 4.9 x 6

Features

  • Application Voltage Range: 80 VAC to 277 VAC
  • Capable of Controlling LED Currents
    Greater than 1 A
  • Adjustable Switching Frequency
  • Low Quiescent Current
  • Adaptive Programmable Off-Time Allows for
    Constant Ripple Current
  • Thermal Shutdown
  • No Flicker at 120 Hz
  • Low-Profile 10-Pin VSSOP Package
    or 8-Lead SOIC Package
  • Patented Drive Architecture
  • Application Voltage Range: 80 VAC to 277 VAC
  • Capable of Controlling LED Currents
    Greater than 1 A
  • Adjustable Switching Frequency
  • Low Quiescent Current
  • Adaptive Programmable Off-Time Allows for
    Constant Ripple Current
  • Thermal Shutdown
  • No Flicker at 120 Hz
  • Low-Profile 10-Pin VSSOP Package
    or 8-Lead SOIC Package
  • Patented Drive Architecture

Description

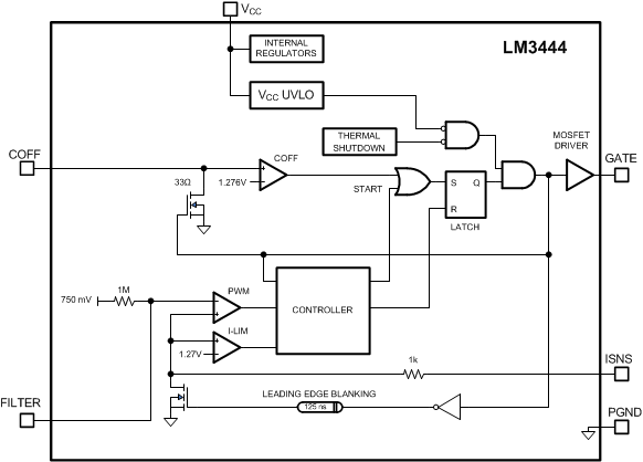
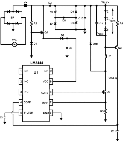
The LM3444 is an adaptive constant off-time AC/DC buck (step-down) constant current controller that provides a constant current for illuminating high power LEDs. The high-frequency capable architecture allows the use of small external passive components. A passive PFC circuit ensures good power factor by drawing current directly from the line for most of the cycle, and provides a constant positive voltage to the buck regulator. Additional features include thermal shutdown, current limit and VCC undervoltage lockout. The LM3444 is available in a low profile 10-pin VSSOP package or an 8-lead SOIC package.

The LM3444 is an adaptive constant off-time AC/DC buck (step-down) constant current controller that provides a constant current for illuminating high power LEDs. The high-frequency capable architecture allows the use of small external passive components. A passive PFC circuit ensures good power factor by drawing current directly from the line for most of the cycle, and provides a constant positive voltage to the buck regulator. Additional features include thermal shutdown, current limit and VCC undervoltage lockout. The LM3444 is available in a low profile 10-pin VSSOP package or an 8-lead SOIC package.

Subscribe to Welllinkchips !
Your Name
* Email
Submit a request