0
DS90UB964-Q1
  • DS90UB964-Q1
  • DS90UB964-Q1
  • DS90UB964-Q1

DS90UB964-Q1

ACTIVE

Quad 1 MP camera hub FPD-Link III deserializer with dual CSI-2 output ports for 1 MP cameras

Texas Instruments DS90UB964-Q1 Product Info

1 April 2026 1

Parameters

Applications

Advanced Driver Assistance Systems (ADAS)

Input compatibility

FPD-Link III LVDS

Function

Deserializer

Output compatibility

MIPI CSI-2

Color depth (bpp)

12

Features

Low-EMI Point-to-Point Communication

Signal conditioning

Adaptive Equalizer

EMI reduction

LVDS

Diagnostics

BIST

Rating

Automotive

Operating temperature range (°C)

-40 to 105

Package

VQFN (RGC)-64-81 mm² 9 x 9

Features

  • AEC-Q100 qualified for automotive applications:
    • Device temperature grade 2: –40℃ to +105℃ ambient operating temperature range
    • Device HBM ESD classification level ±4kV
    • Device CDM ESD classification level C6
  • Aggregates data from up to 4 sensors over FPD-Link III interface
  • Supports 1-megapixel sensors with HD 720p/800p/960p resolution at 30Hz or 60Hz frame rate
  • Multi-camera synchronization
  • MIPI D-PHY version 1.2 / CSI-2 version 1.3 compliant
    • 2 × MIPI CSI-2 output ports
    • Supports 1, 2, 3, 4 data lanes per CSI-2 port
    • CSI-2 data rate scalable for 400Mbps / 800Mbps / 1.5Gbps / 1.6Gbps per data lane
    • Programmable data types
    • Four virtual channels
    • ECC and CRC generation
  • Supports single-ended coaxial including Power-over-Coax (PoC) or Shielded Twisted-Pair (STP) cable
  • Adaptive receive equalization
  • I2C with fast-mode plus up to 1Mbps
  • Flexible GPIOs for sensor synchronization and diagnostics
  • Compatible with DS90UB933-Q1/DS90UB913A-Q1 serializers
  • CRC protection on the internal data path
  • ISO 10605 and IEC 61000-4-2 ESD compliant
  • AEC-Q100 qualified for automotive applications:
    • Device temperature grade 2: –40℃ to +105℃ ambient operating temperature range
    • Device HBM ESD classification level ±4kV
    • Device CDM ESD classification level C6
  • Aggregates data from up to 4 sensors over FPD-Link III interface
  • Supports 1-megapixel sensors with HD 720p/800p/960p resolution at 30Hz or 60Hz frame rate
  • Multi-camera synchronization
  • MIPI D-PHY version 1.2 / CSI-2 version 1.3 compliant
    • 2 × MIPI CSI-2 output ports
    • Supports 1, 2, 3, 4 data lanes per CSI-2 port
    • CSI-2 data rate scalable for 400Mbps / 800Mbps / 1.5Gbps / 1.6Gbps per data lane
    • Programmable data types
    • Four virtual channels
    • ECC and CRC generation
  • Supports single-ended coaxial including Power-over-Coax (PoC) or Shielded Twisted-Pair (STP) cable
  • Adaptive receive equalization
  • I2C with fast-mode plus up to 1Mbps
  • Flexible GPIOs for sensor synchronization and diagnostics
  • Compatible with DS90UB933-Q1/DS90UB913A-Q1 serializers
  • CRC protection on the internal data path
  • ISO 10605 and IEC 61000-4-2 ESD compliant

Description

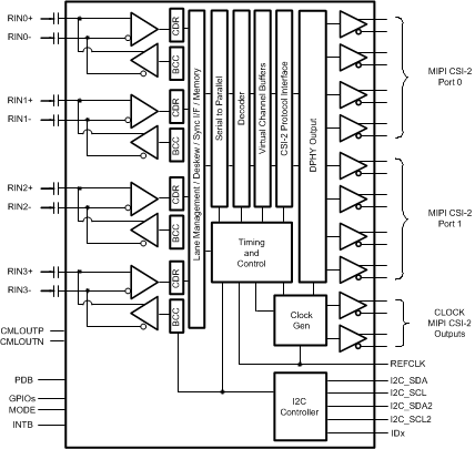
The DS90UB964-Q1 is a versatile sensor hub capable of connecting serialized sensor data received from four independent video data streams through an FPD-Link III interface. When coupled with DS90UB913A-Q1/933-Q1 serializers, the DS90UB964-Q1 receives data from 1-Megapixel image sensors supporting 720p/800p/960p resolution at 30Hz or 60Hz frame rates. Data is received and aggregated into a MIPI CSI-2 compliant output for interconnect to a downstream processor. A second MIPI CSI-2 output port is available to provide additional bandwidth, or offers a second replicated output for data-logging and parallel processing.

The DS90UB964-Q1 includes four FPD-Link III deserializers, each enabling a connection through cost-effective 50Ω single-ended coaxial or 100Ω differential STP cables. The receive equalizers automatically adapt to compensate for cable loss characteristics, including degradation over time.

Each of the FPD-Link III interfaces also includes a separate low latency bidirectional control channel that continuously conveys I2C, GPIOs, and other control information. General-purpose I/O signals such as those required for camera synchronization and diagnostics features also make use of this bidirectional control channel.

The DS90UB964-Q1 is AEC-Q100 qualified for automotive applications and is offered in a cost-effective and space-saving 64 pin VQFN package.

The DS90UB964-Q1 is a versatile sensor hub capable of connecting serialized sensor data received from four independent video data streams through an FPD-Link III interface. When coupled with DS90UB913A-Q1/933-Q1 serializers, the DS90UB964-Q1 receives data from 1-Megapixel image sensors supporting 720p/800p/960p resolution at 30Hz or 60Hz frame rates. Data is received and aggregated into a MIPI CSI-2 compliant output for interconnect to a downstream processor. A second MIPI CSI-2 output port is available to provide additional bandwidth, or offers a second replicated output for data-logging and parallel processing.

The DS90UB964-Q1 includes four FPD-Link III deserializers, each enabling a connection through cost-effective 50Ω single-ended coaxial or 100Ω differential STP cables. The receive equalizers automatically adapt to compensate for cable loss characteristics, including degradation over time.

Each of the FPD-Link III interfaces also includes a separate low latency bidirectional control channel that continuously conveys I2C, GPIOs, and other control information. General-purpose I/O signals such as those required for camera synchronization and diagnostics features also make use of this bidirectional control channel.

The DS90UB964-Q1 is AEC-Q100 qualified for automotive applications and is offered in a cost-effective and space-saving 64 pin VQFN package.

Subscribe to Welllinkchips !
Your Name
* Email
Submit a request