0
DS125MB203
  • DS125MB203
  • DS125MB203

DS125MB203

ACTIVE

12.5-Gbps dual port mux and fanout buffer

Texas Instruments DS125MB203 Product Info

1 April 2026 0

Parameters

Type

Mux Buffer

Number of channels

4

Speed (max) (Gbpp)

12.5

Input compatibility

AC-coupling

Protocols

CPRI, Fibre Channel, General purpose, Infiniband, Interlaken, OBSAI, PCIe1, PCIe2, PCIe3, SAS/SATA, sRIO

Operating temperature range (°C)

-40 to 85

Package

WQFN (NJY)-54-55 mm² 10 x 5.5

Features

  • 12.5-Gbps Dual Lane 2:1 Mux, 1:2 Switch or
    Fanout
  • Low 390-mW Total Power (Typical)
  • Advanced Signal Conditioning Features:
    • Receive Equalization up to 30 dB at 6.25 GHz
    • Transmit De-Emphasis up to –12 dB
    • Transmit Output-Voltage Control: 600 mV to
      1300 mV
  • Programmable Through Pin Selection, EEPROM
    or SMBus Interface
  • Selectable 2.5-V or 3.3-V Supply Voltage
  • –40°C to +85°C Operating Temperature Range
  • 12.5-Gbps Dual Lane 2:1 Mux, 1:2 Switch or
    Fanout
  • Low 390-mW Total Power (Typical)
  • Advanced Signal Conditioning Features:
    • Receive Equalization up to 30 dB at 6.25 GHz
    • Transmit De-Emphasis up to –12 dB
    • Transmit Output-Voltage Control: 600 mV to
      1300 mV
  • Programmable Through Pin Selection, EEPROM
    or SMBus Interface
  • Selectable 2.5-V or 3.3-V Supply Voltage
  • –40°C to +85°C Operating Temperature Range

Description

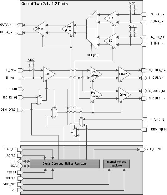
The DS125MB203 device is a dual port 2:1 multiplexer and 1:2 switch or fan-out buffer with signal conditioning suitable for 10GE, 10G-KR (802.3ap), Fibre Channel, PCIe, Infiniband, SATA3/SAS2 and other high-speed bus applications with data rates up to 12.5 Gbps. The continuous time linear equalizer (CTLE) of the receiver provides necessary boost to compensate up to 30-inch FR-4 or 8-m cable (AWG-24) at 12.5 Gbps. This on-chip feature eliminates the need for external signal conditioners. The transmitter features a programmable amplitude voltage levels to be selectable from 600 mVp-p to 1300 mVp-p and de-emphasis of up to 12 dB.

The DS125MB203 can be configured to support PCIe, SAS/SATA, 10G-KR or other signaling protocols. When operating in 10G-KR and PCIe Gen-3 mode, the DS125MB203 transparently allows the host controller and the end point to optimize the full link and negotiate transmit equalizer coefficients. This seamless management of the link training protocol ensures system level interoperability with minimum latency.

The programmable settings can be applied through pin settings, SMBus (I2C) protocol or loaded directly from an external EEPROM. When operating in the EEPROM mode, the configuration information is automatically loaded on power up, which eliminates the need for an external microprocessor or software driver.

The DS125MB203 device is a dual port 2:1 multiplexer and 1:2 switch or fan-out buffer with signal conditioning suitable for 10GE, 10G-KR (802.3ap), Fibre Channel, PCIe, Infiniband, SATA3/SAS2 and other high-speed bus applications with data rates up to 12.5 Gbps. The continuous time linear equalizer (CTLE) of the receiver provides necessary boost to compensate up to 30-inch FR-4 or 8-m cable (AWG-24) at 12.5 Gbps. This on-chip feature eliminates the need for external signal conditioners. The transmitter features a programmable amplitude voltage levels to be selectable from 600 mVp-p to 1300 mVp-p and de-emphasis of up to 12 dB.

The DS125MB203 can be configured to support PCIe, SAS/SATA, 10G-KR or other signaling protocols. When operating in 10G-KR and PCIe Gen-3 mode, the DS125MB203 transparently allows the host controller and the end point to optimize the full link and negotiate transmit equalizer coefficients. This seamless management of the link training protocol ensures system level interoperability with minimum latency.

The programmable settings can be applied through pin settings, SMBus (I2C) protocol or loaded directly from an external EEPROM. When operating in the EEPROM mode, the configuration information is automatically loaded on power up, which eliminates the need for an external microprocessor or software driver.

Subscribe to Welllinkchips !
Your Name
* Email
Submit a request