0
DRV8847
  • DRV8847
  • DRV8847
  • DRV8847
  • DRV8847
  • DRV8847
  • DRV8847
  • DRV8847

DRV8847

ACTIVE

18-V, 2-A dual H-bridge motor driver with current regulation and independent half-bridge con

Texas Instruments DRV8847 Product Info

1 April 2026 0

Parameters

Vs ABS (max) (V)

20

Vs (min) (V)

2.7

Peak output current (A)

2

Control mode

Independent 1/2-Bridge

Control interface

Hardware (GPIO), I2C

Number of full bridges

2

Full-scale current (A)

1

RDS(ON) (HS + LS) (mΩ)

1000

Sleep current (µA)

1.7

Decay mode

Fast, Slow

Features

Current Regulation, Open-Load Detection

Rating

Catalog

Operating temperature range (°C)

-40 to 125

Package

HTSSOP (PWP)-16-32 mm² 5 x 6.4

Features

  • Dual H-bridge motor driver
    • Single or dual-brushed DC motors
    • One bipolar stepper motor
    • Solenoid loads
  • 2.7-V to 18-V operating voltage range
  • High output current per H-bridge
    • 1-A RMS driver current at T A = 25°C
    • 2-A RMS driver current in parallel mode at T A = 25°C
  • Low on-state resistance at VM > 5-V
    • 1000 mΩ R DS(ON) (HS + LS) at T A = 25°C
  • Multiple control interface options
    • 4-Pin interface
    • 2-Pin interface
    • Parallel bridge interface
    • Independent bridge interface
  • Current regulation with 20-µs fixed off-time
  • Torque scalar for scaling output current to 50%
  • Supports 1.8-V, 3.3-V, 5-V logic inputs
  • Low-power sleep mode
    • 1.7-µA Sleep mode supply current at V VM = 12-V, T A = 25°C
  • I 2C Device Variant Available (DRV8847S)
    • Detailed diagnostics on I 2C registers
    • Multi-slave operation support
    • Supports standard and fast I 2C mode
  • Small packages and footprints
    • 16 Pin TSSOP (no thermal pad)
    • 16 Pin HTSSOP PowerPAD™ package
    • 16 Pin WQFN thermal package
  • Built-in protection features
    • VM undervoltage lockout
    • Overcurrent protection
    • Open load detection
    • Thermal shutdown
    • Fault condition indication pin (nFAULT)
  • Dual H-bridge motor driver
    • Single or dual-brushed DC motors
    • One bipolar stepper motor
    • Solenoid loads
  • 2.7-V to 18-V operating voltage range
  • High output current per H-bridge
    • 1-A RMS driver current at T A = 25°C
    • 2-A RMS driver current in parallel mode at T A = 25°C
  • Low on-state resistance at VM > 5-V
    • 1000 mΩ R DS(ON) (HS + LS) at T A = 25°C
  • Multiple control interface options
    • 4-Pin interface
    • 2-Pin interface
    • Parallel bridge interface
    • Independent bridge interface
  • Current regulation with 20-µs fixed off-time
  • Torque scalar for scaling output current to 50%
  • Supports 1.8-V, 3.3-V, 5-V logic inputs
  • Low-power sleep mode
    • 1.7-µA Sleep mode supply current at V VM = 12-V, T A = 25°C
  • I 2C Device Variant Available (DRV8847S)
    • Detailed diagnostics on I 2C registers
    • Multi-slave operation support
    • Supports standard and fast I 2C mode
  • Small packages and footprints
    • 16 Pin TSSOP (no thermal pad)
    • 16 Pin HTSSOP PowerPAD™ package
    • 16 Pin WQFN thermal package
  • Built-in protection features
    • VM undervoltage lockout
    • Overcurrent protection
    • Open load detection
    • Thermal shutdown
    • Fault condition indication pin (nFAULT)

Description

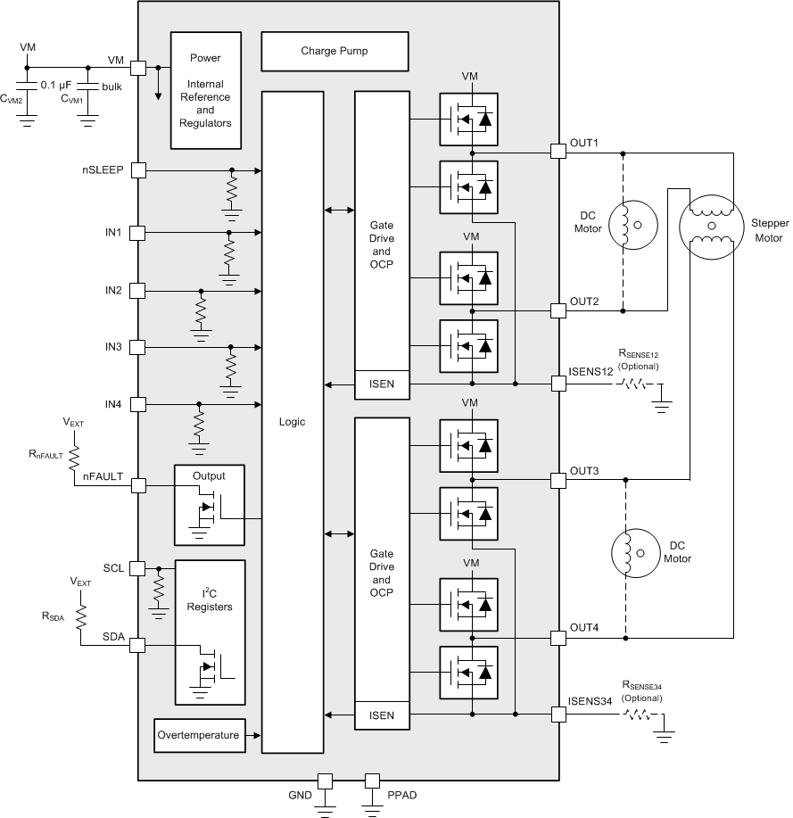
The DRV8847 device is a dual H-bridge motor driver for industrial applications, home appliances, ePOS printers, and other mechatronic applications. This device can be used for driving two DC motors, a bipolar stepper motor, or other loads such as relays. A simple PWM interface allows an easy interface with the controller. The DRV8847 device operates off a single power supply and supports a wide input supply range from 2.7 to 18 V.

The output stage of the driver consists of N-channel power MOSFETs configured as two full H-bridges to drive motor windings or four independent half bridges (in an independent bridge interface). A fixed off time controls the peak current in the bridge which can drive a 1-A load (2-A in parallel mode with proper heat sinking, at 25°C T A).

A low-power sleep mode is provided to achieve a low quiescent current draw by shutting down much of the internal circuitry. Additionally, a torque scalar is provided which dynamically scales the output current through a digital input pin. This feature lets the controller decrease the current required for lower power consumption.

Internal protection functions are provided for undervoltage-lockout, overcurrent protection on each FET, short circuit protection, open-load detection, and overtemperature. Fault conditions are indicated by the nFAULT pin. The I 2C device variant (DRV8847S) has detailed diagnostics.

The DRV8847 device is a dual H-bridge motor driver for industrial applications, home appliances, ePOS printers, and other mechatronic applications. This device can be used for driving two DC motors, a bipolar stepper motor, or other loads such as relays. A simple PWM interface allows an easy interface with the controller. The DRV8847 device operates off a single power supply and supports a wide input supply range from 2.7 to 18 V.

The output stage of the driver consists of N-channel power MOSFETs configured as two full H-bridges to drive motor windings or four independent half bridges (in an independent bridge interface). A fixed off time controls the peak current in the bridge which can drive a 1-A load (2-A in parallel mode with proper heat sinking, at 25°C T A).

A low-power sleep mode is provided to achieve a low quiescent current draw by shutting down much of the internal circuitry. Additionally, a torque scalar is provided which dynamically scales the output current through a digital input pin. This feature lets the controller decrease the current required for lower power consumption.

Internal protection functions are provided for undervoltage-lockout, overcurrent protection on each FET, short circuit protection, open-load detection, and overtemperature. Fault conditions are indicated by the nFAULT pin. The I 2C device variant (DRV8847S) has detailed diagnostics.

Subscribe to Welllinkchips !
Your Name
* Email
Submit a request