0
TPS51312
  • TPS51312
  • TPS51312

TPS51312

ACTIVE

3.1V to 5.5V Input, DCAP2 Mode, 3A, 900KHz Integrated Step-Down Converter

Texas Instruments TPS51312 Product Info

1 April 2026 0

Parameters

Rating

Catalog

Topology

Buck

Iout (max) (A)

3

Vin (max) (V)

5.5

Vin (min) (V)

3.1

Vout (max) (V)

3.3

Vout (min) (V)

0.6

Features

Enable, Light load efficiency, Output discharge, Power good, Pre-Bias Start-Up, Soft Start Fixed, Synchronous Rectification

Control mode

D-CAP2

Operating temperature range (°C)

-40 to 85

Iq (typ) (A)

0.0008

Duty cycle (max) (%)

90

Package

VSON (DRC)-10-9 mm² 3 x 3

Features

  • D-CAP2 Mode Enables Fast Transient Response
  • No External Compensation Required
  • Input Voltage VIN Range: 3.1 V to 5.5 V
  • Bias Voltage VCC Range: 3.1 V to 5.5 V
  • Output Voltage Range: 0.6 V to 3.3 V
  • 0.6-V, 1% Voltage Reference Accuracy
  • Fixed Voltage Servo Soft-Start Function
  • Auto-Skip, Eco-mode for High Efficiency at Light Loads
  • Switching Frequency: 900-kHz
  • UVLO, UVP, OTP and OVP Power Good Output
  • Cycle-By-Cycle Current Limit, Latch-off OCP
  • Thermally Enhanced 3 mm x 3 mm, 10-pin SON (DRC)
  • D-CAP2 Mode Enables Fast Transient Response
  • No External Compensation Required
  • Input Voltage VIN Range: 3.1 V to 5.5 V
  • Bias Voltage VCC Range: 3.1 V to 5.5 V
  • Output Voltage Range: 0.6 V to 3.3 V
  • 0.6-V, 1% Voltage Reference Accuracy
  • Fixed Voltage Servo Soft-Start Function
  • Auto-Skip, Eco-mode for High Efficiency at Light Loads
  • Switching Frequency: 900-kHz
  • UVLO, UVP, OTP and OVP Power Good Output
  • Cycle-By-Cycle Current Limit, Latch-off OCP
  • Thermally Enhanced 3 mm x 3 mm, 10-pin SON (DRC)

Description

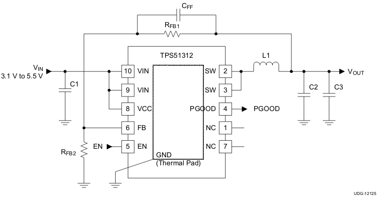
The TPS51312 is a high-efficiency, synchronous, step-down DC/DC converter. It supports 3-A (maximum) of dc output current at output voltages from 0.6 V to 3.3 V. The D-CAP2 mode adaptive on-time control allows a small footprint when designed using all ceramic output capacitors and offers a low external component count. The device also features auto-skip function at light load condition, pre-biased start-up and internally fixed soft-start time. When the device is disabled, the output capacitor is discharged through internal resistor.

The TPS51312 is available in a 3 mm x 3 mm, 10-pin DRC package (Green RoHS compliant and Pb free) and is specified between –40°C and 85°C.

The TPS51312 is a high-efficiency, synchronous, step-down DC/DC converter. It supports 3-A (maximum) of dc output current at output voltages from 0.6 V to 3.3 V. The D-CAP2 mode adaptive on-time control allows a small footprint when designed using all ceramic output capacitors and offers a low external component count. The device also features auto-skip function at light load condition, pre-biased start-up and internally fixed soft-start time. When the device is disabled, the output capacitor is discharged through internal resistor.

The TPS51312 is available in a 3 mm x 3 mm, 10-pin DRC package (Green RoHS compliant and Pb free) and is specified between –40°C and 85°C.

Subscribe to Welllinkchips !
Your Name
* Email
Submit a request