0
LMR54410
  • LMR54410
  • LMR54410

LMR54410

ACTIVE

4V to 36V, 1A, 80-µA Iq synchronous SIMPLE SWITCHER® power converter

Texas Instruments LMR54410 Product Info

1 April 2026 0

Parameters

Rating

Catalog

Topology

Buck

Iout (max) (A)

1

Vin (max) (V)

36

Vin (min) (V)

4

Vout (max) (V)

28

Vout (min) (V)

0.8

Features

Enable, Fixed soft start, Forced PWM, Light-load efficiency, Over Current Protection, Overcurrent protection, Pre-bias startup, Synchronous Rectification, UVLO fixed

Control mode

current mode

Operating temperature range (°C)

-40 to 150

Iq (typ) (A)

0.00008

Duty cycle (max) (%)

98

TI functional safety category

Functional Safety-Capable

Package

SOT-23 (DBV)-6-8.12 mm² 2.9 x 2.8

Features

  • Functional Safety-Capable
  • Configured for rugged industrial applications
    • 4V to 36V input voltage range
    • Withstands up to 50V short VIN transient
    • 0.6A/1A continuous output current
    • 60ns minimum switching on time
    • 1.1MHz fixed switching frequency
    • –40°C to 150°C junction temperature range
    • 98% maximum duty cycle
    • Monotonic start-up with prebiased output
    • Short-circuit protection with hiccup mode
    • Precision enable
    • ±1% tolerance voltage reference
  • Small design size and ease of use
    • Integrated synchronous rectification
    • Internal compensation for ease of use
    • SOT-23 package
  • Pin-to-pin compatible with the LMR14010A, LMR50410, and TPS560430
  • Various options in pin-to-pin compatible package
    • PFM and forced PWM (FPWM) options
  • Functional Safety-Capable
  • Configured for rugged industrial applications
    • 4V to 36V input voltage range
    • Withstands up to 50V short VIN transient
    • 0.6A/1A continuous output current
    • 60ns minimum switching on time
    • 1.1MHz fixed switching frequency
    • –40°C to 150°C junction temperature range
    • 98% maximum duty cycle
    • Monotonic start-up with prebiased output
    • Short-circuit protection with hiccup mode
    • Precision enable
    • ±1% tolerance voltage reference
  • Small design size and ease of use
    • Integrated synchronous rectification
    • Internal compensation for ease of use
    • SOT-23 package
  • Pin-to-pin compatible with the LMR14010A, LMR50410, and TPS560430
  • Various options in pin-to-pin compatible package
    • PFM and forced PWM (FPWM) options

Description

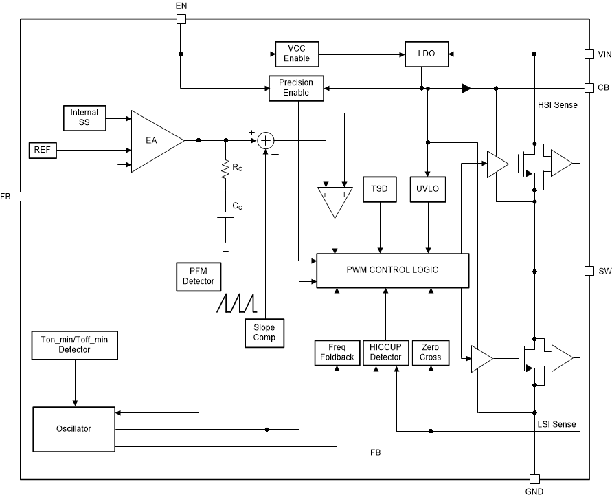
The LMR544xx is a wide-VIN, easy-to-use synchronous buck converter capable of driving up to 1A and 0.6A load current. With a wide input range of 4V to 36V, the device is designed for a wide range of industrial applications for power conditioning from an unregulated source.

The LMR544xx operates at 1.1MHz switching frequency to support use of relatively small inductors for an optimized design size. The devices have a PFM version to realize high efficiency at light load and a FPWM version to achieve constant frequency and small output voltage ripple over the full load range. Soft-start and compensation circuits are implemented internally, which allow the device to be used with minimal external components.

The device has built-in protection features, such as cycle-by-cycle current limit, hiccup mode short-circuit protection, and thermal shutdown in case of excessive power dissipation.

The LMR544xx is a wide-VIN, easy-to-use synchronous buck converter capable of driving up to 1A and 0.6A load current. With a wide input range of 4V to 36V, the device is designed for a wide range of industrial applications for power conditioning from an unregulated source.

The LMR544xx operates at 1.1MHz switching frequency to support use of relatively small inductors for an optimized design size. The devices have a PFM version to realize high efficiency at light load and a FPWM version to achieve constant frequency and small output voltage ripple over the full load range. Soft-start and compensation circuits are implemented internally, which allow the device to be used with minimal external components.

The device has built-in protection features, such as cycle-by-cycle current limit, hiccup mode short-circuit protection, and thermal shutdown in case of excessive power dissipation.

Subscribe to Welllinkchips !
Your Name
* Email
Submit a request