0
TPS92662A-Q1
  • TPS92662A-Q1
  • TPS92662A-Q1

TPS92662A-Q1

ACTIVE

12-Channel high-brightness LED matrix manager for automotive headlight systems

Texas Instruments TPS92662A-Q1 Product Info

1 April 2026 0

Parameters

Number of channels

12

Topology

Floating Switch

Rating

Automotive

TI functional safety category

Functional Safety-Capable

Operating temperature range (°C)

-40 to 125

Vin (min) (V)

4.5

Vin (max) (V)

60

Vout (min) (V)

0

Vout (max) (V)

62

Features

Fault Detection, Hybrid Dimming/Phase Shift, Integrated Switch, LED Open Detection, LED Shorted Detection, Precision Dimming Control, Synchronization Pin, Temperature Compensation

Package

HTQFP (PHP)-48-81 mm² 9 x 9

Features

  • AEC-Q100 qualified for automotive applications
    • Grade 1: –40°C to 125°C ambient operating temperature
    • Device HBM classification level H1C
    • Device CDM classification level C5
  • Input voltage range: 4.5 V to 60 V
  • 12 Integrated bypass switches
  • Multi-drop UART communication interface
    • Compatible with TPS92662-Q1 and TPS92663-Q1 devices
    • Compatible with CAN physical layer
  • Eight-bit ADC with two MUXed inputs
  • Programmable crystal oscillator driver and clock buffer strength
    • Improved radiated and conducted EMI performance
  • External EEPROM I2C interface
  • Programmable 10-bit PWM dimming
  • LED open and short detection and protection
  • Supports multi-LMM synchronization for more than 12-LED string via time division multiplexing
  • AEC-Q100 qualified for automotive applications
    • Grade 1: –40°C to 125°C ambient operating temperature
    • Device HBM classification level H1C
    • Device CDM classification level C5
  • Input voltage range: 4.5 V to 60 V
  • 12 Integrated bypass switches
  • Multi-drop UART communication interface
    • Compatible with TPS92662-Q1 and TPS92663-Q1 devices
    • Compatible with CAN physical layer
  • Eight-bit ADC with two MUXed inputs
  • Programmable crystal oscillator driver and clock buffer strength
    • Improved radiated and conducted EMI performance
  • External EEPROM I2C interface
  • Programmable 10-bit PWM dimming
  • LED open and short detection and protection
  • Supports multi-LMM synchronization for more than 12-LED string via time division multiplexing

Description

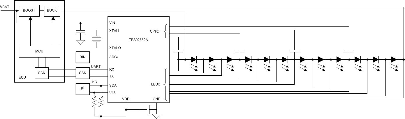
The TPS92662A-Q1 LED matrix manager device enables fully dynamic adaptive lighting solutions by providing individual pixel-level LED control. The device includes four sub-strings of three series-connected integrated switches for bypassing individual LEDs. The individual sub-strings allow the device to accept either single or multiple current sources.

The TPS92662A-Q1 features a programmable Pierce crystal oscillator driver. Optimal performance is achieved by selecting the driver strength based on the quartz crystal or ceramic resonator manufacturers recommendations. The device also incorporates a selectable drive strength clock buffer. The rise and fall times and the EMI generated by clock signal is controlled by varying the drive strength of the clock buffer. When necessary, the clock buffer can be disabled to eliminate the noise generated by the clock signal and provide the lowest EMI performance.

The TPS92662A-Q1 supports the multi-drop universal asynchronous receiver transmitter (UART) serial interface and is compatible with TPS92662-Q1 and TPS92663-Q1 devices. The I2C communication interface can be used to read from and write to an external EEPROM that can store system calibration data.

An on-board 8-bit ADC with two multiplexed inputs can be used for system temperature compensation and used to measure a binning value which allows for LED binning and coding.

The internal charge pump rail supplies the gate drive voltage for the LED bypass switches. The low on-resistance (RDS(on)) of the bypass switch minimizes conduction loss and power dissipation.

The TPS92662A-Q1 and TPS92662-Q1 both incorporate identical register settings for programming phase shift and pulse width of each individual LED in the string and for reporting LED open and short circuit faults.

The TPS92662A-Q1 LED matrix manager device enables fully dynamic adaptive lighting solutions by providing individual pixel-level LED control. The device includes four sub-strings of three series-connected integrated switches for bypassing individual LEDs. The individual sub-strings allow the device to accept either single or multiple current sources.

The TPS92662A-Q1 features a programmable Pierce crystal oscillator driver. Optimal performance is achieved by selecting the driver strength based on the quartz crystal or ceramic resonator manufacturers recommendations. The device also incorporates a selectable drive strength clock buffer. The rise and fall times and the EMI generated by clock signal is controlled by varying the drive strength of the clock buffer. When necessary, the clock buffer can be disabled to eliminate the noise generated by the clock signal and provide the lowest EMI performance.

The TPS92662A-Q1 supports the multi-drop universal asynchronous receiver transmitter (UART) serial interface and is compatible with TPS92662-Q1 and TPS92663-Q1 devices. The I2C communication interface can be used to read from and write to an external EEPROM that can store system calibration data.

An on-board 8-bit ADC with two multiplexed inputs can be used for system temperature compensation and used to measure a binning value which allows for LED binning and coding.

The internal charge pump rail supplies the gate drive voltage for the LED bypass switches. The low on-resistance (RDS(on)) of the bypass switch minimizes conduction loss and power dissipation.

The TPS92662A-Q1 and TPS92662-Q1 both incorporate identical register settings for programming phase shift and pulse width of each individual LED in the string and for reporting LED open and short circuit faults.

Subscribe to Welllinkchips !
Your Name
* Email
Submit a request