0
DAC104S085-Q1
  • DAC104S085-Q1
  • DAC104S085-Q1

DAC104S085-Q1

ACTIVE

Automotive 10-bit, micropower, 4-channel, digital-to-analog converter (DAC) with rail-to-rail output

Texas Instruments DAC104S085-Q1 Product Info

1 April 2026 0

Parameters

Resolution (Bits)

10

Number of DAC channels

4

Interface type

SPI

Output type

Buffered Voltage

Output voltage range (V)

0 to 5.5

INL (max) (±LSB)

2

Settling time (µs)

6

Reference type

Ext

Architecture

String

Rating

Automotive

Sample/update rate (Msps)

2.5

Power consumption (typ) (mW)

1.1

Operating temperature range (°C)

-40 to 125

Product type

General-purpose DAC

Package

VSSOP (DGS)-10-14.7 mm² 3 x 4.9

Features

  • Qualified for Automotive Applications
  • AEC-Q100 Qualified With the Following Results:
    • Device Temperature Grade 1: –40°C to 125°C
      Ambient Operating Temperature
  • Ensured Monotonicity
  • Low Power Operation
  • Rail-to-Rail Voltage Output
  • Power-On Reset to 0 V
  • Simultaneous Output Updating
  • Wide Power Supply Range (2.7 V to 5.5 V)
  • Key Specifications
    • Resolution: 10 bits
    • INL: ±2 LSB (Maximum)
    • DNL: +0.35 / –0.25 LSB (Maximum)
    • Settling Time: 6 µs (Maximum)
    • Zero Code Error: 15 mV (Maximum)
    • Full-Scale Error: –0.75% FS (Maximum)
    • Typical Supply Power
      • Normal Mode: 1.1 mW (3 V), 2.5 mW (5 V)
      • Power Down: 0.3 µW (3 V), 0.8µW (5 V)
  • Qualified for Automotive Applications
  • AEC-Q100 Qualified With the Following Results:
    • Device Temperature Grade 1: –40°C to 125°C
      Ambient Operating Temperature
  • Ensured Monotonicity
  • Low Power Operation
  • Rail-to-Rail Voltage Output
  • Power-On Reset to 0 V
  • Simultaneous Output Updating
  • Wide Power Supply Range (2.7 V to 5.5 V)
  • Key Specifications
    • Resolution: 10 bits
    • INL: ±2 LSB (Maximum)
    • DNL: +0.35 / –0.25 LSB (Maximum)
    • Settling Time: 6 µs (Maximum)
    • Zero Code Error: 15 mV (Maximum)
    • Full-Scale Error: –0.75% FS (Maximum)
    • Typical Supply Power
      • Normal Mode: 1.1 mW (3 V), 2.5 mW (5 V)
      • Power Down: 0.3 µW (3 V), 0.8µW (5 V)

Description

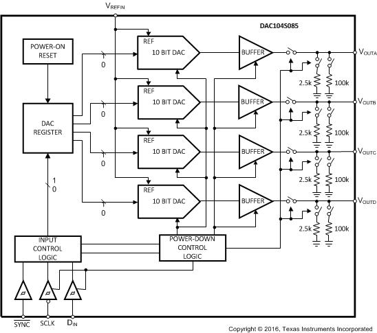
The DAC104S085 device is a full-featured, general-purpose QUAD 10-bit voltage-output digital-to-analog converter (DAC) that can operate from a single 2.7-V to 5.5-V supply and consumes 1.1 mW at 3 V and 2.5 mW at 5 V. The DAC104S085 is packaged in 10-pin SON and VSSOP packages. The 10-pin SON package makes the DAC104S085 the smallest QUAD DAC in its class. The on-chip output amplifier allows rail-to-rail output swing and the three wire serial interface operates at clock rates up to 40 MHz over the entire supply voltage range. Competitive devices are limited to 25-MHz clock rates at supply voltages in the 2.7-V to 3.6-V range. The serial interface is compatible with standard SPI, QSPI, MICROWIRE, and DSP interfaces.

The reference for the DAC104S085 serves all four channels and can vary in voltage between 1 V and VA, providing the widest possible output dynamic range. The DAC104S085 has a 16-bit input shift register that controls the outputs to be updated, the mode of operation, the power-down condition, and the binary input data. All four outputs can be updated simultaneously or individually depending on the setting of the two mode of operation bits.

A power-on reset circuit ensures that the DAC output powers up to zero volts and remains there until there is a valid write to the device. A power-down feature reduces power consumption to less than a microWatt with three different termination options.

The low power consumption and small packages of the DAC104S085 make it an excellent choice for use in battery-operated equipment.

The DAC104S085 is one of a family of pin-compatible DACs, including the 8-bit DAC084S085 and the 12-bit DAC124S085. The DAC104S085 operates over the extended industrial temperature range of –40°C to +125°C.

The DAC104S085 device is a full-featured, general-purpose QUAD 10-bit voltage-output digital-to-analog converter (DAC) that can operate from a single 2.7-V to 5.5-V supply and consumes 1.1 mW at 3 V and 2.5 mW at 5 V. The DAC104S085 is packaged in 10-pin SON and VSSOP packages. The 10-pin SON package makes the DAC104S085 the smallest QUAD DAC in its class. The on-chip output amplifier allows rail-to-rail output swing and the three wire serial interface operates at clock rates up to 40 MHz over the entire supply voltage range. Competitive devices are limited to 25-MHz clock rates at supply voltages in the 2.7-V to 3.6-V range. The serial interface is compatible with standard SPI, QSPI, MICROWIRE, and DSP interfaces.

The reference for the DAC104S085 serves all four channels and can vary in voltage between 1 V and VA, providing the widest possible output dynamic range. The DAC104S085 has a 16-bit input shift register that controls the outputs to be updated, the mode of operation, the power-down condition, and the binary input data. All four outputs can be updated simultaneously or individually depending on the setting of the two mode of operation bits.

A power-on reset circuit ensures that the DAC output powers up to zero volts and remains there until there is a valid write to the device. A power-down feature reduces power consumption to less than a microWatt with three different termination options.

The low power consumption and small packages of the DAC104S085 make it an excellent choice for use in battery-operated equipment.

The DAC104S085 is one of a family of pin-compatible DACs, including the 8-bit DAC084S085 and the 12-bit DAC124S085. The DAC104S085 operates over the extended industrial temperature range of –40°C to +125°C.

Subscribe to Welllinkchips !
Your Name
* Email
Submit a request