0
TPS53513
  • TPS53513
  • TPS53513

TPS53513

ACTIVE

1.5-V to 18-V, 8-A synchronous SWIFT™ buck converter

Texas Instruments TPS53513 Product Info

1 April 2026 0

Parameters

Rating

Catalog

Topology

Buck

Iout (max) (A)

8

Vin (max) (V)

18

Vin (min) (V)

1.5

Vout (max) (V)

5.5

Vout (min) (V)

0.6

Features

Enable, Light-load efficiency, Output discharge, Power good, Prebias startup, Synchronous rectification

Control mode

D-CAP3

Operating temperature range (°C)

-40 to 85

Iq (typ) (A)

0.00135

Duty cycle (max) (%)

80

Package

VQFN-CLIP (RVE)-28-15.75 mm² 4.5 x 3.5

Features

  • Integrated 13.8-mΩ and 5.9-mΩ MOSFETs With
    8-A Continuous Output Current
  • Supports All Ceramic Output Capacitors
  • Reference Voltage 600 mV ±0.5% Tolerance
  • Output Voltage Range: 0.6 V to 5.5 V
  • D-CAP3™ Control Mode With Fast Load-Step Response
  • Auto-Skipping Eco-mode™ for High Light-Load Efficiency
  • FCCM for Tight Output Ripple and Voltage Requirements
  • Eight Selectable Frequency Settings from
    250 kHz to 1 MHz
  • Precharged Start-up Capability
  • Built-in Output Discharge Circuit
  • Open-Drain Power-Good Output
  • 3.5 mm × 4.5 mm, 28-Pin, VQFN Package
  • Create a Custom Design Using the TPS53513 With the WEBENCH® Power Designer
  • Integrated 13.8-mΩ and 5.9-mΩ MOSFETs With
    8-A Continuous Output Current
  • Supports All Ceramic Output Capacitors
  • Reference Voltage 600 mV ±0.5% Tolerance
  • Output Voltage Range: 0.6 V to 5.5 V
  • D-CAP3™ Control Mode With Fast Load-Step Response
  • Auto-Skipping Eco-mode™ for High Light-Load Efficiency
  • FCCM for Tight Output Ripple and Voltage Requirements
  • Eight Selectable Frequency Settings from
    250 kHz to 1 MHz
  • Precharged Start-up Capability
  • Built-in Output Discharge Circuit
  • Open-Drain Power-Good Output
  • 3.5 mm × 4.5 mm, 28-Pin, VQFN Package
  • Create a Custom Design Using the TPS53513 With the WEBENCH® Power Designer

Description

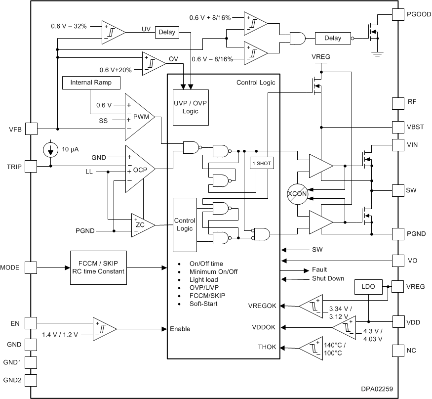
The TPS53513 device is a small-sized, synchronous buck converter with an adaptive on-time D-CAP3 control mode. The device offers ease-of-use and low external-component count for space-conscious power systems.

This device features high-performance integrated MOSFETs, accurate 0.5% 0.6-V reference, and an integrated boost switch. Competitive features include very low external-component count, fast load-transient response, auto-skip mode operation, internal soft-start control, and no requirement for compensation.

A forced continuous conduction mode (FCCM) helps meet tight voltage regulation accuracy requirements for performance DSPs and FPGAs. The TPS53513 device is available in a 28-pin VQFN package and is specified from –40°C to +85°C ambient temperature.

The TPS53513 device is a small-sized, synchronous buck converter with an adaptive on-time D-CAP3 control mode. The device offers ease-of-use and low external-component count for space-conscious power systems.

This device features high-performance integrated MOSFETs, accurate 0.5% 0.6-V reference, and an integrated boost switch. Competitive features include very low external-component count, fast load-transient response, auto-skip mode operation, internal soft-start control, and no requirement for compensation.

A forced continuous conduction mode (FCCM) helps meet tight voltage regulation accuracy requirements for performance DSPs and FPGAs. The TPS53513 device is available in a 28-pin VQFN package and is specified from –40°C to +85°C ambient temperature.

Subscribe to Welllinkchips !
Your Name
* Email
Submit a request