0
TPS2376-H
  • TPS2376-H
  • TPS2376-H

TPS2376-H

ACTIVE

IEEE 802.3af, 600mA capable, PD controller

Texas Instruments TPS2376-H Product Info

1 April 2026 0

Parameters

PoE standards supported

802.3at Type 1 (802.3af)

PD power level

13W, 25W

DC/DC control

PD Only

Vin (max) (V)

57

Vin (min) (V)

0

PoE current limit (min) (mA)

625

PoE inrush limit (mA) (typ) (A)

Programmable

rDS(on) per FET (typ) (mΩ)

580

Features

PG, Programmable UVLO, Thermal shutdown

Fault response

Auto Retry

Operating temperature range (°C)

-40 to 85

Rating

Catalog

Package

HSOIC (DDA)-8-29.4 mm² 4.9 x 6

Features

  • Adjustable Turn-on Thresholds
  • Permits High-power 26 W Designs
  • Integrated 0.58-Ω, 100-V, Low-Side Switch
  • 15-kV System Level ESD Capable
  • Industrial Temperature Range: –40°C to 85°C
  • 8-Pin PowerPad™ SOIC Package
  • Adjustable Turn-on Thresholds
  • Permits High-power 26 W Designs
  • Integrated 0.58-Ω, 100-V, Low-Side Switch
  • 15-kV System Level ESD Capable
  • Industrial Temperature Range: –40°C to 85°C
  • 8-Pin PowerPad™ SOIC Package

Description

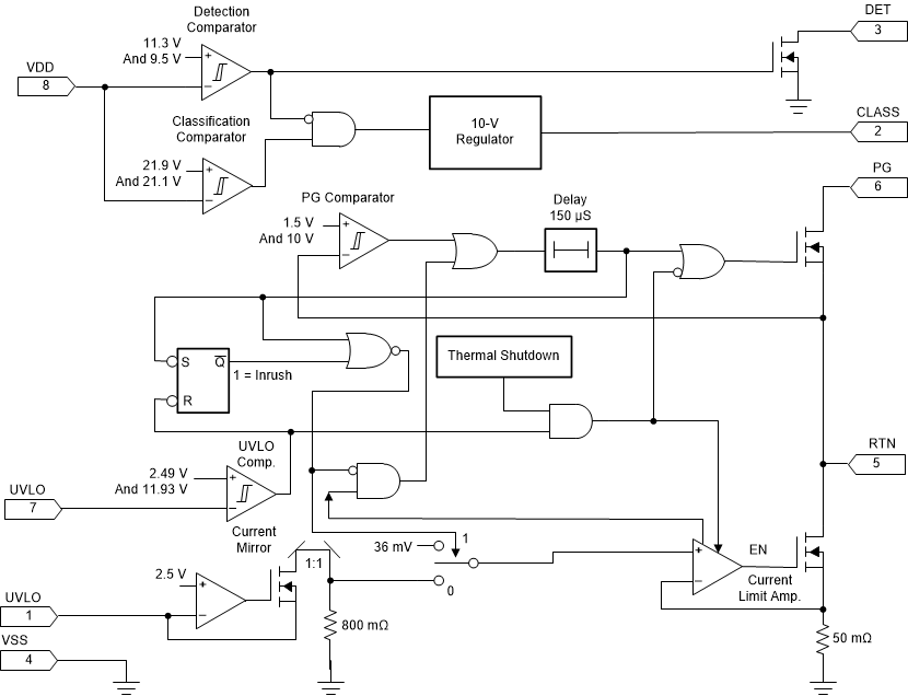
The 8-pin integrated circuit contains all of the features needed to develop a high power IEEE 802.3af style powered device (PD). The TPS2376-H offers a higher current limit and increased thermal dissipation capability over the TPS237X family of devices. The TPS2376-H implements a fully compliant PoE interface while permitting non-standard implementations that draw more power. A 26 W PD may be constructed when working from a 52-V minimum PSE over 100 m of CAT-5 cable. The TPS2376-H features a 100-V rating, 600-mA capability, adjustable inrush limiting, fault protection with auto-retry, and true open-drain power-good functionality.

The 8-pin integrated circuit contains all of the features needed to develop a high power IEEE 802.3af style powered device (PD). The TPS2376-H offers a higher current limit and increased thermal dissipation capability over the TPS237X family of devices. The TPS2376-H implements a fully compliant PoE interface while permitting non-standard implementations that draw more power. A 26 W PD may be constructed when working from a 52-V minimum PSE over 100 m of CAT-5 cable. The TPS2376-H features a 100-V rating, 600-mA capability, adjustable inrush limiting, fault protection with auto-retry, and true open-drain power-good functionality.

Subscribe to Welllinkchips !
Your Name
* Email
Submit a request