0
BQ40Z50-R2
  • BQ40Z50-R2
  • BQ40Z50-R2
  • BQ40Z50-R2

BQ40Z50-R2

ACTIVE

1-4 series Li-ion battery pack manager supporting Turbo Mode 2.0

Texas Instruments BQ40Z50-R2 Product Info

1 April 2026 0

Parameters

Cell chemistry

Li-Ion/Li-Polymer, LiFePO4

Number of series cells

2-4 Cells, Single Cell

Communication interface

SMBus

Battery capacity (min) (mAh)

100

Battery capacity (max) (mAh)

65000

Implementation

Pack

External capacity indication

LED

Features

Cell balancing, Impedance Track™ algorithm, Integrated Protector, SHA-1 Authentication, Turbo Mode

Operating temperature range (°C)

-40 to 85

Cell balancing

External, Internal

Rating

Catalog

Package

VQFN (RSM)-32-16 mm² 4 x 4

Features

  • Fully integrated 1-series, 2-series, 3-series, and 4-series Li-ion or Li-polymer cell battery pack manager and protection
  • Next-generation patented Impedance Track™ technology accurately measures available charge in Li-ion and Li-polymer batteries
  • High-side N-CH protection FET drive
  • Integrated cell balancing while charging or at rest
  • Suitable for batteries between 100 mAh and 29 Ah
  • Full array of programmable protection features
    • Voltage
    • Current
    • Temperature
    • Charge timeout
    • CHG/DSG FETs
    • AFE
  • Sophisticated charge algorithms
    • JEITA
    • Enhanced charging
    • Adaptive charging
    • Cell balancing
  • Supports TURBO Mode 2.0
  • Supports battery trip point (BTP)
  • Diagnostic lifetime data monitor and black box recorder
  • LED display
  • Supports two-wire SMBus v1.1 interface
  • SHA-1 authentication
  • IATA support
  • Compact package: 32-lead QFN (RSM)
  • Fully integrated 1-series, 2-series, 3-series, and 4-series Li-ion or Li-polymer cell battery pack manager and protection
  • Next-generation patented Impedance Track™ technology accurately measures available charge in Li-ion and Li-polymer batteries
  • High-side N-CH protection FET drive
  • Integrated cell balancing while charging or at rest
  • Suitable for batteries between 100 mAh and 29 Ah
  • Full array of programmable protection features
    • Voltage
    • Current
    • Temperature
    • Charge timeout
    • CHG/DSG FETs
    • AFE
  • Sophisticated charge algorithms
    • JEITA
    • Enhanced charging
    • Adaptive charging
    • Cell balancing
  • Supports TURBO Mode 2.0
  • Supports battery trip point (BTP)
  • Diagnostic lifetime data monitor and black box recorder
  • LED display
  • Supports two-wire SMBus v1.1 interface
  • SHA-1 authentication
  • IATA support
  • Compact package: 32-lead QFN (RSM)

Description

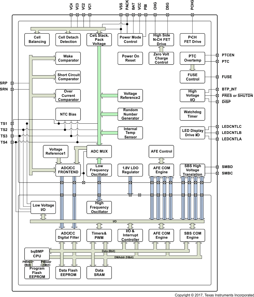
The BQ40Z50-R2 device, incorporating patented Impedance Track™ technology, is a fully integrated, single-chip, pack-based solution that provides a rich array of features for gas gauging, protection, and authentication for 1-series, 2-series, 3-series, and 4-series cell Li-ion and Li-polymer battery packs.

Using its integrated high-performance analog peripherals, the BQ40Z50-R2 device measures and maintains an accurate record of available capacity, voltage, current, temperature, and other critical parameters in Li-ion or Li-polymer batteries, and reports this information to the system host controller over an SMBus v1.1 compatible interface.

The BQ40Z50-R2 device, incorporating patented Impedance Track™ technology, is a fully integrated, single-chip, pack-based solution that provides a rich array of features for gas gauging, protection, and authentication for 1-series, 2-series, 3-series, and 4-series cell Li-ion and Li-polymer battery packs.

Using its integrated high-performance analog peripherals, the BQ40Z50-R2 device measures and maintains an accurate record of available capacity, voltage, current, temperature, and other critical parameters in Li-ion or Li-polymer batteries, and reports this information to the system host controller over an SMBus v1.1 compatible interface.

Subscribe to Welllinkchips !
Your Name
* Email
Submit a request