0
ADS7851
  • ADS7851
  • ADS7851

ADS7851

ACTIVE

SAR ADC, Dual, 1.5 MSPS, 14 Bit, Simultaneous Sampling

Texas Instruments ADS7851 Product Info

1 April 2026 0

Parameters

Resolution (Bits)

14

Sample rate (max) (ksps)

1500

Number of input channels

2

Interface type

SPI

Architecture

SAR

Input type

Differential

Multichannel configuration

Simultaneous Sampling

Rating

Catalog

Reference mode

Internal

Input voltage range (max) (V)

5.25

Input voltage range (min) (V)

0

Features

Small Size

Operating temperature range (°C)

-40 to 125

Power consumption (typ) (mW)

55

Analog supply voltage (min) (V)

4.75

Analog supply voltage (max) (V)

5.25

SNR (dB)

83.5

Digital supply (min) (V)

1.65

Digital supply (max) (V)

5.25

Package

WQFN (RTE)-16-9 mm² 3 x 3

Features

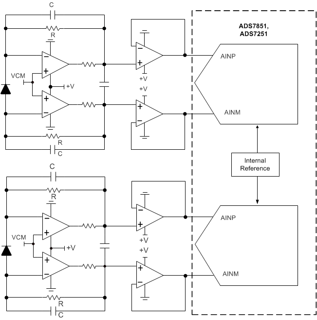
  • 12- and 14-Bit Pin-Compatible Family
  • Simultaneous Sampling of Two Channels
  • Supports Fully-Differential Analog Inputs
  • Independent Internal Reference (per ADC)
  • High Speed:
    • Up to 2 MSPS with the ADS7251 (12-Bit)
    • Up to 1.5 MSPS with the ADS7851 (14-Bit)
  • Excellent Performance:
    • ADS7251:
      • SNR: 73 dB
      • INL: ±1 LSB
    • ADS7851:
      • SNR: 83.5 dB
      • INL: ±2 LSB
  • Fully-Specified Over the Extended Industrial Temperature Range: –40°C to +125°C
  • Small Footprint: WQFN-16 (3 mm × 3 mm)
  • 12- and 14-Bit Pin-Compatible Family
  • Simultaneous Sampling of Two Channels
  • Supports Fully-Differential Analog Inputs
  • Independent Internal Reference (per ADC)
  • High Speed:
    • Up to 2 MSPS with the ADS7251 (12-Bit)
    • Up to 1.5 MSPS with the ADS7851 (14-Bit)
  • Excellent Performance:
    • ADS7251:
      • SNR: 73 dB
      • INL: ±1 LSB
    • ADS7851:
      • SNR: 83.5 dB
      • INL: ±2 LSB
  • Fully-Specified Over the Extended Industrial Temperature Range: –40°C to +125°C
  • Small Footprint: WQFN-16 (3 mm × 3 mm)

Description

The ADS7251 and ADS7851 belong to a family of pin-compatible, dual, high-speed, simultaneous-sampling, analog-to-digital converters (ADCs) that support fully-differential analog inputs and feature two independent internal voltage references. The ADS7251 offers 12-bit resolution and up to 2-MSPS sampling speed. The ADS7851 offers 14-bit resolution and up to 1.5-MSPS sampling speed.

The devices support a wide digital supply voltage range, allowing easy communication with a variety of digital host controllers using a simple, serial interface. Both devices are fully specified over the extended industrial temperature range (–40°C to +125°C) and are available in a pin-compatible, space-saving, WQFN-16 (3-mm × 3-mm) package.

The ADS7251 and ADS7851 belong to a family of pin-compatible, dual, high-speed, simultaneous-sampling, analog-to-digital converters (ADCs) that support fully-differential analog inputs and feature two independent internal voltage references. The ADS7251 offers 12-bit resolution and up to 2-MSPS sampling speed. The ADS7851 offers 14-bit resolution and up to 1.5-MSPS sampling speed.

The devices support a wide digital supply voltage range, allowing easy communication with a variety of digital host controllers using a simple, serial interface. Both devices are fully specified over the extended industrial temperature range (–40°C to +125°C) and are available in a pin-compatible, space-saving, WQFN-16 (3-mm × 3-mm) package.

Subscribe to Welllinkchips !
Your Name
* Email
Submit a request