0
SN65HVD1781
  • SN65HVD1781
  • SN65HVD1781
  • SN65HVD1781

SN65HVD1781

ACTIVE

70-V Fault-Protected RS-485 Transceivers

Texas Instruments SN65HVD1781 Product Info

1 April 2026 0

Parameters

Number of receivers

1

Number of transmitters

1

Duplex

Half

Supply voltage (nom) (V)

3.3, 5

Signaling rate (max) (Mbps)

1

Fault protection (V)

-70 to 70

Common-mode range (V)

-7 to 12

Number of nodes

320

Features

Fault protection

Isolated

No

Supply current (max) (µA)

6000

Rating

Catalog

Operating temperature range (°C)

-40 to 125

Package

PDIP (P)-8-92.5083 mm² 9.81 x 9.43

Features

  • Bus-Pin Fault Protection to:
    • > ±70 V (SN65HVD1780, SN65HVD1781)
    • > ±30 V (SN65HVD1782)
  • Operation With 3.3-V to 5-V Supply Range
  • ±16-kV HBM Protection on Bus Pins
  • Reduced Unit Load for Up to 320 Nodes
  • Failsafe Receiver for Open-Circuit, Short-Circuit, and Idle-Bus Conditions
  • Low Power Consumption
    • Low Standby Supply Current, 1 µA Maximum
    • ICC 4-mA Quiescent Current During Operation
  • Pin-Compatible With Industry-Standard SN75176
  • Signaling Rates of 115 kbps, 1 Mbps, and up to 10 Mbps
  • Create a Custom Design using the SN65HVD178x with the WEBENCH® Power Designer
  • Bus-Pin Fault Protection to:
    • > ±70 V (SN65HVD1780, SN65HVD1781)
    • > ±30 V (SN65HVD1782)
  • Operation With 3.3-V to 5-V Supply Range
  • ±16-kV HBM Protection on Bus Pins
  • Reduced Unit Load for Up to 320 Nodes
  • Failsafe Receiver for Open-Circuit, Short-Circuit, and Idle-Bus Conditions
  • Low Power Consumption
    • Low Standby Supply Current, 1 µA Maximum
    • ICC 4-mA Quiescent Current During Operation
  • Pin-Compatible With Industry-Standard SN75176
  • Signaling Rates of 115 kbps, 1 Mbps, and up to 10 Mbps
  • Create a Custom Design using the SN65HVD178x with the WEBENCH® Power Designer

Description

The SN65HVD178x devices are designed to survive overvoltage faults such as direct shorts to power supplies, mis-wiring faults, connector failures, cable crushes, and tool mis-applications. The devices are also robust to ESD events with high levels of protection to the human-body-model specification.

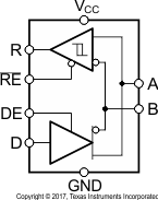
The SN65HVD178x devices combine a differential driver and a differential receiver, which operate from a single power supply. In the SN65HVD1782, the driver differential outputs and the receiver differential inputs are connected internally to form a bus port suitable for half-duplex (two-wire bus) communication. This port features a wide common-mode voltage range, making the devices suitable for multipoint applications over long cable runs. These devices are characterized from –40°C to 125°C. These devices are pin-compatible with the industry-standard SN75176 transceiver, making them drop-in upgrades in most systems.

These devices are fully compliant with ANSI TIA/EIA 485-A with a 5-V supply and can operate with a 3.3-V supply with reduced driver output voltage for low-power applications. For applications where operation is required over an extended common-mode voltage range, see the SN65HVD1785 (SLLS872) data sheet.

The SN65HVD178x devices are designed to survive overvoltage faults such as direct shorts to power supplies, mis-wiring faults, connector failures, cable crushes, and tool mis-applications. The devices are also robust to ESD events with high levels of protection to the human-body-model specification.

The SN65HVD178x devices combine a differential driver and a differential receiver, which operate from a single power supply. In the SN65HVD1782, the driver differential outputs and the receiver differential inputs are connected internally to form a bus port suitable for half-duplex (two-wire bus) communication. This port features a wide common-mode voltage range, making the devices suitable for multipoint applications over long cable runs. These devices are characterized from –40°C to 125°C. These devices are pin-compatible with the industry-standard SN75176 transceiver, making them drop-in upgrades in most systems.

These devices are fully compliant with ANSI TIA/EIA 485-A with a 5-V supply and can operate with a 3.3-V supply with reduced driver output voltage for low-power applications. For applications where operation is required over an extended common-mode voltage range, see the SN65HVD1785 (SLLS872) data sheet.

Subscribe to Welllinkchips !
Your Name
* Email
Submit a request