0
DS90UB962-Q1
  • DS90UB962-Q1
  • DS90UB962-Q1

DS90UB962-Q1

ACTIVE

Quad 3-Gbps Quad 3-Gbps FPD-Link III deserializer hub with single CSI-2 output

Texas Instruments DS90UB962-Q1 Product Info

1 April 2026 0

Parameters

Applications

Advanced Driver Assistance Systems (ADAS)

Input compatibility

FPD-Link III LVDS

Function

Deserializer

Output compatibility

MIPI CSI-2

Color depth (bpp)

12

Features

Low-EMI Point-to-Point Communication

Signal conditioning

Adaptive Equalizer

EMI reduction

BIST

Diagnostics

BIST

Rating

Automotive

Operating temperature range (°C)

-40 to 105

TI functional safety category

Functional Safety-Capable

Package

VQFNP (RTD)-64-81 mm² 9 x 9

Features

  • AEC-Q100 Qualified for Automotive Applications:
    • Device Temperature Grade 2: –40℃ to +105℃ Ambient Operating Temperature Range
  • Quad 3-Gbps Deserializer Hub Aggregates Data From up to 4 Sensors Simultaneously
  • Supports 1-Megapixel Sensors With HD 720p/800p/960p/1MP Resolution at 30-Hz or 60-Hz Frame Rate
  • Precise Multi-Camera Synchronization
  • MIPI D-PHY Version 1.2 / CSI-2 Version 1.3 Compliant
    • 1 × CSI-2 MIPI Output Port
    • Supports 1, 2, 3, 4 Data Lanes
    • CSI-2 Data Rate Scalable for 400 Mbps / 800 Mbps / 1.2 Gbps / 1.5 Gbps / 1.6 Gbps per Data Lane
  • Functional Safety-Capable
    • Documentation available to aid ISO 26262 system design

  • Ultra-Low Data and Control Path Latency
  • Supports Single-Ended Coaxial Including Power-over-Coax (PoC) or Shielded Twisted-Pair (STP) Cable
  • Adaptive Receive Equalization
  • Dual I2C Ports With Fast-Mode Plus up to 1 Mbps
  • Flexible GPIOs for Sensor Synchronization and Diagnostics
  • Compatible With DS90UB935-Q1, DS90UB953-Q1, DS90UB913A-Q1, and DS90UB933-Q1 Serializers
  • Internal Programmable Precision Frame Sync Generator
  • Line Fault Detection and Advanced Diagnostics
  • AEC-Q100 Qualified for Automotive Applications:
    • Device Temperature Grade 2: –40℃ to +105℃ Ambient Operating Temperature Range
  • Quad 3-Gbps Deserializer Hub Aggregates Data From up to 4 Sensors Simultaneously
  • Supports 1-Megapixel Sensors With HD 720p/800p/960p/1MP Resolution at 30-Hz or 60-Hz Frame Rate
  • Precise Multi-Camera Synchronization
  • MIPI D-PHY Version 1.2 / CSI-2 Version 1.3 Compliant
    • 1 × CSI-2 MIPI Output Port
    • Supports 1, 2, 3, 4 Data Lanes
    • CSI-2 Data Rate Scalable for 400 Mbps / 800 Mbps / 1.2 Gbps / 1.5 Gbps / 1.6 Gbps per Data Lane
  • Functional Safety-Capable
    • Documentation available to aid ISO 26262 system design

  • Ultra-Low Data and Control Path Latency
  • Supports Single-Ended Coaxial Including Power-over-Coax (PoC) or Shielded Twisted-Pair (STP) Cable
  • Adaptive Receive Equalization
  • Dual I2C Ports With Fast-Mode Plus up to 1 Mbps
  • Flexible GPIOs for Sensor Synchronization and Diagnostics
  • Compatible With DS90UB935-Q1, DS90UB953-Q1, DS90UB913A-Q1, and DS90UB933-Q1 Serializers
  • Internal Programmable Precision Frame Sync Generator
  • Line Fault Detection and Advanced Diagnostics

Description

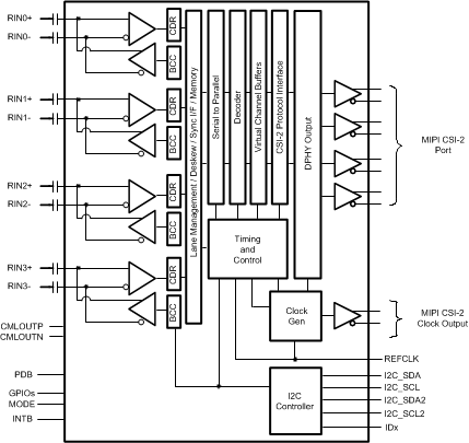
The DS90UB962-Q1 is a versatile sensor hub capable of connecting serialized sensor data received from four independent video data streams through a FPD-Link III interface. When paired with a DS90UB935A-Q1, DS90UB953-Q1, DS90UB913A-Q1 or DS90UB933-Q1 serializer, the DS90UB962-Q1 receives data from 1-Megapixel image sensors supporting 720p/800p/960p/1MP resolution at 30-Hz or 60-Hz frame rates. Data is received and aggregated into a MIPI CSI-2 compliant output for interconnect to a downstream processor.

The DS90UB962-Q1 includes four FPD-Link III deserializers, each enabling a connection through cost-effective 50-Ω single-ended coaxial or 100-Ω differential STP cables. The receive equalizers automatically adapt to compensate for cable loss characteristics, including degradation over time.

Each of the FPD-Link III interfaces also includes a separate low latency bidirectional control channel that continuously conveys I2C, GPIOs, and other control information. General-purpose I/O signals such as those required for camera synchronization and diagnostics features also make use of this bidirectional control channel.

The DS90UB962-Q1 is AEC-Q100 qualified for automotive applications and is offered in a cost-effective and space-saving 64-pin VQFN package.

The DS90UB962-Q1 is a versatile sensor hub capable of connecting serialized sensor data received from four independent video data streams through a FPD-Link III interface. When paired with a DS90UB935A-Q1, DS90UB953-Q1, DS90UB913A-Q1 or DS90UB933-Q1 serializer, the DS90UB962-Q1 receives data from 1-Megapixel image sensors supporting 720p/800p/960p/1MP resolution at 30-Hz or 60-Hz frame rates. Data is received and aggregated into a MIPI CSI-2 compliant output for interconnect to a downstream processor.

The DS90UB962-Q1 includes four FPD-Link III deserializers, each enabling a connection through cost-effective 50-Ω single-ended coaxial or 100-Ω differential STP cables. The receive equalizers automatically adapt to compensate for cable loss characteristics, including degradation over time.

Each of the FPD-Link III interfaces also includes a separate low latency bidirectional control channel that continuously conveys I2C, GPIOs, and other control information. General-purpose I/O signals such as those required for camera synchronization and diagnostics features also make use of this bidirectional control channel.

The DS90UB962-Q1 is AEC-Q100 qualified for automotive applications and is offered in a cost-effective and space-saving 64-pin VQFN package.

Subscribe to Welllinkchips !
Your Name
* Email
Submit a request