0
MAX8896
  • MAX8896

MAX8896

LAST TIME BUY

Dual PWM Step-Down Converter in a 2mm x 2mm Package for WCDMA PA and RF Power Small (4mm)² Package Provides Power to WCDMA PA Modules and RF Transceiver

Analog Devices MAX8896 Product Info

10 February 2026 8

Features

  • PA Step-Down Converter (OUT1)
    • 7.5µs (typ) Settling Time for 0.5V to 1V Output Voltage Change
    • Dynamic Output Voltage Setting from 0.5V to VBATT
    • 140mΩ Bypass PFET and 100% Duty Cycle for Low Dropout
    • 2MHz Switching Frequency
    • Low Output Voltage Ripple
    • 700mA (min) Output Drive Capability
    • 2% Gain Accuracy
    • Tiny External Components
  • RF Step-Down Converter (OUT2)
    • 2MHz Fixed Switching Frequency
    • 94% Peak Efficiency
    • 100% Duty Cycle
    • 2% Output Accuracy Over Load, Line, and Temperature
    • 200mA (min) Output Drive Capability
    • Tiny External Components
  • Low-Noise LDO
    • Guaranteed 200mA Output
    • High 65dB (typ) PSRR
    • Fixed Output Voltage
    • Low Noise (16µVRMS, typ)
  • Simple Logic ON/OFF Controls
  • Low 0.1µA Shutdown Current
  • 2.7V to 5.5V Supply Voltage Range
  • Thermal Shutdown
  • 2mm x 2mm UCSP Package (4 x 4 Grid)

Part details & applications

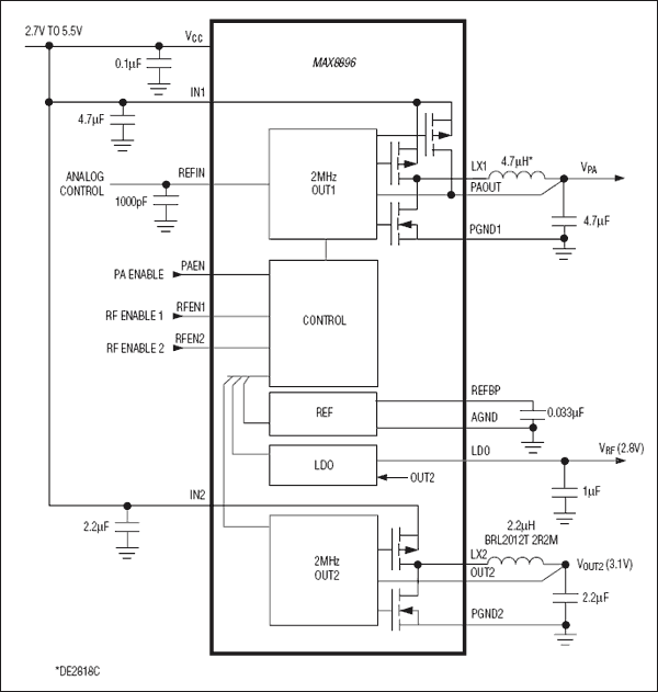
The MAX8896 dual step-down converter is optimized for powering the power amplifier (PA) and RF transceiver in WCDMA handsets. This device integrates a high-efficiency PWM step-down converter (OUT1) for medium and low-power transmission, and a 140mΩ (typ) bypass FET to power the PA directly from the battery during high-power transmission. A second high-efficiency PWM step-down converter (OUT2) supplies power directly to a high PSRR, low output noise, 200mA low-dropout linear regulator (LDO) to power the RF transceiver.

Fast switching allows the use of small ceramic input and output capacitors while maintaining low ripple voltage. The feedback network is integrated reducing external component count and total solution size. OUT1 uses an analog input driven by an external DAC to control the output voltage linearly for continuous PA power adjustment. At high duty cycle, OUT1 automatically switches to bypass mode, connecting the input to the output through a low-impedance (140mΩ, typ) MOSFET.

OUT2 is a 2MHz fixed-frequency, step-down converter capable of operating at 100% duty cycle. Output accuracy is ±2% over load, line, and temperature. The output of OUT2 is preset to 3.1V to provide power to a 200mA, 2.8V LDO designed for low noise (16µVRMS, typ), high PSRR (65dB, typ) operation. This configuration provides noise attenuation for the RF transceiver power supply in the 100Hz to 100kHz range.

Other features include separate output enables, low-supply current shutdown, output overcurrent, and overtemperature protection. The MAX8896 is available in a 16-bump, 2mm x 2mm UCSP™ package (0.7mm max height).

Applications

  • Smartphones
  • WCDMA/NCDMA Cellular Handsets

Subscribe to Welllinkchips !
Your Name
* Email
Submit a request