0
HMC1056
  • HMC1056

HMC1056

RECOMMENDED FOR NEW DESIGNS

GaAs MMIC I/Q Mixer, 8 - 12 GHz

Analog Devices HMC1056 Product Info

10 February 2026 7

Features

  • Wide IF Bandwidth: DC - 4 GHz
  • Image Rejection: 25 dBc
  • LO to RF isolation: 40 dB
  • High Input IP3: 18 dBm
  • 20 Lead 4x4 mm SMT Package 16 mm2

Part details & applications

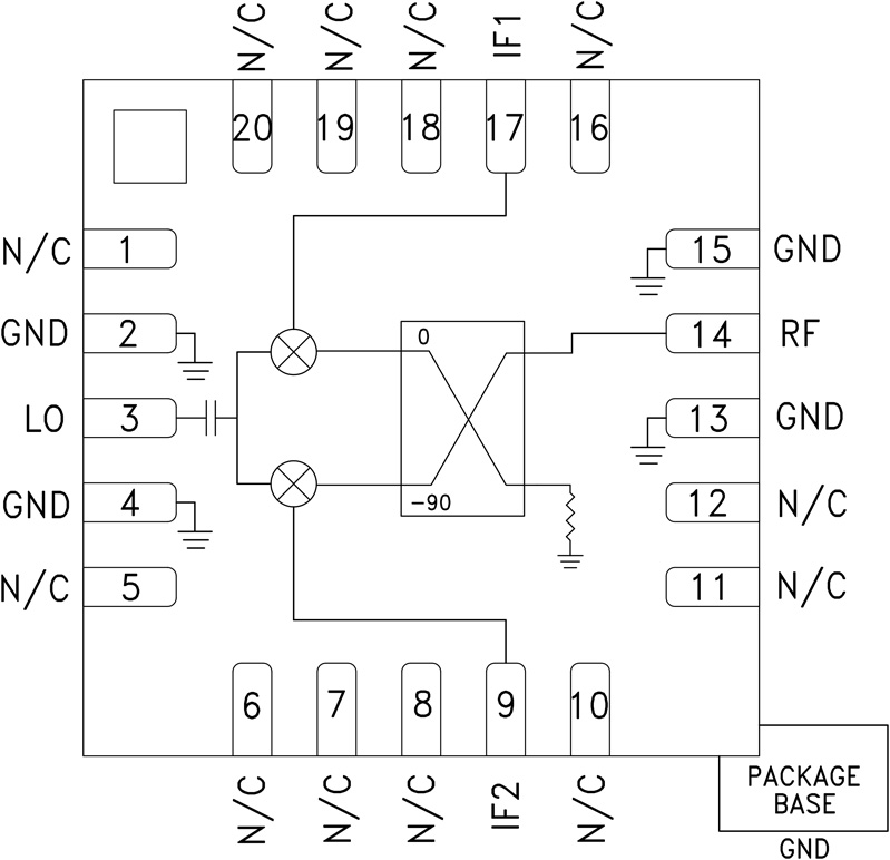
The HMC1056LP4BE is a compact I/Q MMIC mixer in a leadless “Pb free” SMT package, which can be used as either an Image Reject Mixer or a Single Sideband Upconverter. The mixer utilizes two standard Hittite double balanced mixer cells and a 90 degree hybrid fabricated in a GaAs Schottky diode process. A low frequency quadrature hybrid was used to produce a 100MHz LSB IF output. This product is a much smaller alternative to hybrid style Image Reject Mixers and Single Sideband Upconverter assemblies. The HMC1056LP4BE eliminates the need for wire bonding and allows the use of surface mount manufacturing techniques.

APPLICATIONS

  • Point-to-Point and Point-to-Multi-Point Radio
  • Military Radar, EW & ELINT
  • Satellite Communications
  • Sensors

Subscribe to Welllinkchips !
Your Name
* Email
Submit a request