0
MAX2042A
  • MAX2042A

MAX2042A

PRODUCTION

SiGe, High-Linearity, 1600MHz to 3900MHz Upconversion/Downconversion Mixer with LO Buffer Industry's Highest Performing, Fully Integrated SiGe Passive Mixer, Featuring Superior IP3, 2LO - 2RF and LO ± 2IF Performance

Analog Devices MAX2042A Product Info

10 February 2026 6

Features

  • Wide-Band Coverage
    • 1600MHz to 3900MHz RF Frequency Range
    • 1300MHz to 4000MHz LO Frequency Range
    • 50MHz to 500MHz IF Frequency Range
  • 7.2dB Conversion Loss
  • 7.25dB Noise Figure
  • High Linearity
    • +33dBm Input IP3
    • +21.7dBm Input 1dB Compression Point
    • 72dBc Typical 2LO - 2RF Spurious Rejection at PRF = -10dBm
  • Simple PCB Layout
    • Integrated LO Buffer
    • Integrated LO and RF Baluns for Single-Ended Inputs
  • Low -6dBm to +3dBm LO Drive
  • Pin Compatible with the MAX2042 2000MHz to 3000MHz Mixer
  • Pin-Similar with the MAX2029/MAX2031/MAX2033 650MHz to 1550MHz Mixers, MAX2039/MAX2041 1700MHz to 3000MHz Mixers, and MAX2044 2300MHz to 4000MHz Mixer
  • Single +5.0V or +3.3V Supply
  • External Current-Setting Resistor Provides Option for Operating Device in Reduced-Power/Reduced-Performance Mode

Part details & applications

The MAX2042A single, high-linearity upconversion/downconversion mixer provides up to +33dBm input IP3, 7.25dB noise figure, and 7.2dB conversion loss for 1600MHz to 3900MHz GSM/EDGE, CDMA, TD-SCDMA, WCDMA, LTE, TD-LTE, WiMAX™, and MMDS wireless infrastructure applications. With an ultra-wide 1300MHz to 4000MHz LO frequency range, the IC can be used in either low-side or high-side LO injection architectures for virtually all 1.7GHz to 3.5GHz applications (for a 2.5GHz variant tuned specifically for low-side LO injection, refer to the MAX2042).

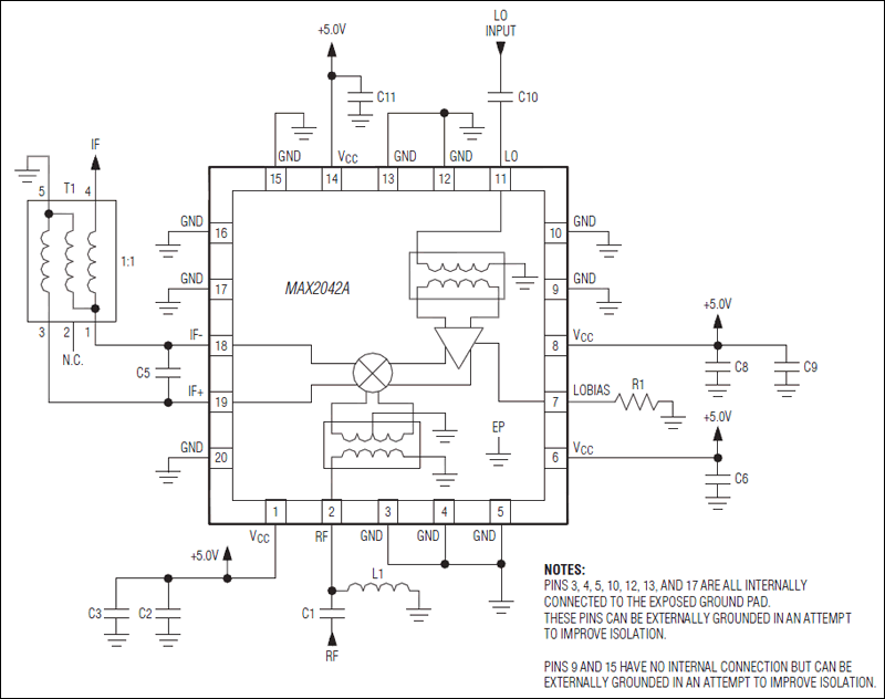
In addition to offering excellent linearity and noise performance, the IC also yields a high level of component integration. This device includes a double-balanced passive mixer core, an LO buffer, and on-chip baluns that allow for single-ended RF and LO inputs. The IC requires a nominal LO drive of 0dBm, and supply current is typically 140mA at VCC = 5.0V or 122mA at VCC = 3.3V.

The MAX2042A is pin compatible with the MAX2042 2000MHz to 3000MHz mixer. The MAX2042A is also pin similar with the MAX2029/MAX2031/MAX2033 650MHz to 1550MHz mixers, the MAX2039/MAX2041 1700MHz to 3000MHz mixers, and the MAX2044 2300MHz to 4000MHz mixer, making the entire family of upconverters/downconverters ideal for applications where a common PCB layout is used for multiple frequency bands.

The MAX2042A is available in a compact, 20-pin TQFN package (5mm x 5mm) with an exposed pad. Electrical performance is guaranteed over the extended TC = -40°C to +85°C temperature range.

Applications

  • 1.8GHz/1.9GHz GSM/EDGE/CDMA Base Stations
  • 2.1GHz WCDMA/LTE Base Stations
  • 2.3GHz TD-SCDMA/TD-LTE Base Stations
  • 2.5GHz WiMAX and LTE Base Stations
  • 2.7GHz MMDS Base Stations
  • 3.5GHz WiMAX and LTE Base Stations
  • Fixed Broadband Wireless Access
Subscribe to Welllinkchips !
Your Name
* Email
Submit a request