0
HMC264LC3B
  • HMC264LC3B

HMC264LC3B

PRODUCTION

Sub Harmonic Mixer SMT, 21 - 31 GHz

Analog Devices HMC264LC3B Product Info

10 February 2026 14

Features

  • Integrated LO Amplifier:
    -4 to +4 dBm Input
  • Sub-Harmonically Pumped (x2) LO
  • High 2LO/RF Isolation: 30 dB
  • DC - 6 GHz Wideband IF
  • RoHS Compliant 3×3 mm SMT Package

Part details & applications

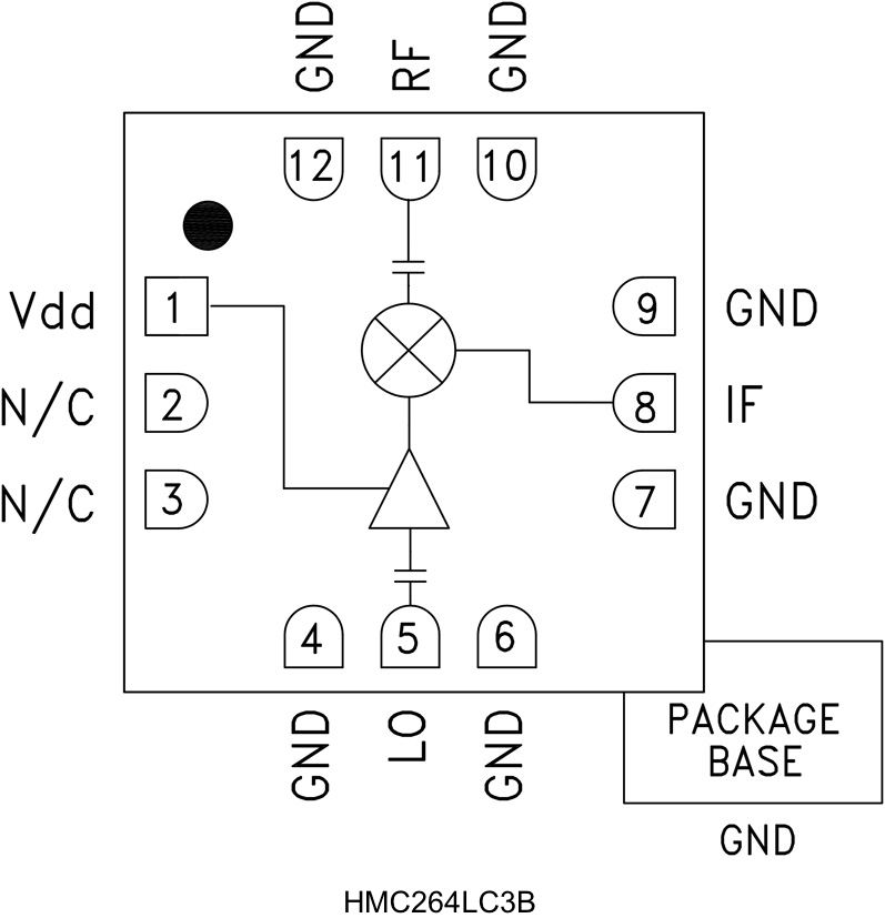
The HMC264LC3B is a 21 - 31 GHz Sub-harmonically Pumped (x2) MMIC Mixer with an integrated LO amplifier in a leadless “Pb Free” SMT package. The 2LO to RF isolation is excellent at 30 dB, eliminating the need for additional filtering. The LO amplifier is a single bias (+3V to +4V) design with only -4 to +4 dBm drive requirement. The RF and LO ports are DC blocked and matched to 50 Ohms for ease of use while the IF covers DC to 6 GHz. The HMC264LC3B eliminates the need for wire bonding, allowing use of surface mount manufacturing techniques.

APPLICATIONS

  • Point-to-Point Radios
  • Point-to-Multi-Point Radios & VSAT
  • Test Equipment & Sensors
  • Military End-Use

Subscribe to Welllinkchips !
Your Name
* Email
Submit a request