0
HMC666
  • HMC666

HMC666

LAST TIME BUY

SMT BiCMOS Mixer with Integrated LO Amplifier, 3.1 - 3.9 GHz

Analog Devices HMC666 Product Info

10 February 2026 8

Features

  • High Input IP3: +31 dBm
  • Low Conversion Loss: 9 dB
  • Upconversion & Downconversion Applications
  • Low LO Drive: 0 dBm
  • Optimized for Low Side LO Input
  • 24 Lead 4x4mm SMT Package: 16mm2

Part details & applications

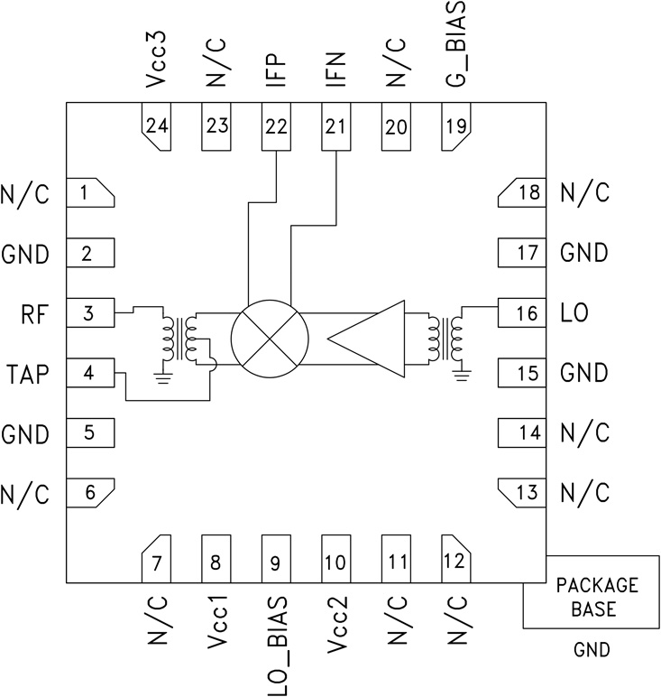
The HMC666LP4(E) is a high dynamic range passive MMIC mixer with integrated LO amplifier in a 4x4 SMT QFN package covering 3.1 - 3.9 GHz. Excellent input IP3 performance of +31 dBm for down conversion is provided for WiMAX and fixed wireless applications at an LO drive of 0 dBm. The LO port is optimized for low side LO applications.

With an input 1 dB compression of +23 dBm, the RF port will accept a wide range of input signal levels. Conversion loss is 9 dB typical. The DC to 800 MHz IF frequency response will satisfy WiMAX transmit or receive frequency plans. The HMC666LP4(E) is pin for pin compatible with the HMC688LP4(E) which is a 2.0 - 2.7 GHz mixer with LO amplifier.

APPLICATIONS

  • WiMAX/4G & Fixed Wireless
  • Infrastructure & Repeaters
  • Transmitters & Receivers
  • Test & Measurement Equipment

Subscribe to Welllinkchips !
Your Name
* Email
Submit a request