0
MAX19985A
  • MAX19985A

MAX19985A

LAST TIME BUY

Dual, SiGe, High-Linearity, High-Gain, 700MHz to 1000MHz Downconversion Mixer with LO Buffer/Switch Lowest Noise, Highest Linearity 700MHz-1000MHz Dual SiGe Mixer for WCDMA, CDMA, LTE, WiMAX, and GSM Base Stations, Featuring Superior IP3, NF and 2LO-2RF P

Analog Devices MAX19985A Product Info

10 February 2026 6

Features

  • 700MHz to 1000MHz RF Frequency Range
  • 900MHz to 1300MHz LO Frequency Range
  • 50MHz to 500MHz IF Frequency Range
  • 8.7dB Typical Conversion Gain
  • 9.0dB Typical Noise Figure
  • +25.5dBm Typical Input IP3
  • +12.6dBm Typical Input 1dB Compression Point
  • 76dBc Typical 2LO-2RF Spurious Rejection at PRF = -10dBm
  • Dual Channels Ideal for Diversity Receiver Applications
  • 48dB Typical Channel-to-Channel Isolation
  • Low -3dBm to +3dBm LO Drive
  • Integrated LO Buffer
  • Internal RF and LO Baluns for Single-Ended Inputs
  • Built-In SPDT LO Switch with 46dB LO1-to-LO2 Isolation and 50ns Switching Time
  • Pin Compatible with the MAX19995/MAX19995A Series of 1700MHz to 2200MHz Mixers
  • Pin Similar to the MAX19997A/MAX19999 Series of 1850MHz to 3800MHz Mixers
  • Single +5.0V or +3.3V Supply
  • External Current-Setting Resistors Provide Option for Operating Device in Reduced-Power/Reduced-Performance Mode

Part details & applications

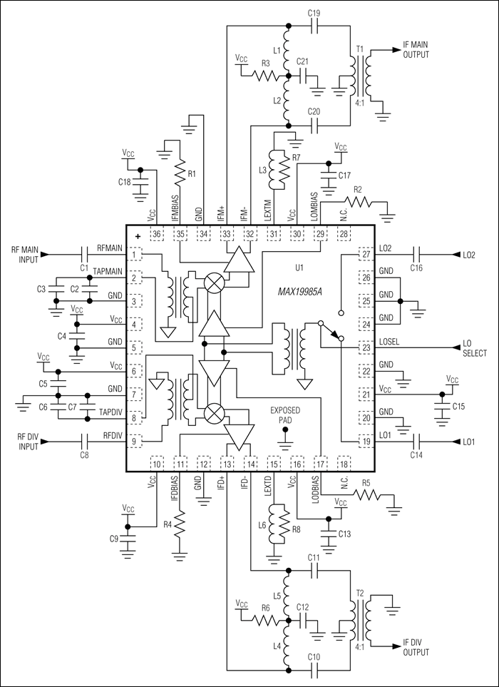
The MAX19985A high-linearity, dual-channel, downconversion mixer is designed to provide approximately 8.7dB gain, +25.5dBm of IIP3, and 9.0dB of noise figure for 700MHz to 1000MHz diversity receiver applications. With an optimized LO frequency range of 900MHz to 1300MHz, this mixer is ideal for high-side LO injection architectures in the cellular and new 700MHz bands. Low-side LO injection is supported by the MAX19985, which is pin-pin and functionally compatible with the MAX19985A.

In addition to offering excellent linearity and noise performance, the MAX19985A also yields a high level of component integration. This device includes two double-balanced passive mixer cores, two LO buffers, a dual-input LO selectable switch, and a pair of differential IF output amplifiers. On-chip baluns are also integrated to allow for single-ended RF and LO inputs.

The MAX19985A requires a nominal LO drive of 0dBm and a typical supply current of 330mA at VCC = +5.0V or 280mA at VCC = +3.3V.

The MAX19985/MAX19985A are pin compatible with the MAX19995/MAX19995A series of 1700MHz to 2200MHz mixers and pin similar with the MAX19997A/MAX19999 series of 1850MHz to 3800MHz mixers, making this entire family of downconverters ideal for applications where a common PCB layout is used across multiple frequency bands.

The MAX19985A is available in a 6mm x 6mm, 36-pin thin QFN package with an exposed pad. Electrical performance is guaranteed over the extended temperature range of TC = -40°C to +85°C.

Applications

  • 700MHz LTE/WiMAX™ Base Stations
  • 850MHz WCDMA and cdma2000® Base Stations
  • Fixed Broadband Wireless Access
  • GSM850/900 2G and 2.5G EDGE Base Stations
  • iDEN® Base Stations
  • Military Systems
  • Private Mobile Radios
  • Wireless Local Loop

Subscribe to Welllinkchips !
Your Name
* Email
Submit a request