0
MAX4598
  • MAX4598

MAX4598

PRODUCTION

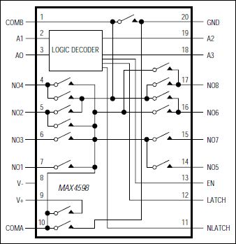
Low-Voltage, Combination Single-Ended 8-to-1 Differential 4-to-1 Multiplexer

Analog Devices MAX4598 Product Info

10 February 2026 10

Features

  • V+ and GND Can Be Switched to the Output Channels
  • 75Ω (max) On-Resistance
  • Single-Ended or Differential Operation
  • 2pC (typ) Charge Injection
  • Latched or Unlatched Operation
  • TTL-Compatible Logic Inputs at ±5V Supply
  • Handles Rail-to-Rail Analog Signals

Part details & applications

The MAX4598 low-voltage, CMOS analog IC is a configurable single-ended 8-to-1/differential 4-to-1 multiplexer. In addition to the input channels, both V+ and GND can be switched to the output channels, enabling the supply voltages to be monitored. The MAX4598 operates from a single +2.7V to +12V supply or from dual ±6V supplies. The device has low on-resistance (75Ω max) and TTL-compatible logic inputs from either ±5V or a single +5V supply. Each switch can handle rail-to-rail analog signals. The MAX4598 has two modes of operation: as a standard multiplexer and as a "latchable" multiplexer where the address lines are strobed. The off-leakage current is only 0.1nA at TA = +25°C and 2nA at TA = +85°C. ESD protection is > 2kV per Method 3015.7.

The MAX4598 is available in small 20-pin SSOP, SO, and DIP packages.

Applications

  • ADC Systems
  • Audio-Signal Routing
  • Avionics
  • Battery-Powered Applications
  • Networking
  • Test Equipment

Subscribe to Welllinkchips !
Your Name
* Email
Submit a request