0
AD7654
  • AD7654
  • AD7654
  • AD7654

AD7654

PRODUCTION

Dual, 2-Channel, Simultaneous Sampling, PulSAR®, 500 kSPS, 16-Bit ADC

Analog Devices AD7654 Product Info

10 February 2026 6

Features

  • Dual, 16-bit, 2-channel simultaneous sampling ADC
  • 16-bit resolution with no missing codes
  • Throughput:
    500 kSPS (normal mode)
    444 kSPS (impulse mode)
  • INL: ±3.5 LSB max (±0.0053% of full scale)
  • SNR: 89 dB typ at 100 kHz
  • THD: −100 dB at +100 kHz
  • Analog input voltage range: 0 V to 5 V
  • No pipeline delay
  • Parallel and serial 5 V/3 V interface
  • SPI®/QSPI/MICROWIRE/ DSP compatible
  • Single 5 V supply operation
  • See data sheet for additional features

Part details & applications

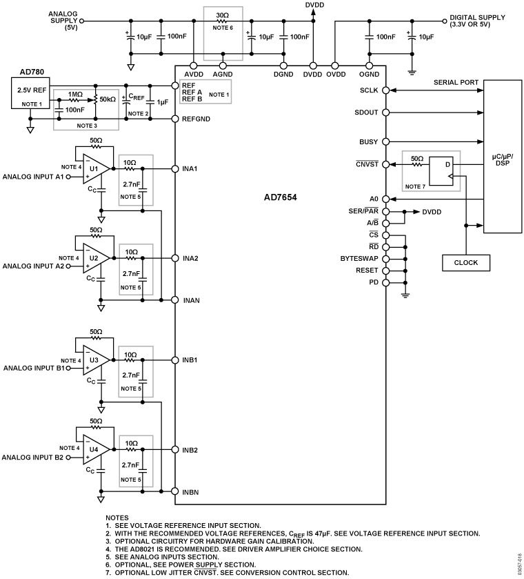
The AD7654 is a low cost, simultaneous sampling, dual-channel, 16-bit, charge redistribution SAR, analog-to-digital converter that operates from a single 5 V power supply. It contains two low noise, wide bandwidth, track-and-hold amplifiers that allow simultaneous sampling, a high speed 16-bit sampling ADC, an internal conversion clock, error correction circuits, and both serial and parallel system interface ports. Each track-and-hold has a multiplexer in front to provide a 4-channel input ADC. The A0 multiplexer control input allows the choice of simultaneously sampling input pairs INA1/INB1 (A0 = low) or INA2/INB2 (A0 = high). The device features a very high sampling rate mode (normal) and, for low power applications, a reduced power mode (impulse) where the power is scaled with the throughput. Operation is specified from −40°C to +85°C.

APPLICATIONS

  • AC motor control
  • 3-phase power control
  • 4-channel data acquisition
  • Uninterrupted power supplies
  • Communications

PRODUCT HIGHLIGHTS

  1. Simultaneous Sampling.
    The AD7654 features two sample-and-hold circuits that allow simultaneous sampling. It provides inputs for four channels.
  2. Fast Throughput.
    The AD7654 is a 500 kSPS, charge redistribution, 16-bit SAR ADC with internal error correction circuitry.
  3. Superior INL and No Missing Codes.
    The AD7654 has a maximum integral nonlinearity of 3.5 LSB with no missing 16-bit codes.
  4. Single-Supply Operation.
    The AD7654 operates from a single 5 V supply. In impulse mode, its power dissipation decreases with throughput.
  5. Serial or Parallel Interface.
    Versatile parallel or 2-wire serial interface arrangement is compatible with both 3 V and 5 V logic.

Subscribe to Welllinkchips !
Your Name
* Email
Submit a request