0
LTC2357-16
  • LTC2357-16
  • LTC2357-16
  • LTC2357-16

LTC2357-16

PRODUCTION

Buffered Quad, 16-Bit, 350ksps/Ch Differential ±10.24V ADC with 30VP-P Common Mode Range

Analog Devices LTC2357-16 Product Info

10 February 2026 5

Features

  • Simultaneous Sampling of 4 Buffered Channels
  • 350ksps per Channel Throughput
  • 500pA/12nA Max Input Leakage at 85°C/125°C
  • ±1LSB INL (Maximum, ±10.24V Range)
  • Guaranteed 16-Bit, No Missing Codes
  • Differential, Wide Common Mode Range Inputs
  • Per-Channel SoftSpan Input Ranges:
    • ±10.24V, 0V to 10.24V, ±5.12V, 0V to 5.12V
    • ±12.5V, 0V to 12.5V, ±6.25V, 0V to 6.25V
  • 94.2dB Single-Conversion SNR (Typical)
  • −110dB THD (Typical) at fIN = 2kHz
  • 128dB CMRR (Typical) at fIN = 200Hz
  • Rail-to-Rail Input Overdrive Tolerance
  • Integrated Reference and Buffer (4.096V)
  • SPI CMOS (1.8V to 5V) and LVDS Serial I/O
  • Internal Conversion Clock, No Cycle Latency
  • 175mW Power Dissipation (44mW/Ch Typical)
  • 48-Lead (7mm x 7mm) LQFP Package

Part details & applications

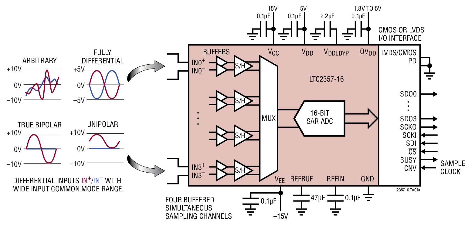
The LTC2357-16 is a 16-bit, low noise 4-channel simultaneous sampling successive approximation register (SAR) ADC with buffered differential, wide common mode range picoamp inputs. Operating from a 5V low voltage supply, flexible high voltage supplies, and using the internal reference and buffer, each channel of this SoftSpanTM ADC can be independently configured on a conversion-by-conversion basis to accept ±10.24V, 0V to 10.24V, ±5.12V, or 0V to 5.12V signals. Individual channels may also be disabled to increase throughput on the remaining channels.

The integrated picoamp-input analog buffers, wide input common mode range and 128dB CMRR of the LTC2357-16 allow the ADC to directly digitize a variety of signals using minimal board space and power. This input signal flexibility, combined with ±1LSB INL, no missing codes at 16 bits, and 94.2dB SNR, makes the LTC2357-16 an ideal choice for many high voltage applications requiring wide dynamic range.

The LTC2357-16 supports pin-selectable SPI CMOS (1.8V to 5V) and LVDS serial interfaces. Between one and four lanes of data output may be employed in CMOS mode, allowing the user to optimize bus width and throughput.

Applications

  • Programmable Logic Controllers
  • Industrial Process Control
  • Power Line Monitoring
  • Test and Measurement

Subscribe to Welllinkchips !
Your Name
* Email
Submit a request