0
LTM9004
  • LTM9004
  • LTM9004
  • LTM9004

LTM9004

LAST TIME BUY

14-Bit Direct Conversion Receiver Subsystem

Analog Devices LTM9004 Product Info

10 February 2026 6

Features

  • Integrated Dual 14-Bit, High-Speed ADC, Lowpass
  • Filter, Differential Gain Stages and I/Q Demodulator
  • Lowpass Filter for Each ADC Channel
    • 1.92MHz (LTM9004-AA)
    • 4.42MHz (LTM9004-AB)
    • 9.42MHz (LTM9004-AC)
    • 20MHz (LTM9004-AD)
  • RF Input Frequency Range: 0.7GHz to 2.7GHz
  • 50Ω Single-Ended RF and LO Ports
  • I/Q Gain Mismatch: 0.2dB Typical
  • I/Q Phase Mismatch: 1.5 Deg Typical
  • Voltage-Adjustable Demodulator DC Offsets
  • 76dB/1.92MHz SNR (LTM9004-AA)
  • 63.5dB SFDR (LTM9004-AA)
  • Clock Duty Cycle Stabilizer
  • Low Power: 1.83W
  • Shutdown and Nap Modes
  • 15mm × 22mm LGA Package

Part details & applications

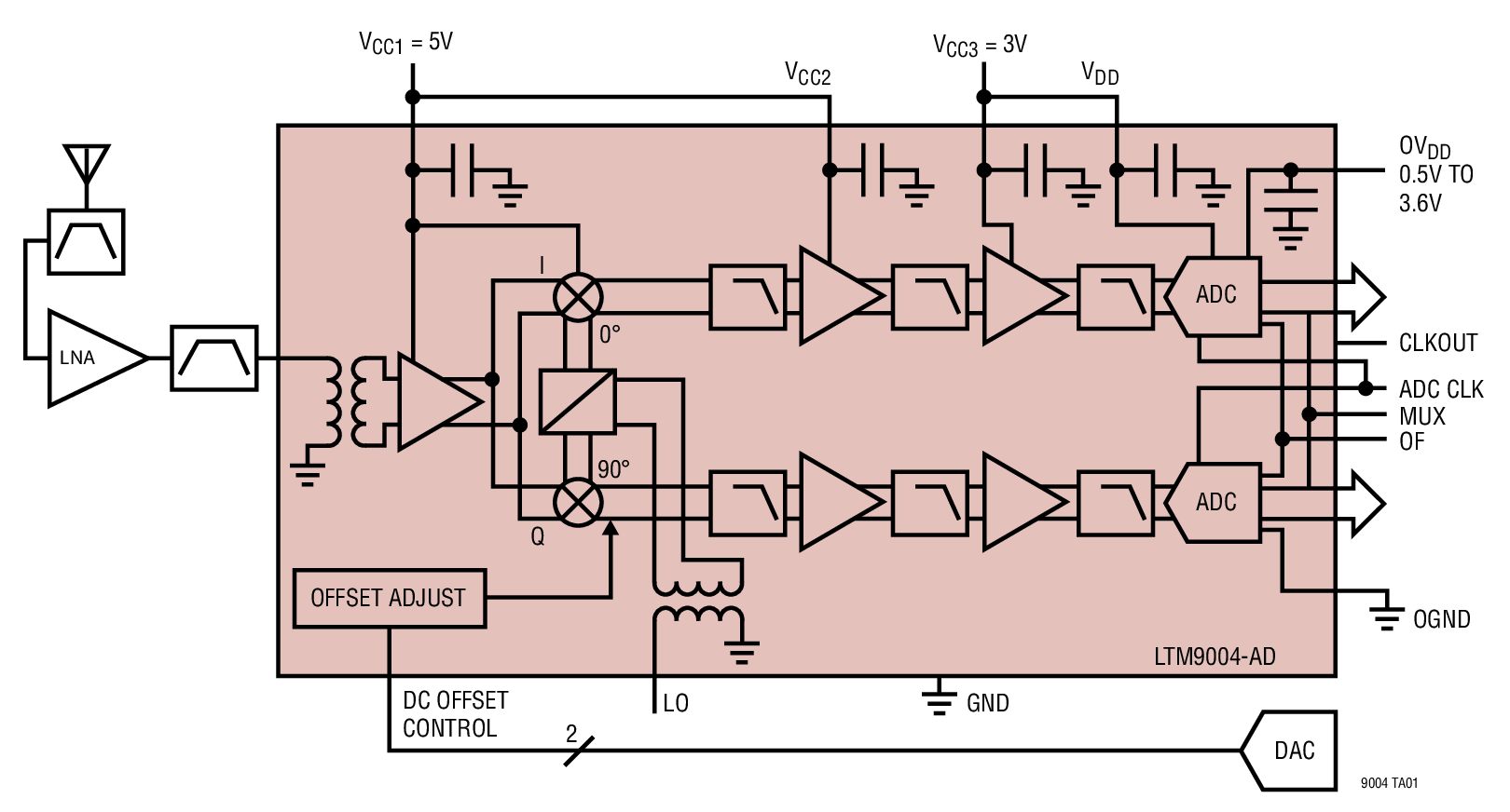
The LTM9004 is a 14-bit direct conversion receiver subsystem. Utilizing an integrated system in a package (SiP) technology, the LTM9004 is a μModule® receiver that includes a dual high speed 14-bit A/D converter, lowpass filter, differential gain stages and a quadrature demodulator. Contact Analog Devices regarding customization.

The LTM9004 is perfect for zero-IF communications applications, with AC performance that includes 76dB SNR and 63.5dB spurious free dynamic range (SFDR). The entire chain is DC-coupled and provides access for DC offset adjustment. The integrated on-chip broadband transformers provide 50Ω single-ended interfaces at the RF and LO inputs.

A 5V supply powers the mixer and first amplifier for minimal distortion while a 3V supply allows low power ADC operation. A separate supply allows the outputs to drive 0.5V to 3.3V logic. An optional multiplexer allows both channels to share a digital output bus. An optional clock duty cycle stabilizer allows high performance at full speed for a wide range of clock duty cycles.

Applications

  • Telecommunications
  • Direct Conversion Receivers
  • Cellular Basestations

Subscribe to Welllinkchips !
Your Name
* Email
Submit a request