0
MAX22196
  • MAX22196
  • MAX22196

MAX22196

RECOMMENDED FOR NEW DESIGNS

Octal Industrial Sink/Source Digital Input

Analog Devices MAX22196 Product Info

10 February 2026 4

Features

  • Software Configurable
    • Eight Inputs Individually Configurable as Sink or Source
    • Type 1/3, Type 2, TTL and Hi-Z (HTL) Modes
    • Wide Resistor-Settable Accurate Input Current Ranging from 0.5mA to 6.75mA
    • Programmable Glitch Filters
    • Extensive Diagnostics (Supply Voltage Monitoring, Temperature Alarms, PCB Fault Alarms, Thermal Shutdown)
    • Optional 16-bit Down-Counter Mode per Input
    • Addressable or Daisy-Chain SPI to Reduce Isolation Channels
  • Robust Solution
    • IEC 61000-4-2 ESD Airgap ±15kV and Contact ±8kV with Minimum 680Ω Pulse Resistor at Field Inputs
    • IEC 61000-4-5 Surge ±1.2kV/42Ω with Minimum 680Ω Pulse Resistor at Field Inputs
    • Cyclic Redundancy Check (CRC) Error Detection on SPI
    • -40°C to +125°C Operating Temperature
  • Low-Power Dissipation
    • Operates from 8V to 36V Field Supply
    • Low-Supply Current 2mA Maximum
  • Compact Solution
    • Integrated 5V, 20mA Linear Regulator
    • 2.5V to 5.5V Logic Interface
    • LED Driver Matrix or GPO Outputs
    • 5mm x 5mm 32-Pin TQFN Package

Part details & applications

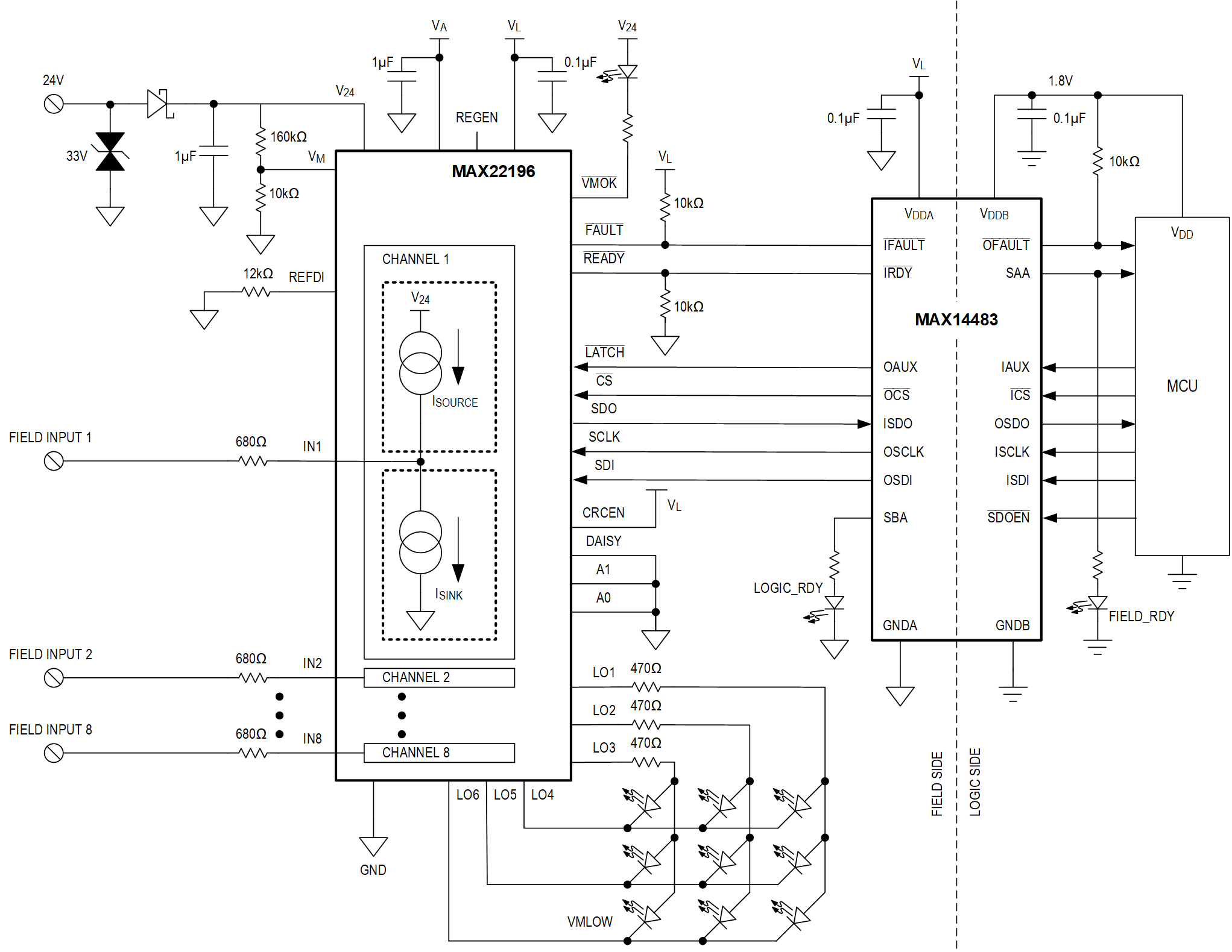
The MAX22196 is an industrial octal digital input that translates eight industrial 24V or TTL level inputs to logic level outputs. The device has a serial interface allowing configuration and reading of serialized data through SPI.

The input channels are individually configurable as sinking (p-type) or sourcing (n-type) inputs. Current limiters on each digital input minimize power dissipation while ensuring compliance with the IEC 61131-2 standard. With a single current-setting resistor, the inputs are individually configurable for Type 1/3, Type 2, TTL or HTL (high-impedance 24V levels). The current sinks or sources can be individually disabled.

Every input channel has a programmable glitch/debounce filter, and every input channel has an optional 16-bit down-counter.

The MAX22196 can be powered from a field supply from 8V up to 36V for sink/source operation and has an integrated 5V linear regulator that can provide up to 20mA of load current.

APPLICATIONS

  • Programmable Logic Controllers
  • Factory Automation
  • Process Control

Subscribe to Welllinkchips !
Your Name
* Email
Submit a request