0
ADH365S
  • ADH365S

ADH365S

RECOMMENDED FOR NEW DESIGNS

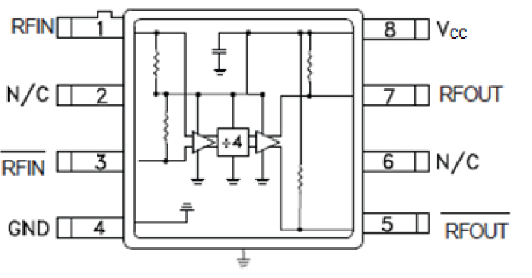
Space SMT MMIC Divide-By-4, DC to 13 GHz

Analog Devices ADH365S Product Info

10 February 2026 8

Features

  • Ultra-Low SSB Phase Noise: -153 dBc/Hz
  • Wide Bandwidth
  • Output Power: 5 dBm
  • Single DC Supply: +5V
  • 8 Lead Hermetic SMT Package

Part details & applications

The ADH365S is a low noise N = 4 static divider in an 8-lead glass/metal surface mount (hermetic) package. This device operates from DC (with a square wave input) to 13 GHz input frequency with a single +5V DC supply. The low additive SSB phase noise of -151 dBc/Hz at 100 kHz offset helps the user maintain good system noise performance.

APPLICATIONS

  • Point-to-Point / Multi-Point Radios
  • VSAT Radio
  • Fiber Optic
  • Space & Military

Subscribe to Welllinkchips !
Your Name
* Email
Submit a request