0
HMC438
  • HMC438

HMC438

RECOMMENDED FOR NEW DESIGNS

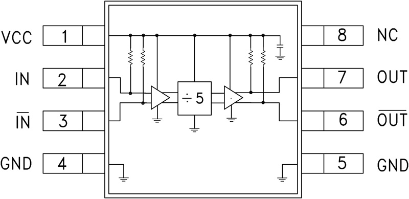
SMT GaAs HBT MMIC Divide-by-5, DC - 7 GHz

Analog Devices HMC438 Product Info

10 February 2026 9

Features

  • SSB Phase Noise: -153 dBc/Hz @100KHz
  • Wide Bandwidth
  • Output Power: -1 dBm
  • Single DC Supply: +5V @ 80 mA
  • MS8G SMT Package

Part details & applications

The HMC438MS8G & HMC438MS8GE are low noise Divide-by-5 Static Dividers utilizing InGaP GaAs HBT technology in low cost 8 lead surface mount plastic packages. This device operates from DC (with a square wave input) to 7 GHz input frequency from a single +5V DC supply. The low additive SSB phase noise of -153 dBc/Hz at 100 kHz offset helps the user maintain good system noise performance.

Applications

  • UNII, Point-to-Point & VSAT Radios 
  • 802.11a & HiperLAN WLAN 
  • Fiber Optic 
  • Cellular / 3G Infrastructure

Subscribe to Welllinkchips !
Your Name
* Email
Submit a request