0
HMC394
  • HMC394

HMC394

RECOMMENDED FOR NEW DESIGNS

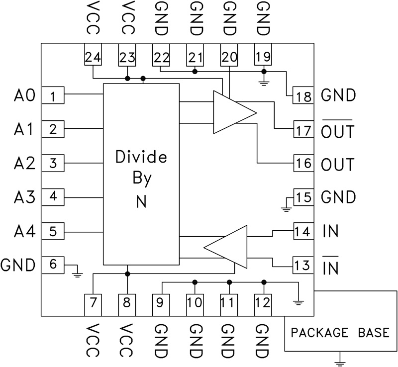
Programmable 5-Bit Counter SMT, DC - 2.2 GHz

Analog Devices HMC394 Product Info

10 February 2026 9

Features

  • SSB Phase Noise: -153 dBc/Hz @ 100 kHz
  • Selectable Division from 2 to 32
  • Parallel 5-Bit Control
  • Wide Input Power Range: -20 to +10 dBm
  • 4x4 mm Leadless SMT Package

Part details & applications

The HMC394LP4(E) is a low noise GaAs HBT programmable 5-bit counter in 4x4 mm leadless surface mount package. This device allows continuous division from N= 2 to 32 at input frequencies up to 2.2 GHz. The output voltage swing is 800 mV with a duty cycle inversely proportional to N. The low additive SSB phase noise of -153 dBc/Hz at 100 KHz offset makes this counter an excellent choice for low noise synthesizer applications.

APPLICATIONS

Programmable divider for offset synthesizer and variable divide by N applications:

  • Satellite Communication Systems
  • Point-to-Point and Point-to-Multi-Point Radios
  • LMDS
  • SONET

Subscribe to Welllinkchips !
Your Name
* Email
Submit a request