0
HMC561-DIE
  • HMC561-DIE

HMC561-DIE

PRODUCTION

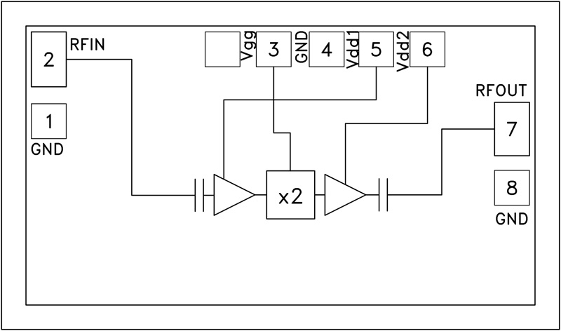
x2 Active Multiplier Chip, 8 - 21 GHz Fout

Analog Devices HMC561-DIE Product Info

10 February 2026 9

Features

  • High Output Power: +17 dBm
  • Low Input Power Drive: 0 to +6 dBm
  • Fo Isolation: 15 dBc @ Fout= 16 GHz
  • 100 kHz SSB Phase Noise: -139 dBc/Hz
  • Die Size: 1.6 x 0.9 x 0.1 mm

Part details & applications

The HMC561 is a x2 active broadband frequency multiplier chip utilizing GaAs PHEMT technology. When driven by a +5 dBm signal, the multiplier provides +17 dBm typical output power from 8 to 21 GHz and the Fo and 3Fo isolations are 15 dBc at 16 GHz. The HMC561 is ideal for use in LO multiplier chains for Pt to Pt & VSAT Radios yielding reduced parts count vs. traditional approaches. The low additivie SSB Phase Noise of -139 dBc/Hz at 100 kHz offset helps maintain good system noise performance.

APPLICATIONS

  • Clock Generation Applications: SONET OC-192 & SDH STM-64
  • Point-to-Point & VSAT Radios
  • Test Instrumentation
  • Military & Space

Subscribe to Welllinkchips !
Your Name
* Email
Submit a request