0
HMC368
  • HMC368

HMC368

RECOMMENDED FOR NEW DESIGNS

x2 Active Multiplier SMT, 9 - 16 GHz FOUT

Analog Devices HMC368 Product Info

10 February 2026 9

Features

  • Output Power: +15 dBm
  • Wide Input Power Range: 0 to +10 dBm
  • 100 kHz SSB Phase Noise: −140 dBc/Hz
  • +5V @ 75 mA Supply
  • 16 mm2 Leadless QFN SMT Package

Part details & applications

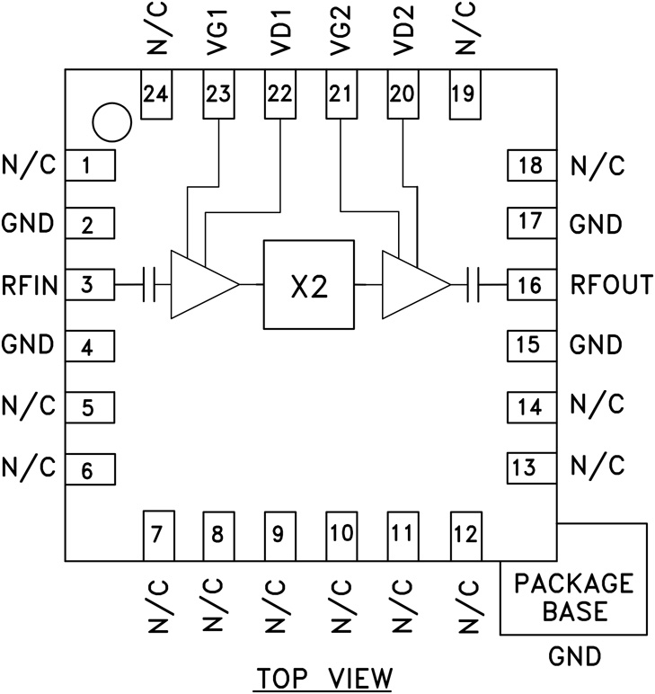
The HMC368LP4(E) is a miniature amp-doubler-amps utilizing GaAs PHEMT technology in 4 × 4 mm leadless surface mount package. When driven by a +2 dBm signal, the multiplier provides +15 dBm typical output power from 9 to 16 GHz. The Fo and the 3Fo isolations are 18 dB typical. The low additive SSB phase noise of −140 dBc/Hz at 100 kHz offset helps the user maintain good system noise performance. The HMC368LP4(E) is ideal for use in LO multiplier chains allowing reduced parts count vs. traditional approaches.

APPLICATIONS

  • Microwave Radios & VSAT
  • Fiber Optic Infrastructure
  • Military Communications & Radar

Subscribe to Welllinkchips !
Your Name
* Email
Submit a request