0
MAX17480
  • MAX17480

MAX17480

PRODUCTION

AMD 2-/3-Output Mobile Serial VID Controller Single Power Management Solution for AMD's Serial VID Interface (SVI) CPU and Northbridge (NB) Core Supplies

Analog Devices MAX17480 Product Info

10 February 2026 7

Features

  • Dual-Output Fixed-Frequency Core Supply Controller
    • Split or Combinable Outputs Detected at Power-Up
    • Dynamic Phase Selection Optimizes Active/Sleep Efficiency
    • Transient Phase Repeat Reduces Output Capacitance
    • True Out-of-Phase Operation Reduces Input Capacitance
    • Programmable AC and DC Droop
    • Accurate Current Balance and Current Limit
    • Integrated Drivers for Large Synchronous-Rectifier MOSFETs
    • Programmable 100kHz to 600kHz Switching Frequency
    • 4V to 26V Battery Input Voltage Range
  • 4A Internal Switch Northbridge SMPS
    • 2.7V to 5.5V Input Voltage Range
    • 2x Programmable Switching Frequency
    • 75mΩ/40mΩ Power Switches
  • ±0.5% VOUT Accuracy over Line, Load, and Temperature
  • AMD SVI-Compliant Serial Interface with Switchable Address
  • 7-Bit On-Board DAC: 0 to +1.550V Output Adjust Range
  • Integrated Boost Switches
  • Adjustable Slew-Rate Control
  • Power-Good (PWRGD) and Thermal-Fault (Active-Low VRHOT) Outputs
  • System Power-OK (PGD_IN) Input
  • Overvoltage, Undervoltage, and Thermal-Fault Protection
  • Voltage Soft-Startup and Passive Shutdown
  • < 1µA Typical Shutdown Current

Part details & applications

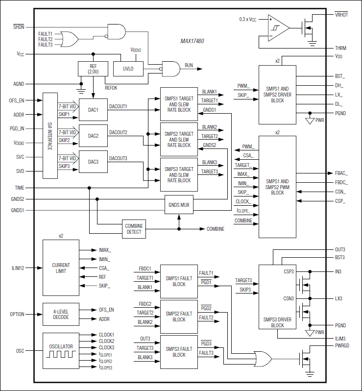
The MAX17480 is a triple-output, step-down, fixed-frequency controller for AMD's serial VID interface (SVI) CPU and northbridge (NB) core supplies. The MAX17480 consists of two high-current SMPSs for the CPU cores and one 4A internal switch SMPS for the NB core. The two CPU core SMPSs run 180° out-of-phase for true interleaved operation, minimizing input capacitance. The 4A internal switch SMPS runs at twice the switching frequency of the core SMPS, reducing the size of the external components.

The MAX17480 is fully AMD SVI compliant. Output voltages are dynamically changed through a 2-wire SVI, allowing the SMPSs to be individually programmed to different voltages. A slew-rate controller allows controlled transitions between VID codes and controlled soft-start. SVI also allows each SMPS to be individually set into a low-power pulse-skipping state.

Transient phase repeat improves the response of the fixed-frequency architecture, reducing the total output capacitance for the CPU core. A thermistor-based temperature sensor provides a programmable thermal-fault output (active-low VRHOT).

The MAX17480 includes output overvoltage protection (OVP), undervoltage protection (UVP), and thermal protection. When any of these protection features detect a fault, the controller shuts down. True differential current sensing improves current limit and load-line accuracy. The MAX17480 has an adjustable switching frequency, allowing 100kHz to 600kHz operation per core SMPS, and twice that for the NB SMPS.

Applications

  • Mobile AMD SVI Core Supplies
  • Multiphase CPU Core Supplies
  • Notebook/Desktop Computers
  • Voltage-Positioned, Step-Down Converters

Subscribe to Welllinkchips !
Your Name
* Email
Submit a request