0
LTM9008-14
  • LTM9008-14
  • LTM9008-14
  • LTM9008-14

LTM9008-14

NOT RECOMMENDED FOR NEW DESIGNS

14-Bit, 65Msps Low Power Octal ADCs

Analog Devices LTM9008-14 Product Info

10 February 2026 9

Features

  • 8-Channel Simultaneous Sampling ADC
  • 73dB SNR
  • 90dB SFDR
  • Low Power: 88mW/59mW/46mW per Channel
  • Single 1.8V Supply
  • Serial LVDS Outputs: 1 or 2 Bits per Channel
  • Selectable Input Ranges: 1VP-P to 2VP-P
  • 800MHz Full Power Bandwidth S/H
  • Shutdown and Nap Modes
  • Serial SPI Port for Configuration
  • Internal Bypass Capacitance, No External Components
  • 140-Pin (11.25mm × 9mm) BGA Package

Part details & applications

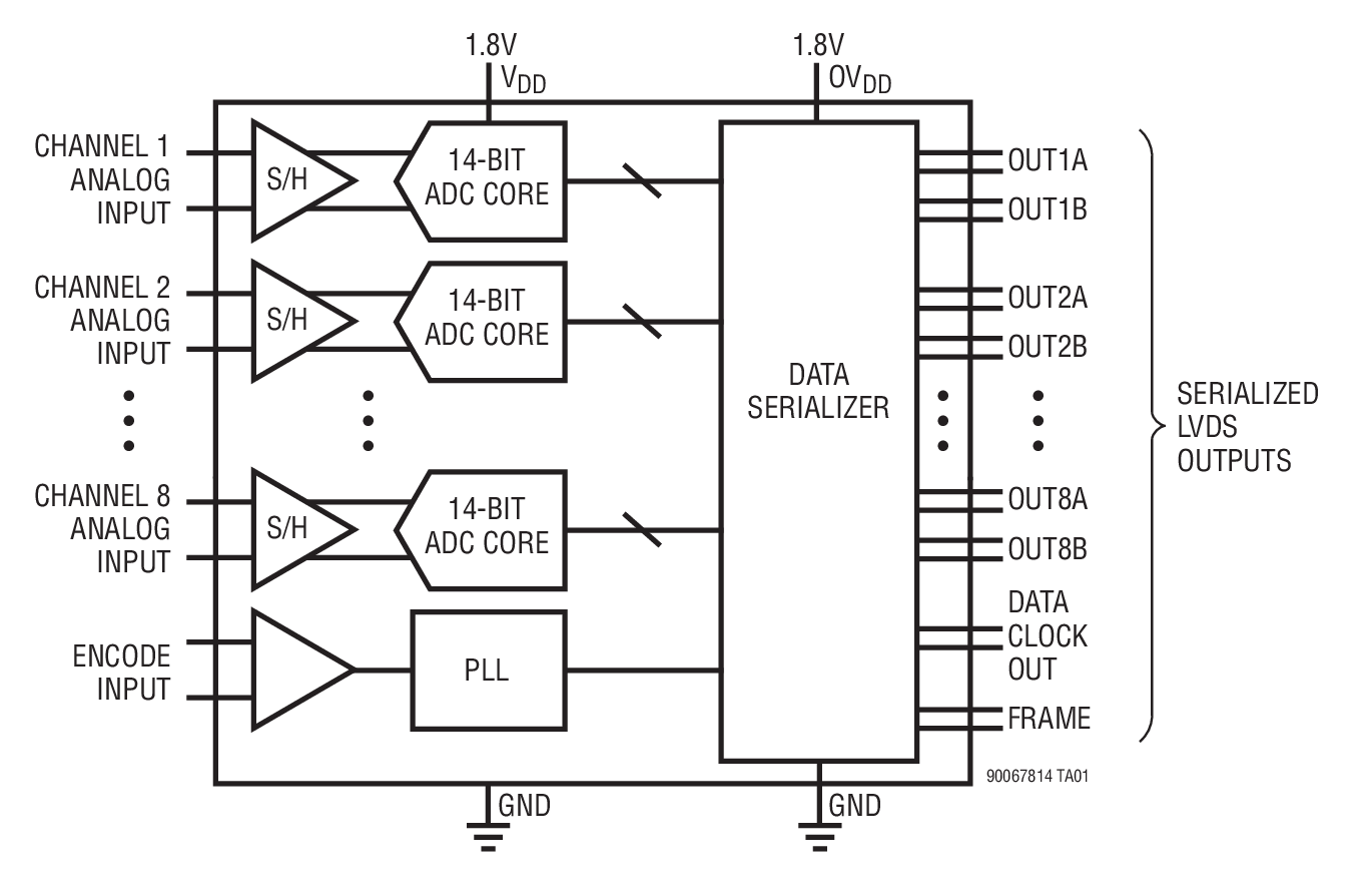
The LTM9008-14/LTM9007-14/LTM9006-14 are 8-channel, simultaneous sampling 14-bit A/D converters designed for digitizing high frequency, wide dynamic range signals. AC performance includes 73dB SNR and 90dB spurious free dynamic range (SFDR). Low power consumption per channel reduces heat in high channel count applications. Integrated bypass capacitance and flowthrough pinout reduces overall board space requirements.

DC specs include ±1LSB INL (typ), ±0.3LSB DNL (typ) and no missing codes over temperature. The transition noise is a low 1.2LSBRMS.

The digital outputs are serial LVDS to minimize the number of data lines. Each channel outputs two bits at a time (2-lane mode). At lower sampling rates there is a one bit per channel option (1-lane mode).

The ENC+ and ENC inputs may be driven differentially or single-ended with a sine wave, PECL, LVDS, TTL, or CMOS inputs. An internal clock duty cycle stabilizer allows high performance at full speed for a wide range of clock duty cycles.

Applications

  • Communications
  • Cellular Base Stations
  • Software Defined Radios
  • Portable Medical Imaging
  • Multichannel Data Acquisition
  • Nondestructive Testing

Subscribe to Welllinkchips !
Your Name
* Email
Submit a request