0
MAX14918
  • MAX14918
  • MAX14918
  • MAX14918

MAX14918

RECOMMENDED FOR NEW DESIGNS

SPI / Parallel Controlled Quad Low-Side Switches with Reverse Current Detection

Analog Devices MAX14918 Product Info

10 February 2026 7

Features

  • +5V (V5) or +7V to +65V (VDD) Supply Voltage Operation
  • 700mA DC Capability Per Channel across Temperature Range
  • 140mΩ (typ) On-Resistance Per Channel
  • Settable Load Current Limit 100mA (typ) to 900mA (typ)
  • +5V to +48V Load Voltage Range
  • 2x Inrush Load Current Option for 10ms (min)
  • Robust Design Features
    • Internal Inductive Energy Clamp at +55V (typ)
    • Short-Circuit Protection at OUT_ of up to +49V
    • Reverse Current Detection against Load-Supply Miswiring
    • ±1.2kV/42Ω Surge Protection
    • ±8kV Contact and ±25kV Air-Gap ESD Protection
    • -40°C to +125°C Operating Ambient Temperature
  • Diagnostic FAULT Indication for
    • Thermal Overload
    • Reverse Load Current Detection
    • Undervoltage Lockout (UVLO) on V5 Supply
  • Compact 24-Pin, 4mm x 5mm TQFN Package

Part details & applications

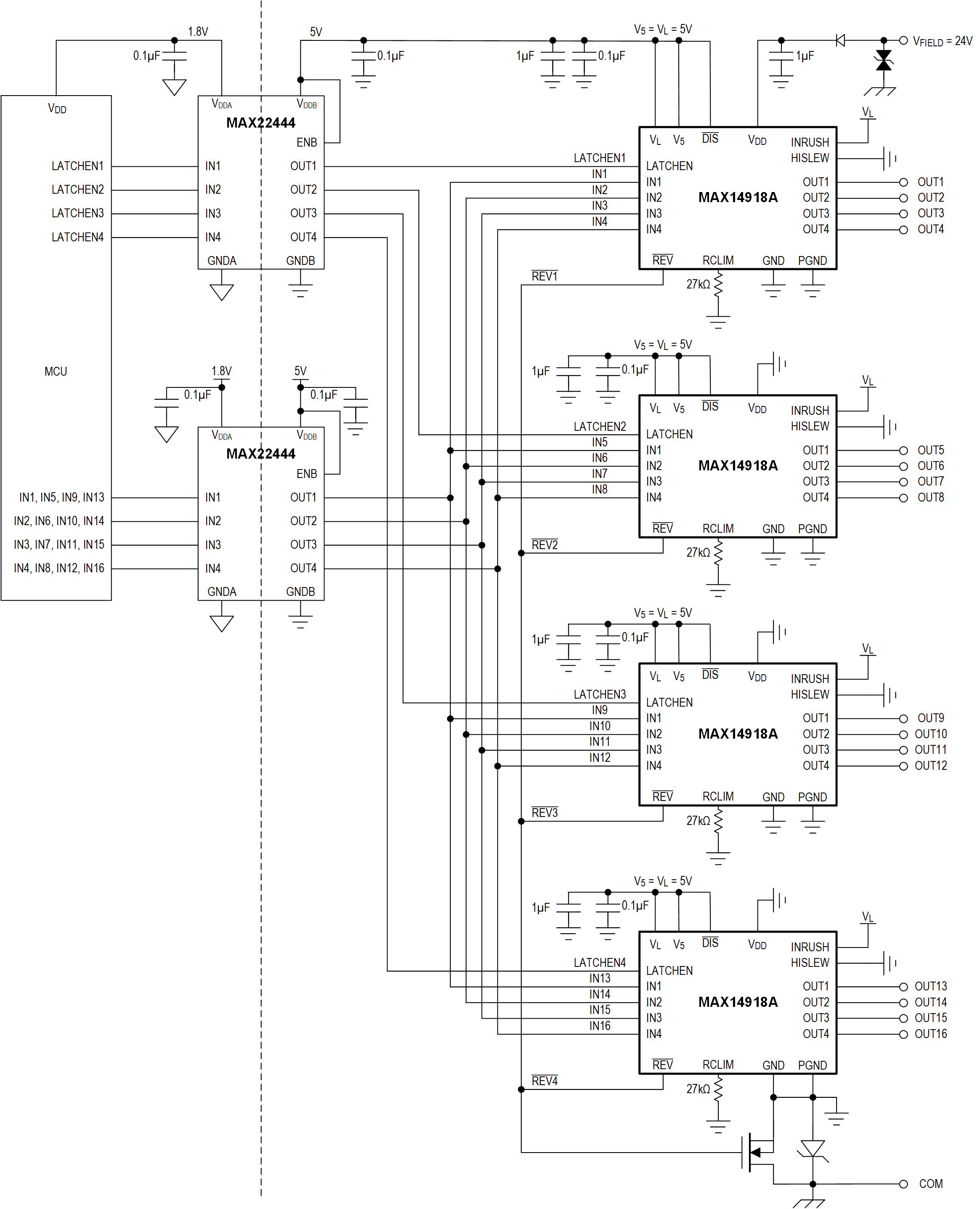
The MAX14918 and MAX14918A are quad 700mA lowside switches for industrial applications. Each device features four 140mΩ (typ) on-resistance (RON) switches with integrated ±1.2kV/42Ω surge protection. Two or more outputs can be connected in parallel to provide higher load current.

The maximum load current is actively limited and is resistor settable between 100mA (typ) and 900mA (typ). For load that draws high inrush current, the MAX14918 and MAX14918A have the inrush mode which provides 2x current after switch turn-on for 10ms (min).

The MAX14918 has an SPI allowing control of multiple MAX14918 devices through a common daisy-chained interface for high channel-count applications, minimizing galvanic isolation channels. Per-channel diagnostics are returned on the serial data output (SDO). Data corruption on the serial data input (SDI) is automatically detected and signaled on the SPIFLT output.

The MAX14918A offers a pin-based switch control with a latch option (LATCHEN) which allows sharing of the four IN_ control signals among multiple MAX14918A devices.

Slew rate control provides controlled turn-on edge for reducing electromagnetic interference or EMI emissions. Simultaneously, a global DIS control signal allows disabling of all OUT_ switches quickly.

The integrated 5V low dropout (LDO) regulator in the MAX14918 and MAX14918A can be used to power external isolators or other logic circuitry.

APPLICATIONS

  • Industrial Digital Outputs
  • Relay and Solenoid Drivers
  • Programmable Logic Controllers and Distributed Control Systems
  • Motor Control
  • Industrial/Process/Building Automation

Subscribe to Welllinkchips !
Your Name
* Email
Submit a request